1、可以用万用表交流档测量音频信号的大小。( )答案: 【错】2、用万用表测量电流时需要把万用表串接入被测电路中。( )答案: 【对】3、为了得到正负12V电压给运算放大器供电,需要把电源设置于串联工作方式。( )答案: 【对】4、为了得到正负12V电压给运算放大器供电,需要把电源设置于并联工作方式。( )答案: 【错】5、用示波器观测交流信号,被测信号接入通道1(CH1),为使信号能稳定地显示在屏幕上,触发信源应选择( )。答案: 【CH1】6、用示波器测量一含有较大直流成分的交流小信号时,为使交流信号在屏幕上尽量占据大的幅面以便精确测量,输入信号的耦合方式应选择( )答案: 【AC耦合】7、用示波器测量信号的直流成分时,输入信号的耦合方式应选择( )答案: 【DC耦合】8、在用示波器观测含有噪声干扰的信号时,为使信号波形能稳定地显示在示波器上,观测含有高频干扰的低频信号时触发信号的耦合方式选用HFR(高频抑制) 耦合方式,观测含有低频干扰的高频信号时触发信号的耦合方式选用LFR(低频抑制) 耦合方式。观测普通无噪声的信号时选用AC耦合。( )答案: 【对】
1、如果设定不同的电压与电流参考方向,基尔霍夫定律仍然成立。( )答案: 【对】2、如果电路中含有非线性器件,基尔霍夫定律仍然成立。( )答案: 【对】3、在叠加定律验证实验中,将不起作用的电压源直接短接。( )答案: 【错】4、在叠加定律验证实验中,将不起作用的电压源直接关闭。( )答案: 【错】5、电阻消耗的功率也具有叠加性。( )答案: 【错】
1、OrCAD套件不能绘制PCB版图。( )答案: 【错】2、要分析电路的频域特性,可采用AC Sweep/Noise分析类型。( )答案: 【对】3、为了实现电路仿真,在capture中的接地需选择SOURCE库中的接地。( )答案: 【对】4、在PSpice A/D软件中,一般采用Meg来表示兆。( )答案: 【对】5、在PSpice A/D交流分析的AC Sweep/Noise设置中,选用对数坐标,起点可以从0Hz开始。( )答案: 【错】
1、某NPN晶体管共射放大电路中,当IB 从15μA增大到20μA时,IC 从2 mA变为3mA,那么这晶体管的β约为( )。A:100B:133C:150D:200答案: 【200】2、在共射放大电路实验中,当输入1kHz正弦信号幅度提高到80mV左右时,示波器中观察到输出电压波形出现了顶部削平的失真。这种失真属于( )。A:饱和失真B:截止失真C:线性失真D:非线性失真答案: 【截止失真,非线性失真】3、共射放大电路实验中,当输入1kHz、30mV峰峰值正弦信号时,测得负载开路时的输出电压为1.08V峰峰值,接入7.5 kΩ 负载电阻后输出电压峰峰值降为0.75V。这说明放大电路的集电极电阻Rc约为( ) 。A:5.1kΩB:3.3kΩC:6.8kΩD:1.8kΩ答案: 【3.3kΩ】4、如果要求多级放大电路能正常放大直流信号,那么其级间耦合方式应该选用( )。A:直接耦合B:电容耦合C:变压器耦合D:其余选项都可以答案: 【直接耦合】5、差分放大电路只将其偏置方式由长尾型偏置换成恒流源偏置,那么这电路的差模增益和共模增益变化情况是( )。A:差模增益增大,共模增益基本不变B:差模增益基本不变,共模增益增大C:差模增益减小,共模增益基本不变D:差模增益基本不变,共模增益减小答案: 【差模增益基本不变,共模增益减小】6、要提高放大电路的输入电阻,降低输出电压的负载灵敏度,应该引入的负反馈类型为( )。A:电流并联负反馈B:电流串联负反馈C:电压并联负反馈D:电压串联负反馈答案: 【电压串联负反馈】7、共射放大电路在低频段增益下降的原因是晶体管内部存在结电容。( )A:对B:错答案: 【错】8、多级放大器电路分析时,后一级电路的输入电阻可视为前一级电路的负载,而前一级电路的输出电阻可视为后一级电路的信号源内阻。( )A:对B:错答案: 【对】9、放大电路引入合适负反馈后,将使放大电路的各方面性能得到改善。例如增益变大、频带拓宽。( )A:对B:错答案: 【错】
1、741运放构成的反相放大器电路,±12V供电,设计的电压增益值为 20倍。当输入1V直流信号时,其输出电压值约为( )。A:-20VB:-11VC:+11VD:+20V答案: 【-11V】2、在方波-三角波发生器电路实验中,只把积分电容由0.22μF换成0.1μF,产生的方波和三角波周期和幅度将发生如下变化,( )。A:幅度不变、周期变大B:幅度不变、周期变小C:幅度变大、周期变大D:幅度变大、周期变小答案: 【幅度不变、周期变小】3、运放的输出电阻很小,用它构成负反馈的基本运算电路后输出电阻会更小,其输出电压接近理想电压源,因此可以直接驱动功率较大的直流电机。( )A:对B:错答案: 【错】4、方波-三角波发生器电路中,两波形可能同时产生,也可能只产生一个。( )A:对B:错答案: 【错】5、与过零比较器相比,迟滞比较器存在正反馈,所以转换速度更快。( )A:对B:错答案: 【对】6、若设计的反相放大器电路如下图所示,把信号源输出空载电压调到1kHz、80mV峰峰值后接入到放大电路输入端。已知信号源内阻为600Ω,则测得的输出电压峰峰值将会是( )左右。
A:960mVB:800mVC:500mVD: 133mV答案: 【500mV】7、设某741运放开环幅频特性曲线如下图,用它构成增益为100倍的同相放大器。则该同相放大器的上限截止频率约为( )。
A:10HzB:10^2HzC:10^3HzD:10^4Hz答案: 【10^4Hz】8、反相积分器电路如图,若需要把频率300Hz、峰峰值6V的方波转换为峰峰值为4V左右的三角波,提供的电容C值为0.1 μF,则电阻R1的标称值应该取为( ) 。
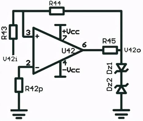
A: 6.2kΩB:12kΩC:24kΩD:51kΩ答案: 【12kΩ】9、迟滞比较器电路如下图,Dz1、Dz2都为6.2V稳压管,正向导通电压按0.7V计算,R43、R44的取值分别为10kΩ和30kΩ。若要把三角波转换成方波,则输入三角波的幅度不能小于( )。
A:2.3VB:4.6VC:6.2VD:6.9V答案: 【2.3V】
1、在用555时基电路接成的施密特触发器电路中,当Vcc=9V、外接控制电压VCO=5时,其回差电压ΔVT是多少伏?( )A:6VB:3VC:5VD:2.5V答案: 【2.5V】2、在555时基电路接成的多谐振荡器电路中,当5脚外接控制电压VCO升高时,电路的振荡频率:( )A:升高B:降低C:不变D:不确定答案: 【降低】3、在如图所示的施密特触发器电路中,当Vcc=12V时,其回差电压ΔVT是多少伏?( )
A:8VB:6VC:4VD:2V答案: 【4V】4、在如图所示的单稳态触发器电路中,为使每个输入的低电平脉冲都能有效触发,对输入脉冲的低电平持续时间和周期有何要求?( )
A:低电平持续时间t大于暂稳态持续时间tw、周期大于暂稳态持续时间tw。B:低电平持续时间t小于暂稳态持续时间tw、周期大于暂稳态持续时间tw。C:低电平持续时间t小于暂稳态持续时间tw、周期小于暂稳态持续时间tw。D:低电平持续时间t大于暂稳态持续时间tw、周期小于暂稳态持续时间tw。答案: 【低电平持续时间t小于暂稳态持续时间tw、周期大于暂稳态持续时间tw。】5、在如图所示的多谐振荡器电路中,若R1=R2=5.1KΩ,C=0.01μF,Vcc=12V,这电路的振荡频率是:( )
A:5.9KHzB:9.3KHzC:14KHzD:11KHz答案: 【9.3KHz】
版权声明:我们致力于保护作者版权,注重分享,被刊用文章【智慧树考试答案(智慧树电子电路实验答案)】因无法核实真实出处,未能及时与作者取得联系,或有版权异议的,请联系管理员,我们会立即处理! 部分文章是来自自研大数据AI进行生成,内容摘自(百度百科,百度知道,头条百科,中国民法典,刑法,牛津词典,新华词典,汉语词典,国家院校,科普平台)等数据,内容仅供学习参考,不准确地方联系删除处理!;
工作时间:8:00-18:00
客服电话
电子邮件
beimuxi@protonmail.com
扫码二维码
获取最新动态
