电工证作为从业资格证是需要从业人员人手一本,这是电工行业的第一块入门砖,其中电工证分为四种,特种作业操作证、电工进网作业许可证、职业资格证书、建筑施工特种操作资格证,本文只对特种作业操作证(低压电工证)做讲解。
特种作业操作证:作业种类:电工(俗称操作证、上岗证),分类: 高压运行维护作业、高压安装修造作业、低压电工作业、安装、维修、发电、配电。自2010年后,老版特种作业操作证(IC卡)样本改用二代身份证似的IC卡类新版中华人民共和国特种作业操作证样本 ,复审为三年一审,特种作业操作证6年换一次证。
作为工厂、物业电工来讲,低压电工证是必须要考取的操作证,因为现在电工证是安监局发放,所以报名也需要通过安监局进行,可以选择安监局网站报名,也可以选择当地培训机构代报名,费用各个地区不等,具体还需联系当地部门。
考试内容包括理论考试和实操考试
理论考试:理论考试分为消防急救和电工基础理论知识,消防急救知识包括救火常识、急救知识、触电急救常识等,关于这一类的知识可以提前了解,在培训机构,老师会教给大家。
电工基础理论知识学习就是考验大家的基础功底,如果是电气行业毕业,考电工证就非常简单了,如果是零基础,那就要找到题库进行训练学习,题库可以在网络上或者手机下载APP进行学习,当然如果是报名了培训机构,培训机构也会提供电脑给我们练习,加强训练通过率更高。
实操考试内容分为接线、排故、答辩。
接线内容包括:
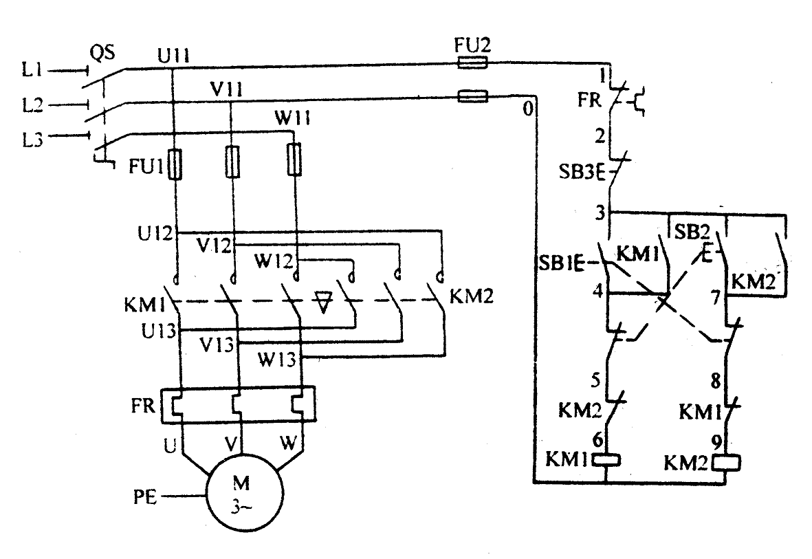
一灯双控电路接线:一灯双控接线要点是两个开关的公共端,火线进入一个开关的公共端L,另外一个开关的L接入灯泡,灯泡接进零线,两个开关的L1、L2互接;五孔插座电路接线:五孔插座的接线要采用左零右火上接地的原则进行接线,方法比较简单;日光灯接线:日光灯是需要连接镇流器才能启动的,所以接线方法是火线经过开关,进入镇流器,镇流器输出端接入日光灯,接线方法需要按照镇流器电路图进行;三相电机正反转接线;最难点就是三相电机的正反转电路,但是吃透交流接触器的自锁、互锁、按钮互锁以及三相电机正反转换相反转原理就能够轻松通过考验;三相电机正反转
排故
排故之前是要进行抓阄,上面一共有四个接线项目,抽到哪一个就要对其中一项进行排故,排故是需要使用万用表,主要考点就是点与点之前是否连通,元器件功能是否正常;
答辩
答辩的内容比较多,各地内容也是不同,一般就是各种仪表的识别和使用方法,包括:万用表、电流表、电压表、兆欧表等,考官会调其中一二进行询问,注意回答使用要点,多说考官不会难为。
掌握好要点才能更快的通过考试,电工证并非无用,不出事万事大吉,出了事谁都救不了你。需要电工理论试题的可以私信或者评论电工试题,点击下面链接也可以下载试题。
提取码: yn6j 复制这段内容后打开百度网盘手机App,操作更方便哦
版权声明:我们致力于保护作者版权,注重分享,被刊用文章【电工进网作业许可证考试题库2016(电工证很难考)】因无法核实真实出处,未能及时与作者取得联系,或有版权异议的,请联系管理员,我们会立即处理! 部分文章是来自自研大数据AI进行生成,内容摘自(百度百科,百度知道,头条百科,中国民法典,刑法,牛津词典,新华词典,汉语词典,国家院校,科普平台)等数据,内容仅供学习参考,不准确地方联系删除处理!;
工作时间:8:00-18:00
客服电话
电子邮件
beimuxi@protonmail.com
扫码二维码
获取最新动态
