2022 年湖北省普通高等学校招收中等职业学校毕业生技能高考
电气电子类技能考试大纲
(湖北省技能高考电气电子类专业委员会制定)
2022 年湖北省普通高等学校招收中等职业学校毕业生的技能高考,是面向中 等职业学校(包括中等专业学校、职业高中、技工学校和成人中专)相同或相近专 业毕业生的选拔性考试。电气电子类技能考试的专业知识、技能操作考试,应当具 有一定的信度、效度和必要的区分度。
1.职业(工种)名称:电工
(1)职业定义:使用工具、量具和仪器、仪表,安装、调试与维护、修理机 械设备电气部分和电气系统线路及器件的人员。
(2)职业等级:国家职业资格初、中级(五、四级),职业编码:6-31-01-03
(3)职业能力特征:具有一定的学习理解能力、观察判断推理能力,手指和 手臂灵活,动作协调,无色盲。
(1)职业定义:使用各种仪器仪表,对家用电子产品进行检测维修的人员。
(2)职业等级:国家职业资格初、中级(五、四级),职业编码:4-07-10-01
(3)职业能力特征:具有一定的沟通与交流能力,能及时为客户排忧解难, 具有修理常用家电产品能力。
(1)职业定义:使用兆欧表、万用表、示波器等电工仪器仪表和使用相应工 具、夹具、量具仪器仪表及检修设备,对家用制冷器具、家用空调器具、家用电热 器具、家用电动器具等家用电器进行维护、修理和调试的人员。
(2)职业等级:国家职业资格初、中级(五、四级),职业编码:4-07-10-02
(3)职业能力特征:具有一定的观察、判断、推理、学习能力;手指、手臂 灵活,动作协调。
1.中等职业学校电气运行与控制专业教学标准,专业代码:053000
2.中等职业学校电气技术应用专业教学标准,专业代码:053100
3.中等职业学校机电技术应用专业教学标准,专业代码:051300
4.中等职业学校数控技术应用专业教学标准,专业代码:051400
5.中等职业学校电子技术应用专业教学标准,专业代码:091300
1.《低压配电设计规范》GB50054-2011
2.《通用用电设备配电设计规范》GB50055
3.《建筑照明设计标准》GB50034-2004;
4.《电气简图用图形符号国家标准汇编》GB/T4728.7-2000 三、考试办法(确定分数以教育厅正式下文为准) 电气电子类技能考试主要包括专业知识考试、技能操作考试两个组成部分。
技能考试总分 490 分,其中专业知识考试 150 分,技能操作考试 340 分。
用计算机辅助进行专业知识考试(简称“机考”),考试时间 60 分钟。在实 训场地进行技能操作考试,分为电气、电子 2 个方向,由考生报名时自主选择其中 1 个参加考试,考试时间 150 分钟。
以形成的中职毕业生从业能力为立足点,实现技能考试内容与中职毕业生从业 技能的需要相互兼容,在识记、理解、运用、综合运用各个层面,充分融合专业知 识和技能操作的职业技能要素,合理运用专业知识考试、技能操作测量手段,将专 业知识融入技能操作考试内容,将技能操作融入专业知识考试内容。
1.电路的基本概念及基本定律
(1)理解电路模型、实际电路元件、理想电路元件的概念;理解电压、电位、 电动势、电流、电阻、电功率、电能的概念并会正确计算;
(2)理解电路在通路、开路、短路状态时的特性;
(3)运用欧姆定律进行各种计算。
2.直流电路
(1)理解等效电阻、串联分压、并联分流的含义并会正确计算;
(2)运用简单混联电路的测试和计算方法、计算电路中各点电位值和任意两 点间的电压、电阻、电流值;
(3)综合运用闭合电路的欧姆定律、电阻混联电路的特征及电位值的计算方 法来分析、解决一般的电路问题;
(4)综合运用基尔霍夫电流及电压定律分析计算电路中的电流和电压;
(5)理解电压源、电流源、理想电压源、理想电流源的概念,理解电路结构 特征及电源的外特性;理解电压源与电流源的等效变换;
(6)运用叠加定理、戴维宁定理来分析解决简单的电路问题。
1.识记磁场主要物理量(磁感应强度、磁通、磁场强度和磁导率)的物理意义 及单位,并理解物理量之间的相互关系;
2.理解右手螺旋法则及左手定则的应用;
3.理解电磁感应现象产生的条件;
4.理解自感现象和互感现象;
5.综合运用互感线圈的同名端的概念及其判断方法;
6.识记变压器的作用、基本构造、种类及用途。
1.识记电容器、电感的概念及平行板电容器计算公式;
2.理解电容器的串联、并联性质及计算等效电容;
3.识记正弦交流电基本物理量(瞬时值、最大值、有效值、角频率、周期、频 率、相位、初相位、相位差)的概念并会进行相关计算;
4.理解正弦交流电路中感抗、容抗、阻抗、有功功率、无功功率、视在功率、 功率因数并会进行相关计算;
5.理解电阻、电感和电容在直流电路和交流电路中的作用;
6.理解交流电路中电感和电容的功率的概念;
7.学会计算正弦交流电路的功率;
8.理解 RL、RC、RLC 正弦交流电路中电流和电压的关系;
9.理解提高功率因数的意义,并掌握提高功率因数的方法;
10.综合运用 RLC 串联知识计算正弦交流电路中电流和电压。
1.识记谐振概念,理解串、并联谐振的条件和特点及进行相关计算;
2.理解品质因数及其对选择性的影响;
3.运用串联谐振条件和特点,解决谐振电路在实际应用中的具体问题。
1.识记三相交流电的表示方法;
2.理解三相四线制电源的线电压和相电压的关系并会相应计算;
3.理解三相对称负载星形联接和三角形联接时,负载线电压与相电压、线电流 与相电流之间的关系并会相应计算;
4.掌握对称三相电路电压、电流和功率的计算方法,并理解中性线的作用。 (六) 安全用电与触电急救
1.识记触电及预防常识
2.掌握保护接地与保护接零
3.掌握安全用电常识
1.识记晶体二极管单向导电特性;
2.理解晶体二极管的结构、分类和型号;
3.理解晶体二极管的伏安特性和主要参数;
4.理解晶体二极管的工作状态及特点,熟悉其功能和用途。
1.理解晶体三极管的结构、分类、符号和基本联接方式;
2.识记晶体三极管的放大条件、放大作用和电流分配关系;
3.理解晶体三极管的输入特性曲线、输出特性曲线(共发射极接法)及其三个 工作区域的划分; 4.理解晶体三极管的主要参数含义、并掌握晶体三极管工作状态的判别;
5.理解共发射极基本放大电路的组成和各元件作用;
6.掌握估算、测试和调整放大器的静态工作点,理解静态工作点与波形失真的 关系;
7.理解三种组态的放大电路,熟悉电路三种组态的特点和用途。
1.理解反馈和负反馈的概念;
2.理解负反馈放大电路类型及对放大电路性能的影响;
3.熟悉集成运算放大器的组成和主要参数,理解“同相输入端”及“反相输入 端”的含义; 4.识记集成运放的国标电路符号,能识别由集成运放组成的常见比例运算电 路,理解理想集成运算放大器的应用; 5.识记多级放大器的级间耦合方式及特点。
1.理解直流稳压电源电路的作用、分类、组成、功能;
2.识记二极管整流电路、滤波电路及其功能;
3.运用整流滤波电路并计算整流滤波电路的输出电压;
4.理解带有放大环节的串联型晶体管稳压电源的组成及工作原理;
5.识记集成三端稳压器的型号、各引脚功能及基本连接方法;
6.能运用三端固定式集成稳压器构成简单应用电路;
7.能根据电路的要求,选用需要的三端稳压器。
1.识记数字信号和数字电路的特点;
2.熟悉数制及其相互转换;
3.理解逻辑功能的常用表示方法(逻辑函数式、真值表和逻辑波形图);
4.熟悉基本逻辑运算及常用集成逻辑门电路,熟悉与门、或门、非门、与非门、 或非门、异或门、同或门基本逻辑门电路基本概念、逻辑功能、逻辑符号、逻 辑函数式和真值表;
5.理解组合逻辑电路的特点及典型应用;
6.综合运用组合逻辑电路的分析方法,能够设计简单逻辑电路;
7.理解时序逻辑电路的特点,识记触发器的特性和国标电路符号,熟知其特点 及逻辑功能;
8.识记 555 时基电路的特性和 555 集成块的引脚功能,理解 555 集成电路的工 作原理及使用方法。
1.识别各类元器件;
2.掌握万用表、信号源、示波器的使用及维护;
3.掌握基本放大电路的使用、安装和调试;
4.掌握直流电源的使用、安装和调试;
5.掌握集成运算放大器的使用、安装和调试;
6.识记电子工艺过程,掌握基本焊接方法和工艺要求;
7.掌握单片机电路的使用、安装和调试。
1.掌握常用工具、电工仪器仪表使用及维护;
2.按规范要求设计、安装、维修照明电路与动力配电板(箱);
3.识别常用低压电器型号及含义,了解其结构及工作原理、主要技术参数及选 用注意事项、文字及图形符号,掌握其检测及维修方法;
4.理解变压器、单相电动机、三相电动机的结构与工作原理,掌握检测方法;
5.理解电力拖动自动控制原理。单相电机的启动方式及正反转控制,三相交流
异步(包含绕线式、变极鼠笼式等)电动机全压及降压起动、正反转、顺序及联锁 控制、反接、变速及能耗制动等控制原理;
6.掌握机床控制电气图的识读方法。识读简单的技术资料,理解生产机械电气 图的构成及各构成部分的作用。掌握电气基本安装工艺和故障分析。
1.识记电气设备安全操作规程;
2.配电线路和电器设备对电器及装置的安全要求;
3.具备用电安全意识、质量标准意识、环保节约意识以及实践创新意识。
1.专业知识考试的分布比例:电工基础 40%,电子技术 30%,技能操作知识 30%。
2.专业知识考试的难易程度:容易题 35%,中等难题 50%,较难题 15%。
1.判断题(本大题共 24 小题,每小题 2 分,共 48 分):判断选择正确或错误, 若是判断填写错误或不进行判断填写,不得分。
2.单项选择(本大题共 34 小题,每小题 3 分,共 102 分):在每小题的 4 个 备选项中,有 1 个备选项最符合题意要求,请将其选择项的标注字母填写到本题的 括号里,若未选、错选、多选均不得分。
(三)专业知识考试评分办法 专业知识考试用计算机辅助方式进行(简称:机考),考试时间为 60 分钟,
考生向系统提交完成答题试卷,由计算机辅助系统自动评定考试分数。
一、电气方向技能操作考试内容
1.理解安全用电知识,学会安全操作要领,培养良好的职业道德和工作作风。
2.熟练掌握基本电工电子仪器仪表(机械式万用表、数字式万用表、兆欧表、 钳形表、功率表、电度表、电桥等)和常用工具使用方法。
3. 掌握常用电子元器件(如电阻、电容、二极管、三极管、晶闸管等)的作 用、分类、识别和质量判别方法。
4.熟练掌握手工锡焊操作,能根据电路原理图按要求在万能板上组装电路。
5.熟练掌握三相动力配电板和单相照明电路的设计安装、检测与调试。
6.熟练掌握常用低压电器铭牌型号及含义、结构与原理,掌握其使用、检测与 维修方法。
7.掌握单相异步电动机的构造、原理、特性和用途,能熟练掌握启动方式及正 反转控制方法。
8.能熟练识读与绘制三相异步电动机点动、连续、顺序、正反转、行程、多地、 星三角启动等接触器控制电气电路图,熟练掌握电机及继电器控制系统安装与调 试。
9.掌握三相交流异步电动机(包含绕线式、变极鼠笼式等)基本构造、转动原 理、机械特性和经济运行。理解其铭牌型号及含义。
10.掌握典型机床电气电路图(全压及降压起动、正反转、顺序及联锁控制、 反接及能耗制动等控制原理)的原理分析、安装图绘制及电气故障排查。
1.理解安全用电知识,学会安全操作要领,培养良好的职业道德和工作作风。
2.熟练掌握基本电工电子仪器仪表(机械式万用表、数字式万用表、示波器、 函数发生器等)和常用工具使用方法。
3.掌握常用电子元器件(如电阻、电容、二极管、三极管、晶闸管等)的作用、 分类、识别和质量判别方法。
4.熟练掌握手工锡焊操作,能根据电路原理图按要求在万能板上组装电路。
5.能运用常用电子仪器仪表(如万用表、信号发生器、示波器等)对已知电路 原理图的实物电路模块进行规定项目的测量、调试及故障排除。
6.熟练掌握常用低压电器铭牌、结构与原理,掌握其使用、检测与维修方法。
7.能熟练识读绘制三相异步电动机点动、连续、顺序、正反转、行程、多地、 星三角启动等接触器控制电气电路图,能熟练掌握电机及继电器控制系统安装与调 试。
8.熟知常见典型单元电路的构成及工作原理,如基本放大电路、集成运放电路、 功放电路、振荡器电路、稳压电路、NE555 电路、门电路、触发器电路、计数器电 路、单相整流稳压电路、晶闸管电路等,掌握其故障检测和排查方法。
三、操作设置、技能要求、评分办法 考试内容由考生报名时选定,2 选 1,电气或电子方向。 1.技能操作设置:表 1 为考试组成模块及要求。
模块 1:电子产品制作与调试;(电气和电子方向考生都要求做)
模块 2:电气或电子电路的测量技能及综合分析;(考生所选定电气或电子方 向)
模块 3:电气控制线路安装与调试。(电气和电子方向考生都要求做) 2.技能操作要求
3.技能操作评分办法(评分细则见技能操作考试样题)。 四、技能操作考试样题(见附件 2) 五、电气技能操作试卷答题卷模板说明(见附件 3)
六、考场专用工具、仪表、器材(见附件 4) 重要说明:考场提供考试所用的工具、仪表和器材,禁止考生自带工具入场。 附件 1 专业知识考试样题
附件 3 电气技能操作样题答题卷模板
附件 4 技能考试工具仪器设备图示
附件 1
(满分 150 分,考试时间 60 分钟) 一、判断题 (每题 2.0 分,共 48 分)
1. 若 3 分钟通过导体横截面的电荷量是 1.8C,则导体中的电流是 0.01A。 正确 错误
2. 欧姆定律适用于任何电路和任何元件。 正确 错误
3. 加在电阻上的电压增大到原来的 2 倍时,它所消耗的电功率也增大到原来的 2 倍。 正确 错误
4. 沿顺时针和逆时针列写回路电压方程,其结果是相同的。 正确 错误
5. 通电长直导线的磁场方向可用右手螺旋定则来判断。 正确 错误
6. 电容量不相等的电容器串联后接在电源上,每只电容器两端的电压与它本身的电容量成反 比。
正确 错误
7. 谐振状态下电源供给电路的功率全部消耗在电阻上。 正确 错误
8. 三相交流电源是由频率相同、最大值相等、相位彼此互差 120°的三个单个交流电源按一定 方式组合起来的。
正确 错误
9. 因为 36 V 是安全电压,所以在任何情况下,人体触及该电路都不致遇到危险。 正确 错误
10. PN 结的单向导电性,就是 PN 结正向偏置时截止,反向偏置时导通。 正确 错误
11. 稳压管与其它普通二极管不同,其反向击穿是不可逆性的,当去掉反向电压后稳压管将不 能恢复正常。
正确 错误
12. 三极管是构成放大器的核心,模拟电路中,若要信号不失真,三极管应该工作在放大区。 正确 错误
13. 基极电流 IB 的数值较大时,静态工作点 Q 较高,接近饱和区。 正确 错误
14. 负反馈有其独特的优点,在实际放大器中得到了广泛的应用,它改变了放大器的性能。负 反馈使得放大器的闭环增益不稳定。
正确 错误
15. 滤波电路的功能是将整流后的脉动直流中的谐波分量加强,使波形变脉动。 正确 错误
16.在数字电路中,高电平和低电平是指一定的电压范围,而不是固定值。 正确 错误
17. 时序逻辑电路的输出仅和该时刻输入变量的取值有关,与电路原来的状态无关。 正确 错误
18. 电子产品安装过程中,安装顺序一般为先低后高,先轻后重,先易后难,先一般元器件后 特殊元器件。
正确 错误
19. 如果通过某一截面的磁通为零,则该截面处的磁感应强度一定为零。 正确 错误
20. 热继电器和热脱扣器的热容量较大,动作不快,不宜用于短路保护。 正确 错误
21. 板前线槽布线的工艺要求,一个端子上的连接导线不得超过两根线。 正确 错误
22. 变压器一次侧绕组接负载,二次侧接电源。 正确 错误
23. 变极调速适用于绕线异步电动机。 正确 错误
24. 三相电动机在缺一相故障状态下运行时必将造成电动机外壳带电。 正确 错误
二、单选题 (每题 3.0 分,共 102 分)
25.电荷的基本单位是( )。
A.安秒 B.安培 C.库仑 D.千克 26.当电路处于短路工作状态时,下列说法正确的是( )。
A.电路中有电流,负载吸收功率 B.电路中无电流,负载电压等于零 C.电路中有电流,负载不吸收功率 D.电路中无电流,负载电压不为零
27.将一阻值为 R 的导体,均匀的拉抻一倍长度,则阻值变为原来的( )。
A.2 倍 B.4 倍 C.1/2 倍 D.1/4 倍
28.在下图所 示 电 路 中,电 源 电 压 U = 6 V。若使电阻 R 上的电压 U1=4V,则 电 阻 R 为( )。
A.2Ω B.4Ω C.6Ω D.8Ω
29.某电路有 3 个节点和 7 条支路,采用支路电流法求解各支路电流时, 应列出电流方程和电压方程的个数分别为( )。
A.3,4 B.4,3 C.2,5 D.4,7
30.两个电阻串联,R1/R2=1/2,总电压为 60V,则 U1 的大小为( )。
A.10V B.20V C.30V D.40V
31.如图所示,通电导体受力方向为( )。
A.垂直向上 B.垂直向下
C.水平向左 D.水平向右
32.在仅有电感和电容串联的正弦交流电路中,消耗的有功功率为( )。
A.UI B.I2X C.0 D.都不对
33.一个交流 RC 串联电路,已知 UR=6V,UC=8V,则总电压等于( )伏。
A.14 B.12 C.10 D.都不对
34.处于谐振状态的 R-L-C 串联电路,当电源频率降低时,电路呈( )。
A.电感性 B.电容性 C.电阻性 D.无法确定 35.在电源电压不变时,同一对称负载,Y 联接时的相电压是 Δ 联接时相电压的( )。
A.1/3 倍 B.1/ 3 倍 C. 3 倍 D. 3 倍
36.对称三相电源各线电压在相位上比各对应的相电压( )。
A.超前 30O B.超前 120O C.滞后 30O D.滞后 120O
37. 家庭电路中,造成电流过大的原因不可能的是( )。
A.火线与零线短路 B.用电器断路
C.接入了大功率的用电器 D.多台空调同时启动 38. 触电急救时,首先要使触电者迅速( ),越快越好。
A.通畅气道 B.人工呼吸
C.胸外按压 D.脱离电源
39.测得晶体二极管的正极对地电位是-6V,负极对地电位是-2V,则该晶体二极管处于( )。
A.反偏 B.正偏 C.零偏 D.不可判断 40. 当温度升高时,二极管的反向饱和电流将( )。
A.增大 B.减小 C.不变 D.不一定 41. 三极管电流放大倍数 β 值是反映( )。
A.电压控制电压能力的参数 B.电流控制电流能力的参数 C.电压控制电流能力的参数 D.电流控制电压能力的参数
42. 在共射极放大电路中,其输出信号与输入信号的波形相位差为( )度。
A.0 B.90 C.45 D.180
43. 已知某三极管的 C 、B 、E 三个电极电位为 9V,2.3V,2V,则可判断该三极管的类型及 工作状态为( )。
A.NPN 型,放大状态 B.PNP 型,截止状态
C.NPN 型,饱和状态 D.PNP 型,放大状态 44. 集成运放具有很高的开环电压放大倍数,这得益于( )。
A.输入级常采用差分放大器 B.中间级由多级直接耦合放大器构成 C.输出级常采用射极输出器 D.中间级由多级阻容耦合放大器构成
45. 欲减小放大电路从信号源索取的电流,增大带负载能力,应在放大电路中引入( )。
A.电压串联负反馈 B.电压并联负反馈
C.电流串联负反馈 D.电流并联负反馈 46. 三端集成稳压器 CXX7805 的输出电压是( )。
A.0V B.5V C.-5V D.78V
47. 在门电路中,通常所说的“有 1 出 0,全 0 出 1”,它是指( )的功能。
A.非门 B.与门 C.与非门 D.或非门
48. JK 触发器是一种功能齐全的触发器,当 J=K=1 时,实现( )功能。
A.置 0 B.置 1 C.保持 D.计数(翻转)
49. 数字式万用表转换开关置于“欧姆”量程时( )。 A.红表笔是正极,黑表笔是负极 B.红表笔是负极,黑表笔是正极
C. 红表笔,黑表笔都没有接内电源
D. 红表笔,黑表笔都是正极
50. 钳形电流表的主要优点是( )。
A.准确度高 B.灵敏度高
C.功率损耗小 D.不必切断电路即可以测量电流
51. 某用户跟电工反映:“家里的电器都不能工作”, 电工到她家用验电笔检查发现,检测 到火线和零线验电笔都是亮的,请你准确判断电路的故障是( )。
A.漏电 B.进户 L、N 线短路
C.进户 L 线断路 D.进户 N 线断路
52. 电气原理图中,文字符号 KA 代表电气元件名称是( )。
A.接触器 B.欠电压继电器 C.中间继电器 D.速度继电器
53. 交流接触器短路环的作用是( )。
A.短路保护 B.消除铁芯振动 C.增大铁芯磁通 D.减少铁芯磁通 54.与热继电器相比,熔断器的动作延时( )。
A.短得多 B.差不多 C.长一些 D.长得多 55.一台单相变压器 I2 为 20A,N1 为 200 匝,,N1 为 20 匝,则初级电流 I1 为( )A。
A.40 B. 20 C. 10 D. 2
56.一台三相异步电动机铭牌上标明 50Hz,转速 960 转/分,则该电动机的极数是( )。
A.8 B.6 C.4 D.2 57. 下列控制线路若按 SB1 能实现正常启动的是( )。
A
B
C
D
58.电气设备铭牌上的绝缘等级属于( )等级。
A.抗潮湿 B.抗霉菌 C.耐击穿 D.耐热
附件 2
(满分 340 分,考试时间 150 分钟)
考场规则:
1.考试总时长为 150 分钟(包含更换元器件、答题、通电演示及现场恢复),前 120 分钟为供电时 间,不限单个项目用时。断电铃声响,考生应立即停做用电项目,并继续完成卷面技能题和现场恢 复。此时已完成电路还需通电演示的考生,可举手示意,考评员登记并给予通电考评一次(不受断 电影响)。
2.开考后 30 分钟内须检测实操板上已安装部分线路及所用器材,若有故障,可提出更换。考试过 程确因客观因素导致考试时间受损,考生须现场提出,由考评员和协考员据实际情况作相关处理并 作记录。现场未提出异议视为正常。
3.不得将 PCB 板上的防伪标签撕掉,现场提供芯片仅用作测试,不得将其焊接到板上。
4.照明线路按安全规范要求选用线色,不要求做针线鼻及标号。
5.电气控制电路安装主、控回路导线分别用红色和蓝色,要求做针线鼻及标号。
6.完成单个项目的考生须举手示意,考评员评分(照明和电气板考生不得独自通电,3 个项目不许 集中检测)。 7.现场恢复是要求考生将考位恢复原样,拆除自接导线(不得拆卸板上原有的器件与导线)。并将 拆下导线分类整理成线扎。若现场或考后查出考生人为故意设障、破坏考场器材将取消考生实操考 试成绩。
一、 电子产品制作与调试(90 分)
图 1
1.安装电路(65 分)
要求使用单股导线在万能板上安装焊接图 1 所示的电路,元件清单见元件包上所示,并在元 件包内挑选三极管来完成电路。
2.验证电路(15 分) 测试电路用现场提供专用测试芯片板,要将它插(不得焊)入电路的 IC 底座。要求按照电
路图连接电源,按表中要求操作按键进行调试,考生先自测试,再请考评员记载评分(只能演示
1 次)。
3.安全文明操作(10 分)
二、测量技能与电路综合分析(100 分)
考试内容由考生报名时决定: A 电气方向(A1+A2)或 B 电子方向(B1+B2) A1.按要求在照明配电实操板上进行相关实操。(50 分) 请按安全用电技术规范要求选用导线颜色,并完成在总控 QF1 之下 2 条支路控制线路的安装
与调试(电源插头、电度表及总空开 QF1 已接线)。
(1)QF2 控制:双控开关 SA 控制单相电机 M 的正转和反转。
(2)QF3 控制:XS 插座。
A2.电路原理如图 2-A 所示,根据原理图完成以下项目。(50 分) 根据如图 2 所示电路原理图完成以下项目。
1.分析原理:从备选项中将正确结果所对应的序号填入答题卷对应表格。(20 分)
图 2
备选项
2.标线号:将下图中字母对应的线号填入答题卷对应表格。(10 分)
3.分析故障:将字母所对应的故障序号填入答题卷对应表格(单选)。(20 分)
B1.测量技能(50 分)
现场工具材料:示波器、信号源、万用表、5V 电源、12V 电源、导线。 根据考场安排,考生在指定工作台进行规定内容的测试,电路如图 2-B1 所示。
图 2-B1
(1)静态测试 VCC=12V(使用万用表测)(每空 5 分) 分别测量 A 点的电位是( A )V,C 点的电位是( B )V。
(2)调出要求的内容:在示波器的显示屏上按次序显示电压的最大值、峰峰值、频率,周期。 经过老师确认并记录完整后再进行后面的操作。(能熟练使用仪器 5 分)
(3)电路连接:信号源接电路板输入端,示波器接输出端,将电路板连接到电源上。 连接完毕后,经过老师确认并记录完整后可开始测试。(系统连接正确 5 分)
(4)在输入端 Ui 处,加上一个峰峰值为 70mV(示波器上测出的值),频率 3KHz 的正弦 信号。用示波器测量输出端 Uo 处的最大值电压为( C )V,频率是( D ) KHz,电压放大倍数 为( E )。(每空 5 分)
(5)在输入端 Ui 处,加上一个峰峰值为 110mV(示波器上测出的值),频率 2KHz 的正弦 信号。用示波器测量输出端 Uo 处的峰峰值电压为( F )V,周期是( G )ms。(每空 5 分)
(6)仪器使用及安全文明操作(5 分)
B2.电路原理图如图 2-B2 所示。根据原理图将正确选项代号填入表中。(单选题 10×5 分)
图 2-B2 电路原理图
(1)判断题(5*3=15 分)
(2)单选题(7*5=35 分)
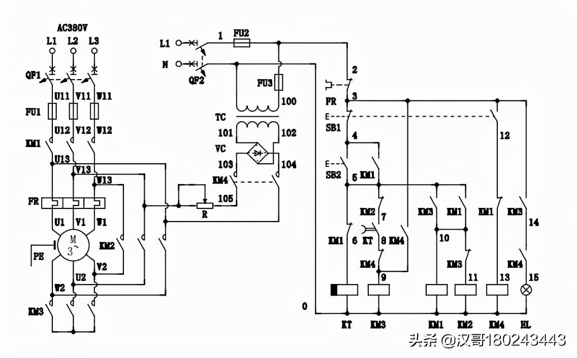
1.安装与检测电路(100 分)安装如图所示电路(举例),用 BVR 导线安装及检测。三相 电源为 AC380V,其插头(座)蓝色为零线,控制电路为 AC220V。
图 3 电机控制电路原理图(举例)
2.调试电路(30 分) 考生须举手示意,考评员核查起动电阻值无短路,可通电试车(三次内)评分。一次达标得
30 分,增加试车一次扣 10 分,短路一次扣 15 分。不得独自通电,若犯规一次扣 15 分。
3.安全文明操作(20 分)
备注:现场恢复是要求考生拆除自接导线(不得拆卸板上原有的器件与导线)考位恢复原样,并 将拆下导线整理成线扎(如现场展示)。若考生人为设置故障,经查实后则取消技能操作成绩。
附件 3
条形码粘贴处
(考生自贴)
考试记录
(请监考人用签字笔填图)
□缺考
□违纪
一、电子产品制作与调试(90 分)
1.现场操作(45 分)
2.安装工艺(本项不现场评分)
三、电路综合分析(本题不现场评分) (50 分)
1.分析原理,从备选项中将所选结果所对应的序号填写入表(20 分)
2.标线号,将字母对应的线号填写入表。(10 分)
3.分析故障,将字母所对应的故障序号填写入表(单选)(20 分)
1.电路安装(100 分)
2.通电控制功能逐项演示(30 分)
3.安全文明操作(20 分)
附件 4
一、 工具
可调温烙铁(尖头、功率 60W) 如下图所示
二、电机
三、电力拖动实训示意板及已接部分线路、及器材(按钮不固定在板子上)
按钮内部如下图所示
四、配电及照明电路实训示意板及已接部分线路
五、安装电机控制线路耗材
六、仪表
七、示波器
1. DS1000Z 系列数字示波器
2. SDS1000CML 系列数字示波器
八、函数信号发生器
1. SDG800 系列函数信号发生器
2. DG1000Z 系列函数信号发生器
版权声明:我们致力于保护作者版权,注重分享,被刊用文章【湖北省技能高考(2022年湖北省技能高考技能考试大纲)】因无法核实真实出处,未能及时与作者取得联系,或有版权异议的,请联系管理员,我们会立即处理! 部分文章是来自自研大数据AI进行生成,内容摘自(百度百科,百度知道,头条百科,中国民法典,刑法,牛津词典,新华词典,汉语词典,国家院校,科普平台)等数据,内容仅供学习参考,不准确地方联系删除处理!;
工作时间:8:00-18:00
客服电话
电子邮件
beimuxi@protonmail.com
扫码二维码
获取最新动态
