一般来说,网络分析任何结构化技术用于数学分析电路互连组件(一个“网络”)。 技术员或工程师经常会遇到电路包含多个能源或组件配置藐视简化的串联/并联分析技术。 在这种情况下,他或她将被迫使用其他手段。 本章提供了一些有用的技术分析等复杂的电路。
来说明即使是一个简单的电路可以藐视分解成串联和并联部分的分析,从这个串并联电路:
分析上面的电路中,人会首先找到相当于R2和R3同时,然后添加R1串联到达总阻力。 然后,电池的电压1与电路总电阻,电流可以计算通过使用欧姆定律(I = E / R),那么,目前的数字电路中用于计算电压降。 总之,一个相当简单的过程。
然而,只是多一个电池的加入能改变所有的:
电阻R2和R3不再相互并行,因为B2已经插入R3分支电路的。 细看它出现没有两个电阻在电路中直接相互串联或并联。 这是我们的问题的症结所在:在串并联的分析中,我们开始通过识别套电阻是直接在彼此串联或并联,减少单一的等效电阻。 如果没有在一个简单的串联或并联电阻相互配置,那么我们能做些什么呢?
应该清楚,这个看似简单的电路,只有三个电阻,是不可能减少组合简单级数和简单的并行部分:它是完全不同的东西。 然而,这并不是唯一类型的电路无视串联/并联分析:
这里我们有一个桥接电路,为了示例中,我们将假设不平衡(比R1/ R4不等于比R2/ R5)。 如果它是平衡的,无电流通过R3,它可以接近串联/并联组合电路(R1——R4/ / R2——R5)。 然而,任何电流R3串联/并联分析是不可能的。 R1不是与R系列4因为还有另一个路径电子流过R3。 都是R2与R系列5出于同样的原因。 同样,R1不是与R2因为R3是他们底导致分离。 都是R4与R5。 Aaarrggghhhh !
尽管它可能不明显的在这一点上,问题的核心是多个未知数量的存在。 至少在电路串联/并联组合,有一种方法找到总阻力和总电压、总离开当前作为一个未知值计算(然后,目前被用来满足还原过程中未知变量,直到整个电路可以分析)。 这些问题,超过一个参数(变量)是未知的电路简化在最基本的层面上。
两家电池电路,没有办法到达一个值为“总阻力,”因为有两个电源提供电压和电流(我们需要两个“总”电阻,以推进任何欧姆定律计算)。 不平衡电桥电路,有一种东西,总电阻在一个电池(为计算的总电流)铺平了道路,但这总电流立即分裂成未知比例两端的桥,所以没有进一步欧姆定律计算电压(E = IR)可以执行。
所以我们能做什么当我们面对多个未知数的电路? 答案是最初发现在数学过程称为联立方程或系统的方程多个未知变量,即解决了他们彼此在多个相关方程。 在一个场景中只有一个未知的(如每欧姆定律方程我们迄今为止处理),只需要有一个方程求解单一未知:
然而,当我们解决多个未知值,我们需要相同数量的方程我们未知数为了达成解决方案。 有几种方法解联立方程,所有而恐吓和本章的解释太复杂。 然而,许多科学和可编程计算器能够同时求解未知数,所以推荐使用这样一个计算器的时候第一次学习如何分析这些电路。
这不是看起来那么可怕。 相信我!
稍后我们将看到,一些聪明的人发现技巧来避免使用联立方程这些类型的电路。 我们称这些技巧网络定理,我们将探讨一些在本章后面。
点评:一些电路配置(“网络”)不能解决减少根据串联/并联电路的规则,由于多个未知值。数学技术来解决多个未知数(称为“联立方程”或“系统”)可以应用于解决网络电路的基本法律。第一个也是最简单的网络分析技术被称为支路电流法。 在这种方法中,我们假设网络中电流的方向,然后写方程描述它们之间的相互关系通过基尔霍夫和欧姆定律。 一旦我们有一个方程对每一个未知的电流,我们可以解联立方程并确定所有电流,因此网络中所有的电压降。
让我们使用这个电路说明方法:
第一步是选择一个节点(结线)电路中使用的参考点我们未知的电流。 我将选择的节点加入R的权利1,R2,左边的R3。
在这个节点,猜哪个方向三个电线的电流,当我标记的三个电流1,我2,我3,分别。 记住,这些电流方向是投机在这一点上。 幸运的是,如果事实证明我们的猜测是错误的,我们将知道当我们在数学上求解电流(任何“错误”目前的方向将显示为负数在我们的解决方案)。
基尔霍夫电流定律(氯化钾)告诉我们,电流的代数和进入和退出一个节点必须等于零,所以我们可以联系这三个电流(I1,我2,我3)在一个方程。 为了约定,我会表示任何电流进入节点的积极迹象,任何电流退出节点作为负面迹象:
下一步是标签根据假定所有电压降极性电阻电流的方向。 记住,“上游”的电阻器永远是负面的,和“下游”的电阻正彼此,因为电子带负电荷的:
电池极性,当然,保持他们根据他们的象征(短期负面,长期积极的)。 可以如果电阻的电压降的极性与极性不匹配最近的电池,只要电阻电压极性正确是基于假定的电流方向。 在某些情况下,我们可能会发现,当前将迫使向后通过一个电池,造成这种效果。 重要的是记住是你所有的电阻极性和随后的计算基于当前(s)最初的方向。 如前所述,如果你的假设是不正确的,这将是明显一旦解决了方程(通过消极的解决方案)。 然而,解决方案的大小将仍然是正确的。
基尔霍夫电压定律(在任一瞬间)告诉我们,在一个循环中所有电压的代数和等于零,所以我们可以创造更多的方程(我与当前条件1,我2,我3为我们的联立方程)。 获得一个在任一瞬间方程,我们必须记录电压电路的滴在一个循环中,好像我们与真正的电压表测量。 我会选择先跟踪这条赛道的左循环,从左上角开始,逆时针移动(起点和方向的选择是任意的)。 结果是这样的:
已完成跟踪左循环的,我们把这些电压指示为零的总和:
当然,我们还不知道什么是电压在R1或者R2,所以我们不能将这些值插入到方程数值数据。 然而,我们做知道这三个电压代数增加必须为零,因此,方程是正确的。 我们可以更进一步,未知电压表示为相应的未知电流(我的产物1和我2后)和各自的电阻,欧姆定律(E = IR),以及消除0项:
因为我们知道欧姆电阻的值,我们可以把这些数据代入方程简化一些:
您可能想知道为什么我们经历的所有麻烦操纵这个方程从其最初形式(-28 + ER2 + ER1)。 毕竟,过去两届仍然是未知的,所以有什么优势来表达他们的未知的未知电压或电流(乘以电阻)? 这样做的目的是让在任一瞬间方程表示使用同样的未知变量的氯化钾方程,这是一个必要的要求任何联立方程的解决方案的方法。 为三个未知电流(我解决1,我2,我3),我们必须有这三个相关的三个方程电流(不电压)在一起。
相同的步骤应用到正确的电路的回路(从所选的节点和移动逆时针),我们得到另一个在任一瞬间方程:
知道现在,可以和每个电阻器的电压应该是表示为相应的电流的乘积和每个电阻器的阻力(已知),我们可以重写方程:
现在我们有一个数学三个方程组(一个氯化钾方程和两个在任一瞬间方程)和三个未知数:
对一些方法的解决方案(特别是涉及一个计算器的方法),它有助于表达每一个未知的词在每个方程,与任何等号右边的恒定值,和任何“团结”条款与显式表示系数1。 重写方程,我们有:
使用任何可用的解决方案技术对我们来说,我们应该得出一个解决方案三个未知的当前值:
所以,我15安培,我呢2是4安培,我呢3是一个- 1安培。但目前“负面”是什么意思? 在这种情况下,它意味着我们的假定方向我3是相反的真正的方向。 回到原来的电路,我们可以为我重新绘制当前箭头3(先和R的极性3的电压降来匹配):
注意电流通过电池被向后推2(电子流动的“向上”)由于高电压电池1(其电流指出“向下”,因为它通常会)! 尽管电池B2的极性正试图推动电子的分支电路,电子被迫向后通过它由于电压的电池优越B1。 这是否意味着更强的电池总是“赢”和较弱的电池总是经常被迫通过向后? 不! 这实际上取决于电池的相对电压和电路中电阻的值。 唯一确定的方法来确定发生了什么是数学上花时间去分析网络。
现在我们知道所有电流电路的大小,我们可以计算所有电阻的电压降和欧姆定律(E = IR):
现在让我们分析这个网络使用香料来验证我们的电压数据。(spi)我们可以分析当前与香料,但由于需要的额外组件插入电路,因为我们知道,如果电压都是一样的,所有的电阻相同,电流必须都是相同的,我将选择不那么复杂的分析。 这是无可厚非的电路,完成节点编号为香料参考:
network analysis example
v1 1 0
v2 3 0 dc 7
r1 1 2 4
r2 2 0 2
r3 2 3 1
.dc v1 28 28 1
.print dc v(1,2) v(2,0) v(2,3)
.end
v1 v(1,2) v(2) v(2,3)
2.800E+01 2.000E+01 8.000E+00 1.000E+00果然,电压的数据都是一样的:20伏在R1(节点1和2),8伏特的R2(节点2和0),1伏在R3(节点2和3)。注意所有这些迹象的电压数据:他们都是积极的价值观! 香料的极性是依据节点的顺序列出,第一个节点是积极和第二个节点负的。 例如,图之间的正(+)20伏节点1和2意味着节点1是正对节点2。 如果图-香料分析出来,我们就会知道我们的实际的极性是“向后”对节点(节点1 - 2)。检查香料中的节点订单清单,我们可以看到,极性所有匹配通过分支电流的分析方法。
点评:步骤的“分支电流”的方法分析:(1)选择一个节点和方向的电流。(2)编写一个氯化钾电流在节点相关的方程。(3)标签电阻压降基于假定电流的极性。(4)写在任一瞬间每个电路的回路方程,用红外产品代替E在每个电阻器的方程。(5)求出未知的分支电流(联立方程)。(6)如果任何解决方案都是负的,那么该解决方案的假设电流方向是错的!(7)求解所有电阻的电压降(E = IR)。的网目前的方法,也被称为回路电流法非常相似,分行现行的方法,它使用联立方程,基尔霍夫电压定律和欧姆定律来确定网络中未知的电流。 与分支电流方法的不同之处在于,它不使用基尔霍夫电流定律,它通常能解决电路少未知变量和联立方程,这尤其好如果你不得不解决没有计算器。
让我们看看这种方法适用于相同的示例问题:
网当前方法的第一步是确定电路包括所有组件内的“循环”。 在我们的示例中,循环由B1, R1R2将第一个而形成的循环B2, R2R3将第二个。 最奇怪的部分网目前的方法是想象的循环电流在每个循环。 事实上,这种方法得名的想法这些水流循环像套旋转齿轮之间的啮合在一起:
每个电流的方向是完全任意的选择,就像在分支电流方法,但得到的方程更容易解决,如果电流会通过交叉组件(注意电流方向相同1和我2都是“通过电阻R”呢2,在那里他们“网格”,或相交)。 如果认为网电流方向是错误的,当前的答案会有负面价值。
下一步是标签根据假定所有电压降极性电阻网电流的方向。 记住,“上游”的电阻器永远是负面的,和“下游”的电阻正彼此,因为电子带负电。 电池极性,当然,是由他们的符号方向图,而且可能或不可能“同意”与电阻器极性(假定当前方向):
使用基尔霍夫电压定律,我们可以现在步骤在每一个循环,生成方程代表组件的电压降和极性。 与分支电流方法,我们将表示电阻的电压降的产品电阻(欧姆)和各自的网电流(此时,数量未知)。 两个电流交织在一起时,我们会写这个词和电阻电流是方程吗总和两个啮合的电流。
跟踪的左循环电路,从左上角开始,逆时针(起点和方向的选择最终无关),计算极性,如果我们有一个电压表,红丹的石墨在背后的点,我们得到这个方程:
注意中间的方程使用网电流的总和我1和我2电流通过电阻R2。 这是因为我网电流1和我2要通过R同一个方向吗2,因此是相辅相成的。 分配系数2的我1和我2条款,然后结合我1条件的方程,我们可以简化:
在这个时候我们有一个方程两个未知数。 能够解决两个未知网电流,我们必须有两个方程。 如果我们跟踪回路的电路,我们可以获得另一个在任一瞬间方程和有足够的数据来解决两个电流。 生物我的习惯,我从左上角开始手对循环和跟踪逆时针的角落:
简化方程,我们得到:
现在,有两个方程,我们可以用几种方法之一我数学上求解未知的电流1和我2:
知道这些解决方案是值的网电流,而不是分支电流,我们必须回到我们的图,看看他们组合在一起给电流通过所有组件:
我的解决方案1安培2意味着我们最初认为电流方向是不正确的。 实际上,我2流动在一个逆时针方向(积极)1安培的价值:
这种变化的电流方向是什么首先假定将改变极性的电压降在R2和R3由于目前我2。 从这里,我们可以说,当前通过R15安培,R上的电压降1电流和电阻的乘积(E = IR), 20伏(右边左边的积极的和消极的)。 同时,我们可以安全地说,当前通过R3是1安培,1伏特的电压降(E = IR),左边的积极和消极的在右边。 但什么是发生在R2吗?
网目前的我1通过R是“上”吗2,而网现在的我2通过R是“向下”吗2。 确定实际电流R2我,我们必须看看网电流1和我2互动(在这种情况下,他们在反对),和代数将它们添加到到达最后一个值。 自从我1《飞屋环游记》在5安培,和我吗2“下来”1安培,真正的电流通过R2必须是一个值的4安培,“:”
4安培的电流通过R22Ω的阻力让我们8伏特的电压降(E = IR),积极的顶部和底部负。
网当前分析的主要优点是,它通常允许解决方案的大型网络未知值更少和更少的联立方程。 我们的示例问题采取三个方程来解决当前分支方法使用当前网格方法,只有两个方程。 这个优势是更大的网络复杂性的增加:
为了解决这个网络使用分支电流,我们必须建立五个变量占电路中每一个独特的电流(I1通过我5)。 这将需要五个方程解,两个氯化钾方程的形式和三个在任一瞬间方程(两个方程为氯化钾节点,和三个方程在任一瞬间在每个循环):
我想如果你没有更好的与你的时间比与五个方程求出五个未知变量,你可能不介意使用分支电流电路的分析方法。 对于我们这些有与我们的时间更重要的事情要做,网目前的方法更加简单,只需要三个未知数和三个方程来解决:
少方程使用是一个决定的优势,尤其是在执行手工联立方程的解决方案(没有计算器)。
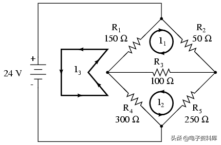
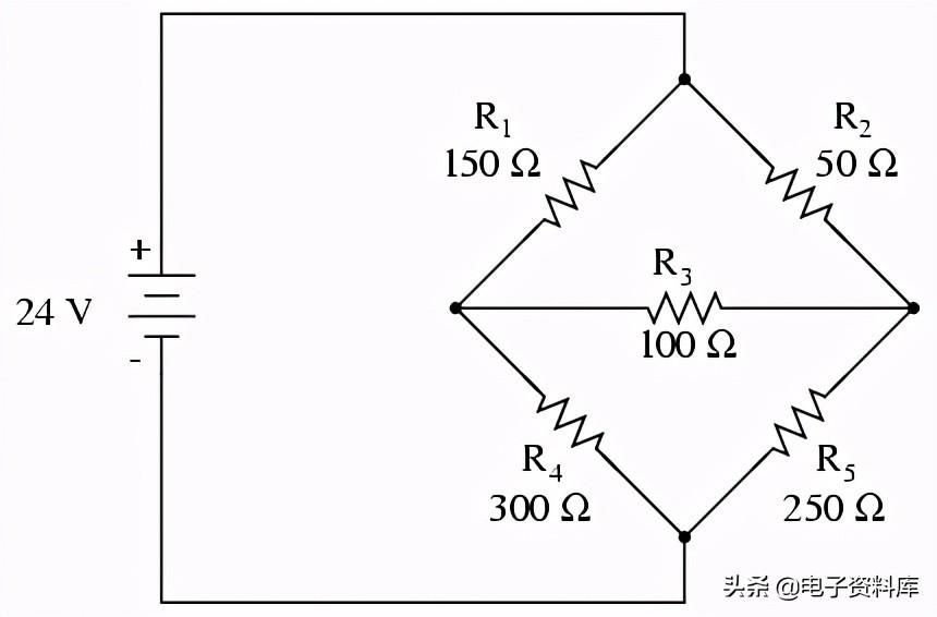
另一种类型的电路,非常适用于网目前是惠斯登电桥不平衡。 把这个电路,例如:
自R的比率1/ R4和R2/ R5是不平等的,我们知道会有电压电阻R3,一定量的电流。 讨论这一章的开始,这种类型的电路是由正常的不可约串并联分析,并可能只是分析了一些其他方法。
我们可以应用这个电路的支路电流法,但它需要六个电流(我1通过我6),导致非常大的一组联立方程来解决。 使用当前网格方法,不过,我们可以解出所有的电流和电压,减少变量。
网当前方法的第一步是绘制足够的网状电路中电流占所有组件。 看着我们的桥接电路,它应该是显而易见的,将两种电流:
当然,这些网电流的方向是任意的。 然而,有两个网电流在这个电路是不够的,因为没有我1和我2通过电池。 所以,我们必须添加第三个网,我3:
在这里,我选择了我3从底部的电池循环,通过R4通过R1,回到顶部的电池。 这不是我能选择的唯一道路3,但它似乎是最简单的。
现在,我们必须把电阻压降极性,之后每个假设电流的方向:
注意这里非常重要:电阻R4,各自的网电流的极性不同意。 这是因为那些网电流(I2和我3)会通过R4在不同的方向。 这并不排除使用网目前的分析方法,但它确实使它复杂化。 虽然之后,我们将介绍如何避免R4当前的冲突。 (见下面的例子)
生成一个在任一瞬间方程循环桥的顶部,从顶部开始节点和跟踪在顺时针方向:
在这个方程中,我们代表了常见的电流的方向总结通过常见的电阻。 例如,电阻R3值为100Ω,有其电压降代表在上述100(我在任一瞬间方程的表达式1+我2我),因为这两种趋势1和我2通过R3从右到左。 同样的可能对电阻R说1,其压降表达式显示为150(我1+我3),因为我1和我3从下到上通过电阻,因此工作在一起产生电压降。
生成一个在任一瞬间方程桥的底部循环将不会那么容易,因为我们有两个电流通过电阻R4。 这是怎么做(从右边开始节点,和跟踪逆时针):
注意第二项方程的原始形式的电阻R4值为300Ω乘以区别我之间2和我3(我2——我3)。 这就是我们如何代表两网电流的综合效应相反的方向通过相同的组件。 选择合适的数学符号是非常重要的:300(我2——我3)并不意味着同样的事情在300年(我3——我2)。 我选择写300(我2——我3)因为我想首先我2的效果(创建一个积极的电压降,与一个虚拟电压表测量R4、红铅在底部和顶部黑铅),其次我3的效果(创建一个负电压下降,红铅在底部和顶部黑铅)。 如果我认为我3首先,我的影响2的影响其次,拿着我的虚拟电压表领导在同一位置在底部和黑色(红色),应该是-300(我的表达式3——我2)。 请注意,这个表达式是在数学上等价于第一个:+ 300(我2——我3)。
负责两个方程,但我仍然需要第三个方程来完成我的联立方程的一组三个变量,三个方程。 这第三个方程还必须包括电池的电压,而到目前为止没有出现在两个前在任一瞬间方程。 生成这个方程,我会再跟踪一个循环与我想象的电压表从电池的底部(负面)终端,步进顺时针(再一次,我一步是任意的方向,和不需要网电流的方向一样,循环):
解我1,我2,我3我们喜欢使用任何联立方程方法:
例子:
使用八度为我找到解决方案1,我2,我3从上面的方程的简化形式。(octav)
解决方案:
在八度,一个开源的Matlab®克隆,系数输入到一个矩阵方括号之间用逗号分隔列元素,和行分号分隔。(octav)输入电压为列向量:b。未知电流:我1,我2,我3计算了命令:x = A \ b。 这些都是包含在x列向量。
octave:1>A = [300,100,150;100,650,-300;-150,300,-450]
A =
300 100 150
100 650 -300
-150 300 -450
octave:2> b = [0;0;-24]
b =
0
0
-24
octave:3> x = A\b
x =
-0.093793
0.077241
0.136092到达我的负面价值1告诉我们网目前的假设的方向是不正确的。 因此,实际的当前值在每个电阻器是这样:
计算电压降穿过每个电阻:
一种香料仿真证实了我们的电压计算的准确性:(spi)
unbalanced wheatstone bridge
v1 1 0
r1 1 2 150
r2 1 3 50
r3 2 3 100
r4 2 0 300
r5 3 0 250
.dc v1 24 24 1
.print dc v(1,2) v(1,3) v(3,2) v(2,0) v(3,0)
.end
v1 v(1,2) v(1,3) v(3,2) v(2) v(3)
2.400E+01 6.345E+00 4.690E+00 1.655E+00 1.766E+01 1.931E+01(一)目前我找到一个新的路径3不产生任何电阻相比,我矛盾的极性1或者我2。 R4是出错的组件。 (b)为我找到价值观1,我2,我3。 (c)找到五个电阻电流和比较之前的值。
解决方案:(天地)
(一)我的路线3通过R5, R3和R1如图所示:
注意,R上的冲突的极性4被移除。 此外,没有其他的电阻有冲突的极性。
(b)八度,一个开源(免费)matlab克隆,收益率网电流矢量在“x”:(octav)
octave:1> A = [300,100,250;100,650,350;-250,-350,-500]
A =
300 100 250
100 650 350
-250 -350 -500
octave:2> b = [0;0;-24]
b =
0
0
-24
octave:3> x = A\b
x =
-0.093793
-0.058851
0.136092我不是所有的电流1,我2,我3(我是相同的吗2与前面的桥),因为不同的循环路径 然而,电阻电流比较前面的值:
IR1 = I1 + I3 = -93.793 ma + 136.092 ma = 42.299 ma
IR2 = I1 = -93.793 ma
IR3 = I1 + I2 + I3 = -93.793 ma -58.851 ma + 136.092 ma = -16.552 ma
IR4 = I2 = -58.851 ma
IR5 = I2 + I3 = -58.851 ma + 136.092 ma = 77.241 ma由于电阻电流与前面的值是相同的,电阻电压是相同的,不需要重新计算。
点评:“网当前步骤”的方法分析:(1)画网格电流在电路回路,足以占所有组件。(2)标签电阻压降极性基于假定网电流的方向。(3)编写在任一瞬间每个电路的回路方程,用E的产品红外光谱在每个电阻器的方程。 两个网电流通过一个组件相交,表达当前的代数和这两个网电流(即我吗1+我2)如果电流通过该组件相同的方向。 如果不是,表达当前的差异(例如我1——我2)。(4)求出未知网电流(联立方程)。(5)如果任何解决方案都是负的,那么假设电流方向错了!(6)代数增加网电流中找到当前组件共享多个网电流。(7)求解所有电阻的电压降(E = IR)。我们来看第二个“网电流法”与逆时针运行的所有电流(公约)。 写作的动机是为了简化网格方程忽略电阻压降的极性。 然而,我们必须注意极性的电压源对假定当前的方向。 电阻电压降的符号将遵循一个固定的模式。
如果我们编写一组常规网格当前为下面的电路方程,我们做注意电阻的电压降的迹象,我们可以重新排列系数在一个固定的模式:
重新安排后,我们可以通过检查写方程。 系数的符号遵循一个固定的模式在上面的一对中,或三个下面的规则的集合。
网目前的规则:该方法假定电子流(而不是传统的电流)电压源。 取代任何电流源并联电阻的等效电压源串联等效电阻。忽略电阻电流方向或电压极性,逆时针画当前循环遍历所有组件。 避免嵌套循环。写电压定律方程的未知电流电流:我1,我2,我3。 方程1系数方程,方程系数2,3系数是积极的电阻在各自的循环。所有其他的系数是负的,代表抵抗常见的循环。 方程1系数2是电阻常见循环1和2,3电阻常见循环系数1一3。 重复其他方程系数。+ (R的循环1)之和1我(常见的R循环1 - 2)2我(常见的R循环1 - 3)3 = E1我(常见的R循环1 - 2)1+ (R的循环2)之和2我(常见的R循环2 - 3)3 = E2我(常见的R循环1 - 3)1我(常见的R循环2 - 3)2+ (R的循环3)之和3 = E3右边的方程等于任何电子电流电压源。 电压上升的逆时针认为当前是正的,没有电压源和0。解决网电流方程:我1,我2,我3。 求解电流通过单个电阻与氯化钾。 求出电压与欧姆定律和在任一瞬间。尽管上述规则具体三个网状电路,规则可能会扩展到小的或大的网格。 下图说明了规则的应用。 三个电流都是在同一个方向,逆时针方向。 在任一瞬间方程写为每个三个循环。 请注意,没有极性的电阻。 我们不需要它来确定系数的符号。 但我们需要注意极性电压源对电流的方向。 我的3逆时针当前遍历24 v来源(+)(-)。 这是一个为电子电流电压升高。 因此,第三个方程右手边是+ 24 v。
系数在八度,输入到一个矩阵与逗号分隔列元素,和行分号分隔。 输入电压为列向量b。求出未知的电流:我1,我2,我3命令:x = A \ b。 这些电流中包含x列向量。 积极的价值观表明三个网格中所有流电流逆时针方向。
octave:2> A=[300,-100,-150;-100,650,-300;-150,-300,450]
A =
300 -100 -150
-100 650 -300
-150 -300 450
octave:3> b=[0;0;24]
b =
0
0
24
octave:4> x=A\b
x =
0.093793
0.077241
0.136092网电流匹配前面的解决方案由不同网格当前方法. . 电阻电压和电流的计算将会与前面的解决方案。 这里没有需要重复。
注意,电气工程文献都是基于传统的电流。 洋流,网络电流方法的文本将假定的网格运行电流顺时针方向。(西元)传统电流流出的(+)终端通过电路、电池返回到(-)终端。 传统的电流电压上升对应跟踪假定电流从(-)(+)通过任何电压源。
前一个电路的一个例子。 周围的电阻回路1 6Ω,周围循环2:3Ω。 这两个回路的电阻常见是2Ω。 请注意我的系数1和我2的两个方程。 跟踪以为逆时针循环1电流B1(+)和(-)对应于一个电子电流电压上升。 因此,28 V的符号是正的。 循环2反时针假定当前的痕迹(-)通过B (+)2电压降。 因此,B的迹象2是负的,7二啮合方程。 再一次,没有极性标记在电阻上。 他们也没有图进入方程。
我的潮流1= 5,和我2= 1都是积极的。 他们都流的方向逆时针循环。 相比之下,以前的结果。
简介:修改网络电流的方法避免了在确定方程系数的符号绘制所有网电子电流的电流逆时针。然而,我们需要确定任何电压源回路的迹象。 电压源是正的,如果认为公约与电池电流(来源)。 符号是负的,如果认为公约对电池电流。有关详细信息,请参阅上面的规则。节点电压的方法分析解决未知电压在电路节点的氯化钾方程组。 这个分析是奇怪的,因为它涉及到用等效电流源代替电压源。 在欧姆电阻值也取代了等效电导在西门子,G = 1 / R。 西门子(S)是单位的电导,取代了姆欧单位。 在任何事件S =Ω-1。 和S =姆欧(过时的)。
我们开始与传统的电压源电路。 一个常见的节点E0选择作为一个参考点。 节点电压E1和E2计算对这一点。
一个电压源与电阻串联必须更换由等效电流源并联电阻。 我们将为每个节点编写氯化钾方程。 等式的右边的值是当前的源节点。
更换电压源和相关的串联电阻和等效电流源并联电阻收益率修改后的电路。 替代电阻电导在西门子欧姆的电阻。
I1 = E1/R1 = 10/2 = 5 A
I2 = E2/R5 = 4/1 = 4 A
G1 = 1/R1 = 1/2 Ω = 0.5 S
G2 = 1/R2 = 1/4 Ω = 0.25 S
G3 = 1/R3 = 1/2.5 Ω = 0.4 S
G4 = 1/R4 = 1/5 Ω = 0.2 S
G5 = 1/R5 = 1/1 Ω = 1.0 S平行电导(电阻)可以结合电导的增加。 不过,我们不会重新绘制电路。 节点电压的电路已经准备好应用方法。
GA = G1 + G2 = 0.5 S + 0.25 S = 0.75 S
GB = G4 + G5 = 0.2 S + 1 S = 1.2 S 推导一般节点电压法,我们写一对氯化钾方程的未知节点电压V1和V2这一次。 这样做是为了说明写作模式方程的检验。
GAE1 + G3(E1 - E2) = I1 (1)
GBE2 - G3(E1 - E2) = I2 (2)
(GA + G3 )E1 -G3E2 = I1 (1)
-G3E1 + (GB + G3)E2 = I2 (2)
最后对方程的系数高于已经重新安排显示模式。 电导之和连接到第一个节点是积极的第一电压系数方程(1)电导之和。连接到第二个节点是积极的第二电压系数方程(2),其他的系数是负数,表示节点之间的电导。 对于这两个方程,右边等于相应的电流源连接到节点。 这种模式允许我们快速写检查的方程。 这导致的一组规则为节点电压的分析方法。
节点电压规则:转换为电压源与电阻串联,并联电阻的等效电流源。电阻的值改为电导。选择一个参考节点(E0)分配未知电压(E1) (E2)… (EN剩余的节点。写一个氯化钾为每个节点方程1,2,… n .积极的第一电压方程系数的总和电导连接到节点。 第二电压系数在第二个方程是电导之和与该节点相连。 重复第三电压系数,第三个方程等方程。 这些系数落到一个对角线。所有其他系数方程是消极的,代表节点之间的电导。 第一个方程,第二是电导系数从节点1到节点2,第三个系数是电导从节点1节点3。 填写负系数为其他方程。方程的右边是电流源连接到相应的节点。解方程组为未知节点电压。例子:建立方程,求出节点电压使用上面的图中的数值。
解决方案:
(0.5+0.25+0.4)E1 -(0.4)E2= 5
-(0.4)E1 +(0.4+0.2+1.0)E2 = -4
(1.15)E1 -(0.4)E2= 5
-(0.4)E1 +(1.6)E2 = -4
E1 = 3.8095
E2 = -1.5476
两个方程的解可以执行一个计算器,或与八度(没有显示)。(octav) 解决方案验证与香料基于最初与电压源原理图。(spi)不过,可能是模拟电路与电流来源。
V1 11 0 DC 10
V2 22 0 DC -4
r1 11 1 2
r2 1 0 4
r3 1 2 2.5
r4 2 0 5
r5 2 22 1
.DC V1 10 10 1 V2 -4 -4 1
.print DC V(1) V(2)
.end
v(1) v(2)
3.809524e+00 -1.547619e+00一个例子。 这个有三个节点。 我们没有列出电导原理图。 然而,克1= 1 / R1等。
有三个节点写方程的检验。 请注意,方程(1)的系数是积极的E1方程(2)E2和方程(3)E3。 这些资金的电导连接到节点。 所有其他的系数是负的,代表节点之间的电导。 方程的右边是相关的电流源,0.136092只在节点1电流源。 另一个方程零右边目前缺乏资源。 我们太懒的电导计算电阻图。 因此,下标G的系数。
(G1 + G2)E1 -G1E2 -G2E3 = 0.136092
-G1E1 +(G1 + G3 + G4)E2 -G3E3 = 0
-G2E1 -G3E2 +(G2 + G3 + G5)E3 = 0
我们都很懒,我们进入倒数抗性和大笔的交互抗性八度“A”矩阵,让八度后电导计算矩阵“=”。(octav)初始入口线太长,分成三行。 这是不同于以前的例子。 输入的“A”矩阵由开始和结束方括号。 列元素空间分开。 行“新款”分离。 逗号和分号作为分隔符不需要。 不过,当前矢量在“b”是分号分隔产生一个列向量的电流。
octave:12> A = [1/150+1/50 -1/150 -1/50
> -1/150 1/150+1/100+1/300 -1/100
> -1/50 -1/100 1/50+1/100+1/250]
A =
0.0266667 -0.0066667 -0.0200000
-0.0066667 0.0200000 -0.0100000
-0.0200000 -0.0100000 0.0340000
octave:13> b = [0.136092;0;0]
b =
0.13609
0.00000
0.00000
octave:14> x=A\b
x =
24.000
17.655
19.310注意,“A”矩阵对角系数是积极的,所有其他系数是负的。
解决方案作为一个电压矢量在“x”。 E1= 24.000 V, E2 = 17.655 V, E3= 19.310 V。 这三个电压比较前面的网格当前和香料不平衡电桥的问题解决方案。 这不是巧合,电流源是故意选择收益率0.13609 24 V作为电压源的问题。
总结给定一个电导和电流源网络,节点电压的电路分析方法解决了从氯化钾为未知节点电压方程。有关详细信息,请参阅上面的规则写检查的方程。电导G的单位是西门子s电导是电阻的倒数:G = 1 / R人的研究几何应该熟悉的概念定理:一个相对简单的规则用于解决一个问题,源自一个更密集的分析使用数学的基本规则。 至少假设,任何问题在数学上可以解决通过使用简单的规则的算法(事实上,这就是现代数字计算机进行最复杂的数学计算:通过重复多周期的增加或减少某些成分!),但是人类不一致或数字计算机一样快。 我们需要“捷径”为了避免程序错误的方法。
在电网络分析,基本规则是欧姆定律和基尔霍夫定律。 虽然这些卑微的法律可能适用于分析任何电路配置(即使我们不得不采取复杂的代数处理多个未知数),有一些“捷径”的方法分析数学更容易被普通人。
与任何几何或代数定理,这些定理源于基本规则网络。 在这一章,我不打算深入研究的正式证明这些定理。 如果你怀疑他们的有效性,你总是可以实证测试通过设置示例电路和计算值使用“老”(联立方程)方法与“新”定理,答案是否一致。 他们总是应该!
米尔曼定理,电路重划一个平行的网络分支,每个分支包含一个电阻器或系列电池/电阻组合。 米尔曼定理只适用于那些可以相应地重划的电路。 这里是我们的示例电路用于最后两个分析方法:
这里是同样的电路,重划为了应用米尔曼定理:
通过考虑每个分支内的电源电压和电阻在每个分支中,米尔曼定理会告诉我们所有分支的电压。 请注意我标注电池在最右边的分支“B3“明确表示这是第三部门,即使没有“B2“电路中!
米尔曼定理只不过是漫长的方程,应用于任何电路为一组并联分支,每个分支都有自己的电压源和串联电阻:
代替实际电压和电阻数据从我们的示例电路变量的方程,我们得到如下表达式:
最终答案8伏特的电压被认为在所有并行分支,是这样的:
所有电压的极性在米尔曼定理引用相同的点。 在电路上面的例子中,我使用底部的线并联电路作为我的参考点,所以每个分支中的电压为R (281分支,0 R2分支和7 R3分支)被插入到方程为正数。 同样地,当答案出来8伏特(积极的),这意味着顶部线电路的底部是积极的对线(原参考点)。 如果电池连接向后(消极和积极的目的),分支1的电压就会进入方程-28伏特,分支3 7伏电压,以及随之而来的回答8伏特会告诉我们,顶部线是负数对底部线(初始参考点)。
求解电阻电压下降,米尔曼电压(在网络并行)必须对每个分支中的电压源相比,使用串联电压增加的原则来确定每个电阻的大小和极性电压:
求解分支电流,电阻压降可以除以各自的阻力(I = E / R):
电流的方向每个电阻器是由每个电阻器的极性,不在每个电池的极性,目前可以通过电池被迫向后,与B一样3在这个例子中电路。 记住这一点很重要,因为米尔曼定理不提供直接的“错误”的电流方向和分支电流或网电流的方法。 你必须密切关注的极性电阻电压降是由基尔霍夫电压定律,确定方向的电流。
米尔曼定理非常方便确定电压一组并行分支,哪里有足够的电压源目前无法通过常规的串并联还原法解决方案。 它也很容易,因为它不需要使用联立方程。 然而,它是有限的,它只能画适合应用于电路的这种形式。 它不能被使用,例如,解决不平衡电桥电路。 ,即使在米尔曼定理可以应用的情况下,单个电阻电压降的解决方案可能有点胆怯,米尔曼定理方程只提供单一电压图的分支。
正如您将看到的,每个网络分析方法有自己的优点和缺点。 每个方法是一种工具,没有工具,是适合所有工作。 技师,然而,这些方法在他或她的头脑中像一个机械携带一套工具在他或她的工具盒。 工具你有自己装备越多,你就越有准备为不测事件。
点评:米尔曼定理对电路作为一个平行组series-component分支。电压输入和解决在同一点在米尔曼定理polarity-referenced电路中(通常底部线平行的网络)。叠加定理是一个中风的天才,一个复杂的主题,并简化了它的方式很有道理。 像米尔曼定理肯定工作得很好,但这不是很明显的为什么它的工作原理。 叠加,另一方面,是显而易见的。
叠加定理中使用的策略是消除网络内只有一个电源,使用串联/并联分析来确定电压降(和/或电流)在修改网络分别为每个电源。 一旦电压降和/或电流已经决定为每个单独电源工作,所有值都是“叠加”的其他(添加代数)找到实际的电压/电流与所有来源活性下降。 让我们再看看我们的示例电路和应用叠加定理:
因为我们有两个电源电路,我们必须计算两组值电压降和/或电流,一个电路只有28伏电池的影响。
。 和一个电路只有7伏电池的效果:
当无可厚非串联/并联的电路分析与一个来源,所有其他电压源(短裤),取而代之的是电线和当前所有资源开放电路(休息)。 因为我们只有电压源(电池)在我们的示例中,我们将取代每个活动源在分析线。
分析电路只有28伏电池,我们获得以下电压和电流的值:
分析电路只有7 volt电池,我们获得另一组电压和电流的值:
电压和电流叠加这些值时,我们必须非常谨慎地考虑极性(压降)和方向(电子流),值必须添加用代数方法。
应用这些叠加电压数字电路,最终的结果是这样的:
电流代数相加,可以叠加,用电阻电压下降,或简单地计算最终的电压降和各自的抗性(I = E / R)。 无论如何,答案将是相同的。 在这里,我将展示叠加方法应用于电流:
再次应用这些叠加数据我们的电路:
非常简单和优雅,你不觉得吗? 必须指出,叠加定理只适用于电路的简化为串联/并联组合的一次能源(因此,这个定理是无用的分析不平衡电桥电路),它只能在底层的方程都是线性的(没有数学能力或根)。 必要的线性意味着叠加定理只适用于确定电压和电流,不是权力! ! !功率量值,作为非线性函数,不要用代数方法添加到一个精确的时总被认为是一次只有一个来源。 线性的必要性也意味着这个定理不能应用在电路组件的阻力变化的电压或电流。 因此,网络包含的组件(比如灯(白炽灯或气体放电)或压敏电阻无法分析。
叠加定理的另一个前提是,所有的组件必须“双边”,也就是说,他们的行为与电子流动方向相同。 电阻没有polarity-specific行为,所以到目前为止我们一直在研究电路达到这一标准。
叠加定理的研究发现使用交流电(AC)电路,半导体电路(放大器),有时交流往往是混合(叠加)。 因为交流电压和电流方程(欧姆定律)线性直流一样,我们可以用叠加分析电路直流电源,然后交流电源,结合结果告诉会发生交流和直流源的效果。 现在,然而,叠加就足够了就不得不做的联立方程来分析电路。
点评:可以分析电路叠加定理指出,一次只有一个电源,电压和电流代数添加相应的组件来找出他们会怎么处理所有能源的效果。否定所有但一个电源进行分析,替换任何电压源与导线(电池); 替换任何电流源以开放(打破)。戴维宁定理指出,可以简化任何线性电路,无论多么复杂,一个等效电路只有一个电压源和串联电阻与负载相连。 “线性”的资格是相同的叠加定理的发现,所有的基本方程必须是线性的(没有指数或根)。 如果我们处理被动元件(如电阻、和后,电感和电容),这是真的。 然而,有一些组件(特别是某些气体放电和半导体组件)的非线性:也就是说,他们反对电流变化电压或电流。 因此,我们称之为电路包含这些类型的组件,非线性电路。
戴维宁定理是特别有用的在一个特定的分析电力系统和其他电路电阻电路中(称为“负载”电阻器)受到改变,和re-calculation必要的电路试验负载电阻的值,来确定电压和电流通过它。 让我们来看另一个例子电路:
假设我们决定指定R2“负载”在这个电路电阻。 我们已经有四个方法分析处理(分支电流、网目前,米尔曼定理,和叠加定理)用于确定电压R2通过R和当前2,但这些方法耗时。 想象一遍又一遍地重复这些方法找到将会发生什么如果负载电阻变化(改变负载电阻非常常见的电力系统,随着多个负荷开关。 并行连接的总电阻变化取决于有多少连接一次)。 这可能涉及很多的工作!
戴维宁定理使这项任务变得很容易通过暂时删除原始电路的负载电阻和减少剩下的一个等效电路组成一个电压源和串联电阻。 这个负载电阻可以贯通戴维南等效电路和计算进行好像整个网络只是一个简单的串联电路:
。 戴维南后转换。
“戴维南等效电路”是B的电当量1, R1, R3, B2从这两个地方我们负载电阻器(R2)连接。
戴维南等效电路,如果正确,行为一模一样的原始电路由B1, R1, R3, B2。 换句话说,负载电阻(R2)电压和电流应该为相同的值完全相同的两个电路的负载电阻。 负载电阻R2之间不能“区分”的原始网络B1, R1, R3, B2,戴维南等效电路的ETheveninRThevenin,前提是E的值Thevenin和RThevenin计算正确。
执行“等效发电机转换”的优势更简单的电路,当然,是它使负载电压和负载电流比原始网络更容易解决。 计算戴维南等效电压源和串联电阻实际上是相当容易的。 首先,选择负载电阻从原来的电路,取而代之的是休息(开路):
接下来,两个点之间的电压,负载电阻连接决定。 使用任何分析方法可供选择。 在这种情况下,原来的电路与负载电阻切除只不过是一个简单的串联电路与反对电池,所以我们可以确定开放终端负载的电压通过应用规则的系列电路、欧姆定律、基尔霍夫电压定律:
负载连接两点之间的电压可以认为从电池的电压和电阻的电压降,并出来11.2伏特。 这是我们的“等效发电机电压”(EThevenin在等效电路):
找到戴维南等效电路串联电阻,我们需要原始电路(负载电阻仍然删除),移除电源(在相同的风格是叠加定理:电压源电线和取代当前来源取代优惠),和图从一个负载电阻对其他终端:
删除这两个电池,总电阻等于R测量在这个位置1和R3并行:0.8Ω。 这是我们的“戴维南抵抗”(RThevenin对等效电路):
附加负载电阻(2Ω)点之间的连接,我们可以确定电压和电流通过它仿佛整个网络只不过是一个简单的串联电路:
注意,电压和电流数据R2(4 8伏特,安培)与使用其他方法找到完全相同的分析。 还要注意,等效发电机串联电阻的电压和电流数据和戴维南源(总计)并不适用于任何组件在原始的、复杂的电路。 戴维宁定理只是用于确定发生了什么单在网络电阻器:负载。
的优势,当然,您可以快速确定会发生什么,单电阻如果2Ω以外的一个值,而无需再通过大量的分析。 只是插入其他值的电阻加载到戴维南等效电路和一点点的串联电路计算会给你结果。
点评:戴维宁定理是一个方法来减少网络的等效电路由一个电压源串联电阻,串联负载。戴维宁定理的步骤:(1)找到戴维南源电压通过移除负载电阻从原始电路和计算电压点的开放连接负载电阻。(2)找到戴维南阻力通过删除原始电路中所有电源(电压源短路和电流源开放)和计算总电阻之间的连接分开放。(3)画出戴维南等效电路,与戴维南等效发电机电压源串联电阻。 两者之间的负载电阻重新开放点的等效电路。(4)分析电压和电流的负载电阻串联电路的规则。诺顿定理指出,可以简化任何线性电路,无论多么复杂,一个等效电路只有一个电流源和并联电阻连接到负载。 与戴维宁定理一样,“线性”的资格是相同的叠加定理的发现:所有基本方程必须是线性的(没有指数或根)。
对比原来的例子对诺顿等效电路:它看起来像这样:
。 诺顿转换后。
记住,一个电流源是一个组件的工作是提供一个恒定的电流,输出尽可能多或尽可能少的电压保持恒定电流所必需的。
与戴维宁定理一样,一切都在原电路除了负载电阻降低到一个简单的等效电路分析。 也类似于戴维宁定理的步骤中使用诺顿定理来计算电流源(我诺顿Norton)和诺顿阻力(RNorton)。
和之前一样,第一步是识别负载电阻和删除它从原来的电路:
然后,找到当前诺顿(诺顿等效电路中的电流源),地方直接加载点和线(短)联系确定合成电流。 注意,这一步是完全相反的戴维宁定理的各个步骤,我们取代了负载阻抗与休息(开路):
零电压负载阻抗之间的连接点,当前通过R1严格B的函数吗1的电压和R1的阻力:7安培(I = E / R)。 同样,当前通过R3现在严格B的函数2的电压和R3的阻力:7安培(I = E / R)。 总电流负载之间的短连接分是这两个电流的总和:7 + 7安培= 14安培。 14这个数字安培电流源(我诺顿Norton在我们的等效电路:
记住,箭头符号为电流源点的方向相反电子的流动。 再次道歉的混乱。 不管是好是坏,这是标准的电子符号象征。 又指责富兰克林先生!
计算诺顿阻力(RNorton),我们做一样的计算等效发电机阻力(RThevenin):把原来的电路(负载电阻仍然删除),移除电源(在相同的风格是叠加定理:电压源电线和取代当前来源取代优惠),和图总电阻负载连接指向其他:
现在我们的诺顿等效电路是这样的:
如果我们经常原始负载电阻2Ω,我们可以分析诺顿电路作为一个简单的平行排列:
与戴维南等效电路,唯一有用的信息从这个分析是电压和电流的值R2; 其余的信息是与原电路无关。 然而,同样的优势与戴维宁定理适用于诺顿的:如果我们希望分析负载阻抗电压和电流在不同负载电阻的值,我们可以使用诺顿等效电路一次又一次,没有什么比简单的并联电路分析更复杂的应用到与每个试验荷载确定发生了什么。
点评:诺顿定理是一个方法来减少网络的等效电路由一个电流源,并联电阻,并联负载。诺顿定理的步骤:(1)找到诺顿源电流通过移除负载电阻从原始电路和计算电流通过一个短(线)跨越点的开放连接负载电阻。(2)找到诺顿阻力通过删除原始电路中所有电源(电压源短路和电流源开放)和计算总电阻之间的连接分开放。(3)画出诺顿等效电路,诺顿的诺顿电流源并联电阻。 两者之间的负载电阻重新开放点的等效电路。(4)分析电压和电流的负载电阻并联电路的规则。因为戴维宁定理和诺顿的是两个同样有效的方法减少一个复杂网络,一些简单的分析,必须有某种方式戴维南等效电路转换为诺顿等效电路,反之亦然(你想知道什么,对吧?)。 过程是非常简单的。
您可能已经注意到,戴维南阻力的计算方法是相同的诺顿阻力的计算方法:删除所有电源,并确定打开负载连接点之间的电阻。 因此,戴维南和诺顿电阻相同的原始网络必须相等。 使用从最后两部分电路的例子中,我们可以看到,实际上等于两个电阻:
考虑到戴维南和诺顿等效电路都是为了表现一样的原始网络提供电压和电流的负载电阻(从负载连接点)的角度来看,这两种等效电路,源自相同的原始网络应该行为是一样的。
这意味着,戴维南和诺顿等效电路都应该产生相同的电压负载终端不附加任何负载电阻。 戴维南等效,开路电压等于等效发电机电压源(没有电路电流电压下降系列电阻器),在这种情况下是11.2伏特。 诺顿等效电路,所有来自诺顿14安培电流源必须流经0.8Ω诺顿阻力,产生相同的电压,11.2伏特(E = IR)。 因此,我们可以说,诺顿等效发电机电压等于电流乘以诺顿电阻:
所以,如果我们想诺顿等效电路转换为戴维南等效电路,我们可以使用相同的电阻和欧姆定律计算出等效发电机电压。
相反,戴维南和诺顿等效电路都应该产生相同数量的电流负载终端短路。 诺顿等效,短路电流等于诺顿源电流,也就是14安培。 戴维南等效,所有11.2伏特将被应用在0.8Ω戴维南阻力,产生同样的电流短,14个安培(I = E / R)。 因此,我们可以说,诺顿电流等于等效发电机电压除以戴维南阻力:
戴维南之间的等价性和诺顿电路本身可以是一个有用的工具,在下一节中我们将看到。
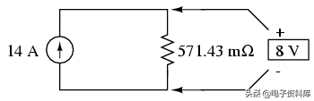
点评:戴维南和诺顿电阻相等。诺顿等效发电机电压等于电流乘以诺顿阻力。诺顿电流等于等效发电机电压除以戴维南阻力。你可能想知道,我们有奇怪的方程的确定“Millman电压”并行的分支电路的每个分支都包含一个串联电阻和电压源:
方程方程部分似乎熟悉我们见过的。 例如,分母的大部分看起来明显像分母的并联电阻的方程。 当然,E / R条款在分子上的大部分应该给当前的数字,欧姆定律是什么(I = E / R)。
现在我们已经介绍了戴维南和诺顿源或者类似的东西,我们有必要的工具来理解米尔曼的方程。 米尔曼方程实际上是什么做的是把每个分支(其系列电压源和电阻)的戴维南等效电路,然后将每一个转化为诺顿等效电路。
因此,在上面的电路中,电池B1和电阻R1被视为一个戴维南源转化为7的诺顿来源安培(28伏/ 4Ω)与4Ω电阻。 最右边的分支将被转换成7安培电流源(7伏/ 1Ω)和1Ω并行电阻器。 中心分支,不含电压源,将转换成0安培的诺顿来源与2Ω电阻:
由于并行直接添加各自的电流源电流,电路的总电流将7 + 0 + 7,或14安培。 这添加诺顿源电流表示分子的米尔曼方程:
诺顿抗性都在相互平行的等效电路,因此他们减少创建一个总阻力。 这种递减的源电阻的代表在分母上的米尔曼方程:
在这种情况下,总电阻等于571.43毫欧姆(571.43 mΩ)。 我们可以先用一个诺顿等效电路现在作为一个电流源和诺顿电阻:
欧姆定律可以告诉我们现在这两个组件的电压(E = IR):
让我们总结一下我们知道迄今为止的电路。 我们知道这个电路的总电流是由分支电压的总和除以各自的抗性。 发现我们还知道,总电阻的倒数的所有分支阻力倒数。 此外,我们应该很清楚这一事实总电压可以发现所有树枝总电流乘以总阻力(E = IR)。 所有我们需要做的是整合两个方程我们早前总电路电流和总阻力,增加他们找到总电压:
米尔曼方程的无非是一个Thevenin-to-Norton转换匹配一起并联电阻公式找到所有分支电路的总电压。 希望现在的一些神秘消失了!
最大功率传输定理与其说是一种手段的分析,因为它是一个援助系统设计。 简单的说,最大的力量将会消散的负载电阻,当负载电阻等于等效发电机/诺顿网络提供电源的直流电阻。 如果负载电阻较低或高于源的等效发电机/诺顿电阻网络,其耗散功率要小于最大值。
这就是目的是为在无线电发射机设计中,天线或输电线路“阻抗”匹配最终功率放大器“阻抗”最大的射频输出功率。 阻抗,整个反对交流和直流电流,非常类似于电阻,必须等于源和负载之间的最大数量的权力转移到负载。 一个负载阻抗过高将导致低功率输出。 的负载阻抗过低不仅会导致低功率输出,但可能过热的放大器的功率耗散其内部(等效发电机或诺顿)阻抗。
采取我们的戴维南等效电路,最大功率传输定理告诉我们,负载电阻导致价值最大的功耗是戴维南阻力(在这种情况下,0.8Ω):
随着负载电阻的值,耗散功率是39.2瓦:
如果我们尝试负载电阻的一个较低的值(例如0.5Ω代替0.8Ω),我们的力量消散的负载电阻会降低:
功耗增加戴维南阻力和总电路,但它减少负载电阻。 同样,如果我们增加负载电阻(例如,1.1Ω代替0.8Ω),功耗也会低于在0.8Ω到底:
如果你设计一个电路最大功耗负载电阻,这个定理将是非常有用的。 在减少网络等效发电机电压和电阻(或诺顿电流和电阻),您只需设置负载电阻等于等效发电机或诺顿等效(反之亦然),以确保负载的最大功耗。 这可能包括无线电发射机最后放大器的实际应用舞台设计(寻求最大化权力交付给天线或输电线路),网格与逆变器加载的太阳能电池阵列或电动汽车设计(寻求最大化功率传递给驱动电动机)。
最大功率传输定理不是:最大功率传输不配合最大效率。 最大功率传输定理应用到交流电源分配不会导致最大,甚至效率高。 效率高的目的是交流电源分配更重要,规定一个发电机阻抗与负载阻抗相比相对较低。
类似于交流电源分布、高保真音频放大器设计为相对较低的输出阻抗和相对较高的负载阻抗。 比,“输出impdance”:被称为“负载阻抗”阻尼因子,通常在100到1000的范围。(rar) (过程)
最大功率传输不符合最低噪声的目的。 例如,天线之间的低级射频放大器和一个无线电接收机通常是专为最低的噪声。 这常常需要放大器的输入阻抗不匹配的天线与由最大功率传输定理。
点评:的最大功率传输定理州的最大力量将通过负载电阻等于等效发电机或诺顿网络供电的直流电阻。最大功率传输定理不满足最大效率的目标。在许多电路的应用程序中,我们遇到组件连接在一起,形成一个三端网络的两种方式:“三角洲”或Δ(也称为“π”或π)配置,和“Y”(也称为“T”)配置。
可以计算电阻必要的正确的价值观,形成一种网络(Δ或Y)另一种行为相同,分析单从终端连接。 也就是说,如果我们有两个独立的电阻网络,一个Δ和一个Y,每个电阻隐藏,除了这三个终端(A、B和C)暴露测试,电阻可能大小的两个网络,这样就不会有电方式决定一个网络除了。 换句话说,相当于Δ和Y网络行为是一样的。
有几个方程用于转换另一个网络:
Δ和Y网络经常在三相交流电力系统(一个主题在这本书的卷II系列),但即使这样他们也会平衡网络(所有电阻相等的值)和转换从一个到另一个不需要涉及这类复杂的计算。 当平均技术人员还需要用这些方程吗?
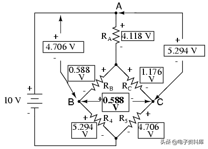
Δ-Y转换的主要应用是在不平衡电桥电路的解决方案,例如下图:
解决方案的电路与分支电流或网目前的分析非常复杂,和米尔曼和叠加定理的任何帮助,因为只有一个权力的来源。 我们可以使用戴维宁或诺顿定理,把R3作为我们的负载,但乐趣呢?
如果我们把电阻R1, R2R3作为连接在Δ配置(Rab, RacRbc分别)和生成一个等效Y网络来代替它们,我们可以把这座桥电路变成一个(简单的)串联/并联组合电路:
Δ-Y转换后。
如果我们执行计算正确,点之间的电压,B和C是相同的在转换电路原来的电路,我们可以将这些值回原来的桥接配置。
电阻R4和R5当然,在18Ω保持不变,12Ω,分别。 分析现在的电路串联/并联组合,我们得出以下数据:
我们必须使用上面的电压下降的数据表来确定点之间的电压,B和C,看到如何加起来(或减去与电压之间点B和C):
现在,我们知道这些电压时,我们可以转移他们相同的点,B和C在原来的桥接电路:
电压降穿过R4和R5当然,是完全相同的,因为他们都在转换电路。
在这一点上,我们可以把这些电压并确定电阻电流通过重复使用欧姆定律(I = E / R):
与香料将快速仿真来验证我们的工作:(spi)
unbalanced bridge circuit
v1 1 0
r1 1 2 12
r2 1 3 18
r3 2 3 6
r4 2 0 18
r5 3 0 12
.dc v1 10 10 1
.print dc v(1,2) v(1,3) v(2,3) v(2,0) v(3,0)
.end v1 v(1,2) v(1,3) v(2,3) v(2) v(3)
1.000E+01 4.706E+00 5.294E+00 5.882E-01 5.294E+00 4.706E+00电压数据,从左向右读,代表整个五各自电阻电压降,R1通过R5。 我可以显示电流,但由于需要插入的“假”电压源香料网表,因为我们感兴趣的主要是验证Δ-Y转换方程而不是欧姆定律,这就足够了。
点评:“δ”(Δ)网络也被称为“π”(π)网络。“Y”网络也被称为“T”网络。Δ和Y网络可以转化为等价的同行与适当的阻力方程。 “等效”,我的意思是,两个网络将从这三个电相同的衡量终端(A、B和C)。一个桥接电路可以简化为串联/并联电路将一半从ΔY网络。 在最初的三个连接点之间的电压降(A、B和C)已经解决了,这些电压可以转回原来的桥接电路,在相同的等效点。版权声明:我们致力于保护作者版权,注重分享,被刊用文章【戴维南定理证明(电学课程1)】因无法核实真实出处,未能及时与作者取得联系,或有版权异议的,请联系管理员,我们会立即处理! 部分文章是来自自研大数据AI进行生成,内容摘自(百度百科,百度知道,头条百科,中国民法典,刑法,牛津词典,新华词典,汉语词典,国家院校,科普平台)等数据,内容仅供学习参考,不准确地方联系删除处理!;
工作时间:8:00-18:00
客服电话
电子邮件
beimuxi@protonmail.com
扫码二维码
获取最新动态
