南方某电厂6号机组在整套起动过程中发生“误上电”保护动作。东莞深能源樟洋电力有限公司、西安热工研究院有限公司的研究人员纪虎军、赵俊杰、张灏、杨昭,在2021年第10期《电气技术》上撰文,通过对其保护动作数据、动作过程、故障波形进行分析,得出故障及动作原因,对该机组的电气控制系统如何避免“误上电”误动作提出改进措施,并验证了改进措施的有效性。
在发电机处于静止状态或已起动但未同步并网时,如果并网断路器不受控突然合闸,会导致发电机遭受非常严重的损坏。此时的发电机如同一台异步电动机,在转差很大的情况下起动,会在转子回路中感应出超出允许值的大电流,最终可能导致转子损坏,甚至破坏电力系统稳定。
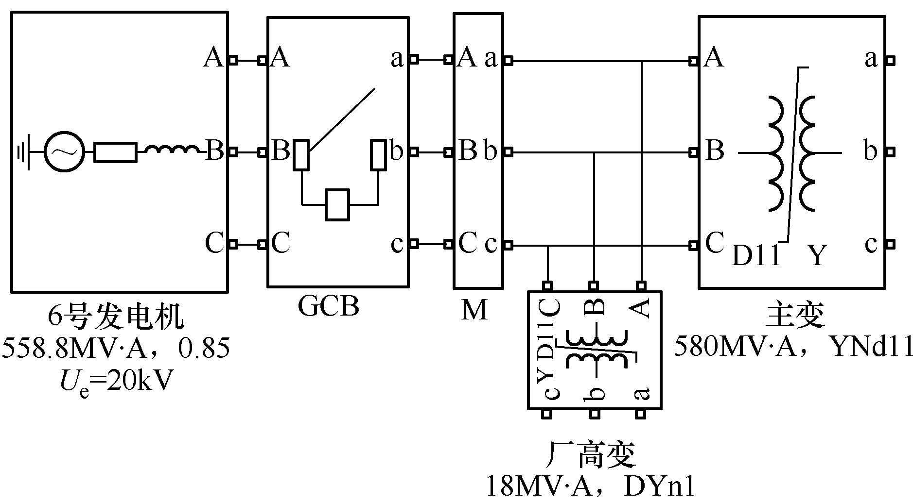
某电厂6号机组为9F级燃机,该机组为日起停调峰机组。机组以发电机-变压器组接线接入220kV升压站,设置发电机出口开关(generator circuit breaker, GCB)和主变高压开关(high voltage circuit breaker, HVCB)两个同期点。
事故发生前机组已经通过GCB完成了首次并网。根据电网下发的起动方案,机组运行稳定后,需要拉开HVCB,对HVCB同期点进行假同期试验以验证同期回路的正确性。最后机组经HVCB与电网第二次并列。执行时在拉开HVCB后,机组因高压管道法兰漏气停机,发电机解列,燃机控制系统(turbine control system, TCS)顺控停机分GCB,主变失电。
抢修结束后,计划先通过同期装置的双侧无压合闸功能合GCB,然后发电机带主变零起升压,再对HVCB进行假同期试验。过程中在合上GCB后,发现励磁系统闭锁,机组无法起励。经与励磁厂家沟通,确认GCB已合闸,励磁系统将闭锁起励。分析逻辑后,决定在机组起励后通过同期装置的单侧无压合闸功能给主变反充电,再对HVCB进行假同期试验。
在通过同期装置单侧无压合闸功能合GCB对主变反充电时,发电机“误上电”保护动作,跳GCB、跳静止变频装置(static frequency converter, SFC)、跳灭磁开关、停燃机。
3.1 误上电保护动作分析
事故发生后,检查发电机保护装置、GCB本体、发电机本体、机组励磁系统、发变组故障录波系统,调取录波、保护动作记录。发电机保护装置定值,发电机误上电保护定值见表1。
表1 发电机误上电保护定值
经查看保护装置报文及录波,初步判断发电机保护中的误上电动作正确。本机组装置采用南瑞继保PCS—985BG发电机保护装置,版本3.0,发电机误上电保护逻辑如图1所示。
图1 发电机误上电保护逻辑
如图1所示,误上电保护可认为是一个主判据加三个辅助判据。这四个判据组合对应发电机各种误上电工况。特别地,本版本中断路器位置辅助判据加发电机过电流判据可以应对非同期工况。各种误上电工况及动作逻辑在各文献及厂家说明书里已经有比较详细的说明及分析,在此不再复述。
定值中动作电流按照发电机二次额定电流的0.2倍计算,6号机组误上电电流定值为0.81A。事故发生后,调取发电机保护A柜装置录波记录,保护动作时序如下:10:51:22.4467,发电机出口断路器分位消失;10:51:22.4750,发电机误上电保护启动;10:51:22.4900,发电机负序过负荷保护启动;10:51:22.6750,发电机误上电保护动作;10:51:22.6997,发电机保护动作开入;10:51:22.7523,发电机出口断路器分闸位置;10:51:23.1158,发电机负序过负荷返回。
发电机保护B柜保护装置波形记录与发电机保护A柜保护装置波形时间记录基本一致。发电机保护A柜保护录波波形如图2所示。
图2 发电机保护A柜保护录波波形
发电机保护A柜保护装置所录波形显示误上电保护启动时,发电机定子A相电流为1.39A,B相电流为1.48A,C相电流为0.4A,其中A、B相电流大于误上电保护动作电流值Iop,发电机误上电保护启动。误上电保护经0.2s延时后动作出口,此时发电机定子A相电流为1.29A,B相电流为1.38A,C相电流为0.39A,其中A、B相电流仍大于误上电保护动作电流定值Iop,保护动作正确。
调取发变组故障录波波形,对事故发生时发电机机端电流、发电机中性点电流、主变低压侧电流、厂变高、低压侧电流进行检查分析。波形显示误上电保护启动时发电机定子中正序电流0.81A、负序电流0.77A、主变低压侧电流0.80A、厂变高压侧电流0.18A。发电机负序过负荷保护定值为0.57A,这解释了发电机负序过负荷保护启动的原因。各处电流均未超过额定值。经检查一次设备确认,此次保护动作未对设备造成伤害。
3.2 动作原因分析
对故障录波系统中发电机中性点及机端电流波形进行分析,发现机端及中性点电流波形均偏向时间轴一侧,且有间断角,初步认定此电流为励磁涌流。为进一步确认此电流是否为励磁涌流,对误上电保护动作时的发电机机端电流谐波含量进行分析,发电机机端各次谐波含量对比如图3所示,发电机机端电流谐波含量见表2。
图3 发电机机端各次谐波含量对比
表2 发电机机端电流谐波含量
由图3与表2可见,故障录波波形显示,在发电机出口断路器合上之后,机端电流谐波主要表现为2次谐波,A相2次谐波在保护启动至出口期间一直在55%~60%之间,B相2次谐波在保护启动未出口期间一直在47%~51%之间。
以上几点符合励磁涌流波形的特征,为典型的励磁涌流波形。变压器励磁涌流的产生机理是基于电感线圈遵循磁链守恒原理,即与电感线圈交链的磁通不能突变。波形显示发电机机端及中性点二次电流峰值为4.47A,为主变低压侧二次额定峰值电流的0.76倍。励磁涌流与电源电压大小、合闸初相位、系统等值阻抗、剩磁大小和方向等因素有关。
同期装置单侧无压合闸功能只能判断主变侧无压状态,并不能通过控制合闸角度来减小主变空载合闸时的励磁涌流。在GCB合闸时,涌流超过了误上电保护动作定值,导致此次误上电保护动作。
事故处理完成后,对发电机保护定值、励磁启动逻辑、TCS起励逻辑等进行梳理分析。
4.1 发电机保护定值
PCS—985BG误上电保护采用低频低电压过电流原理。相关规程中关于此原理规定为:以误上电时应可靠启动为条件,动作电流应为误上电最小电流的50%,一般可整定为(0.3~0.8)In。根据各厂运行经验此动作电流定值一般设为0.5In。
对发电机反充主变进行简单仿真,仿真模型如图4所示。
图4 简单的发电机反充主变仿真模型
图4的仿真模型设置主变、厂高变铁心剩磁为0.9倍额定磁链。发电机反充主变仿真结果如图5所示,涌流峰值最大可接近9kA。
图5 发电机反充主变仿真结果
主变反充电时,励磁涌流会在发电机定子中产生很大的负序电流,可能会对发电机转子造成损伤。故不采取发电机反充主变方式并网,也应避免发电机反充主变。另考虑到误上电启动电流需躲过同期装置最大电压差并网时的冲击电流,故调整误上电启动电流至0.5In。该定值满足规程对误上电保护定值的规定。
4.2 抑制涌流措施
为尽可能地减小主变冲击时励磁涌流的幅值,应在主变预试后对主变进行退磁或者其他抑制涌流的处理。用GCB作为同期点时,主变由220kV母线倒送,主变高压侧采用SID—3YL涌流抑制器来抑制涌流,表3为五次主变冲击时涌流倍数,可以看出该装置的涌流抑制效果较好。用HVCB作为同期点时,经对励磁起励逻辑进行修改,发电机可带主变零起升压后与电网并列,故发电机低压侧不需要抑制涌流的措施。
表3 主变冲击时涌流倍数
4.3 励磁系统逻辑
该电厂设置机端断路器GCB和主变高压侧HVCB两个同期点,各控制系统应满足任一开关作为同期点进行并网。励磁系统虽然采样HVCB和GCB的节点来判断机组是否在并网状态,但是其逻辑起励的允许条件为GCB必须在分位,并未考虑发电机带主变零起升压通过HVCB并列的情况。
经与厂家讨论,励磁系统逻辑中增加发电机带主变零起升压工况,将励磁系统起励允许条件中的GCB分位条件改为HVCB或GCB在分位即可起励,修改后的励磁系统起励逻辑如图6所示。
图6 修改后的励磁系统起励逻辑
4.4 燃机控制系统中的起励逻辑
检查TCS中有关励磁系统起励指令允许逻辑,该指令的允许条件中需GCB分位且HVCB合位。TCS起励允许逻辑中同样没有考虑发电机带主变零起升压通过HVCB并列的情况。经与设计院讨论,在该逻辑中删除GCB和HVCB位置条件。修改后的TCS起励允许逻辑如图7所示。
4.5 效果验证
根据以上分析,对励磁系统起励逻辑及TCS中的允许起励逻辑进行修改,另考虑到并网时的冲击电流,调整误上电保护的启动电流值。修改逻辑后进行发电机带主变零起升压。11:15,发电机带主变零起升压波形如图8所示。
图7 修改后的TCS起励允许逻辑
图8 发电机带主变零起升压波形
在整个升压过程中,发电机定子中涌流最大为0.05A,几乎为零,其他参数无异常,表明机组带主变零起升压通过HVCB并列是安全可行的。13:26,6号机组经HVCB并网,冲击电流为1712.00A,并网后发电机有功功率为23.45MW,其他设备无异常。
本文介绍了一起误上电保护动作事故及其分析过程,提出了几个预防措施及改进建议,对修改后的逻辑进行了验证,实现了发电机带主变零起升压。修改后的机组可任选GCB和HVCB作为同期点进行并网,并网方式更加灵活,保证了机组的良性运行。
本文编自2021年第10期《电气技术》,论文标题为“一起燃机误上电保护动作案例分析”,作者为纪虎军、赵俊杰 等。
版权声明:我们致力于保护作者版权,注重分享,被刊用文章【电力安全事故案例分析(一起燃机误上电保护动作的案例分析)】因无法核实真实出处,未能及时与作者取得联系,或有版权异议的,请联系管理员,我们会立即处理! 部分文章是来自自研大数据AI进行生成,内容摘自(百度百科,百度知道,头条百科,中国民法典,刑法,牛津词典,新华词典,汉语词典,国家院校,科普平台)等数据,内容仅供学习参考,不准确地方联系删除处理!;
工作时间:8:00-18:00
客服电话
电子邮件
beimuxi@protonmail.com
扫码二维码
获取最新动态
