虽然说现在都是科技信息时代了,我们财务人员做账也都实现了自动化了。像用友和金蝶呀,就是企业用得最多的财务做账系统了。但是会电脑账的前提也要会手工账,前些天公司刚好了一位实习会计,实习了一周了,总监发现这个人实习生不会做手工账,于是就给人事说,不会手工账的以后就不面试了!不知道各位公司怎么要求的?我也感觉手工账还是有必要掌握的,毕竟这个是会计做账的基础么。今天在这里汇总了老会计整理的全盘手工账模板,这下照着做,总该会了!
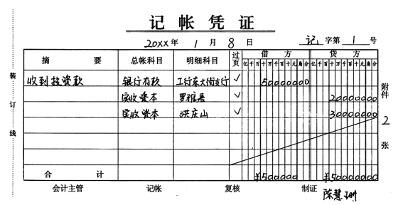
(1)收到投资款的记账凭证
(2)报销注册费的记账凭证
(3)预交房租的记账凭证
(4)计提工资的记账凭证
(1)2月份丁字账
5、三栏明细账
6、多栏明细账
7、固定资产明细账
8、数量金额式明细账
9、应交增值税明细账
10、试算平衡表
11、总账
(1)资产负债表
(2)现金流量表
(3)利润表
……篇幅内容限制,今天就到这儿了~也希望对财务人员的做账有帮助哦。
版权声明:我们致力于保护作者版权,注重分享,被刊用文章【会计记账凭证图片(财务总监直言)】因无法核实真实出处,未能及时与作者取得联系,或有版权异议的,请联系管理员,我们会立即处理! 部分文章是来自自研大数据AI进行生成,内容摘自(百度百科,百度知道,头条百科,中国民法典,刑法,牛津词典,新华词典,汉语词典,国家院校,科普平台)等数据,内容仅供学习参考,不准确地方联系删除处理!;
工作时间:8:00-18:00
客服电话
电子邮件
beimuxi@protonmail.com
扫码二维码
获取最新动态
