此次为大家带来的是关于一些PLC编程控制入门常用到的实例,以此为借鉴,让学PLC的进度条缩短,加大掌握程度。里面包含的知识点是较为齐全的,如:I/O分配表、PLC接线图、梯形图程序等。
一、电动机顺序启动、顺序停止控制
(I/O分配表、PLC接线图、梯形图程序)
二、 电动机的顺序启动、同时停止
(I/O分配表、PLC接线图、梯形图程序)
三、电动机的顺序启动、逆序停止
(I/O分配表、PLC接线图、梯形图程序)
四、电动机延时启动、停止控制
(I/O分配表、PLC接线图、梯形图程序)
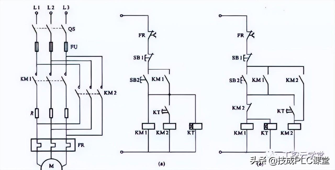
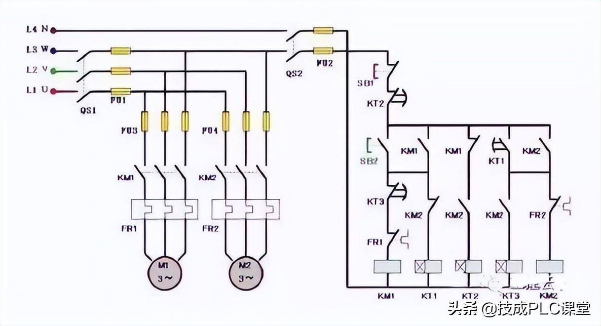
五、笼型感应电动机定子绕组从串电阻降压启动控制系统
(I/O分配表、PLC接线图、梯形图程序)
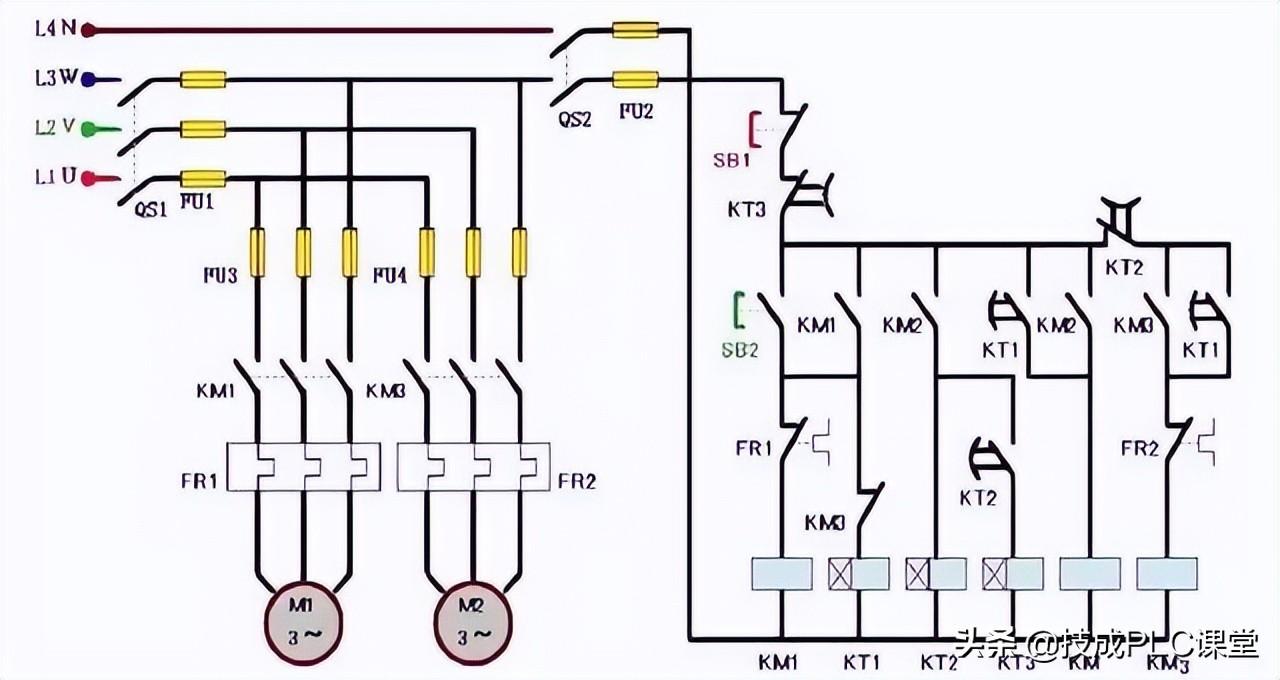
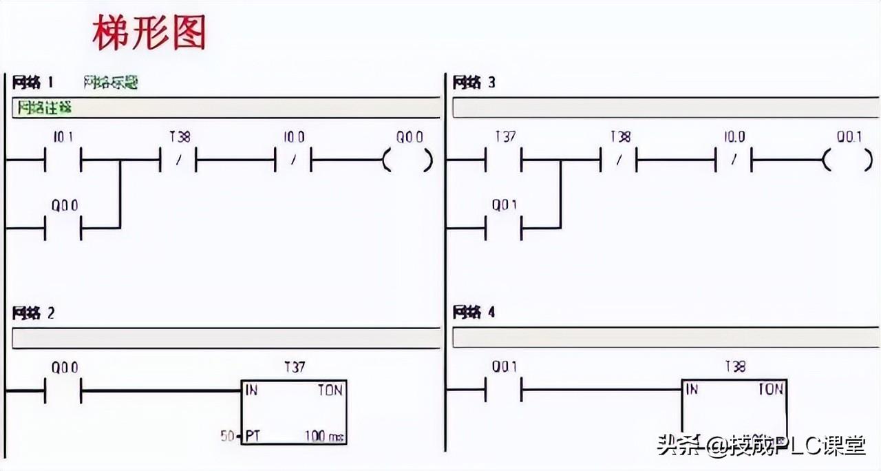
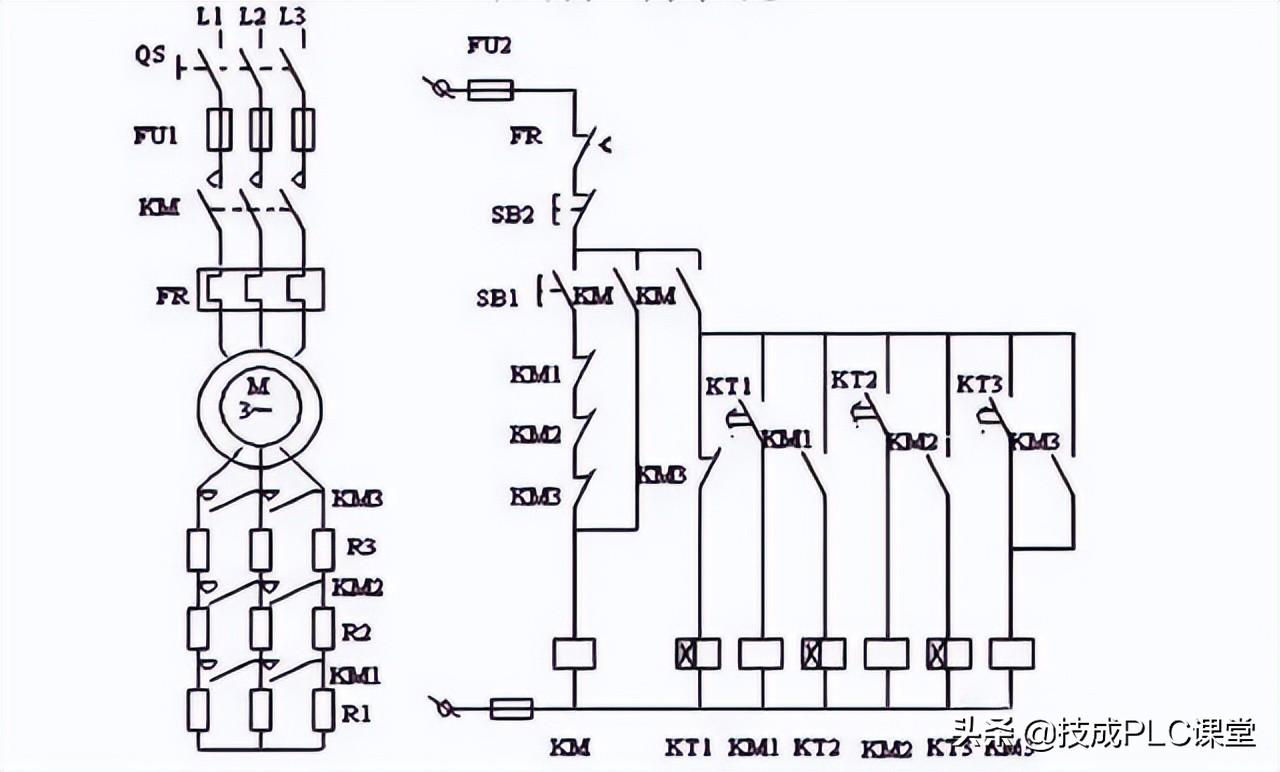
六、三相绕线感应电动机转子绕组串电阻降压启动控制系统
(I/O分配表、PLC接线图、梯形图程序)
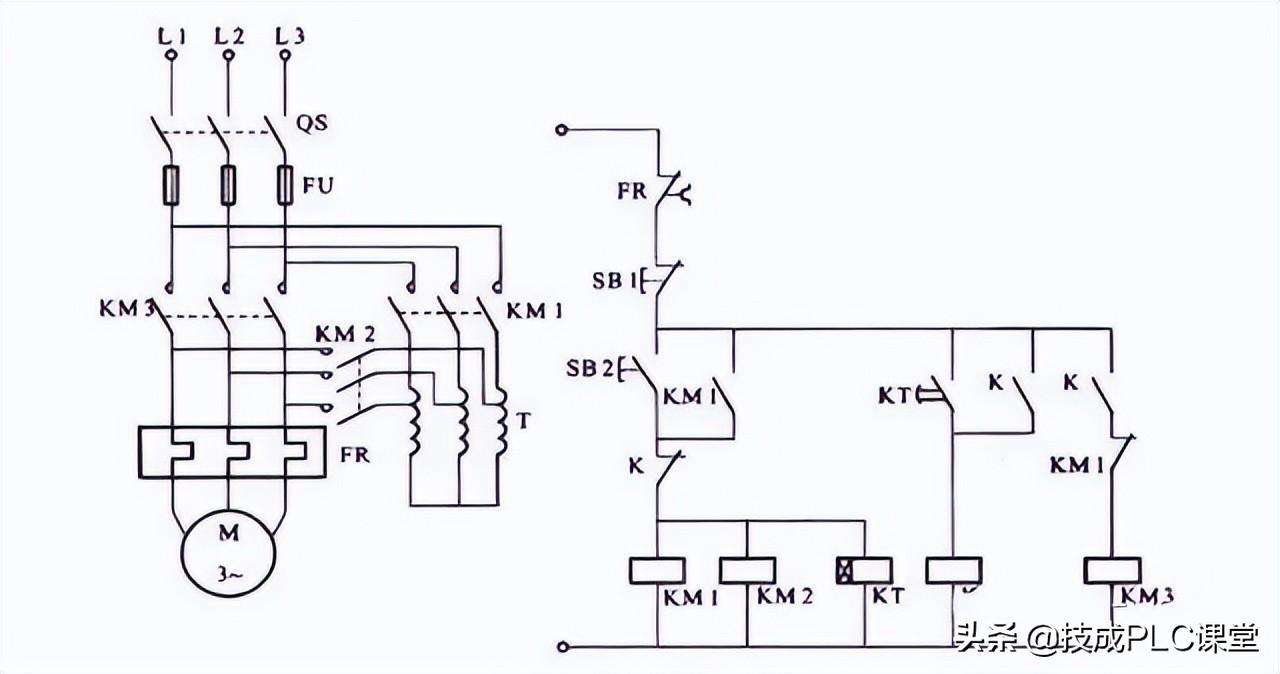
七、Y-降压启动控制系统
(I/O分配表、PLC接线图、梯形图程序)
Y-降压启动控制(1)
Y-降压启动控制(2)
八、自耦变压器降压启动控制系统
(I/O分配表、PLC接线图、梯形图程序)
转发是最大的鼓励!谢谢您的支持!
小贴士
PLC专属资料:含有从入门到高级所有PLC学习资料(三菱/西门子/欧姆龙),电气经典18本大全书,历年电气考试真题、电气必备实训仿真软件、电气自动化行业各类型技术手册!
版权声明:我们致力于保护作者版权,注重分享,被刊用文章【plc案例(8种西门子PLC入门实例)】因无法核实真实出处,未能及时与作者取得联系,或有版权异议的,请联系管理员,我们会立即处理! 部分文章是来自自研大数据AI进行生成,内容摘自(百度百科,百度知道,头条百科,中国民法典,刑法,牛津词典,新华词典,汉语词典,国家院校,科普平台)等数据,内容仅供学习参考,不准确地方联系删除处理!;
工作时间:8:00-18:00
客服电话
电子邮件
beimuxi@protonmail.com
扫码二维码
获取最新动态
