关注【本头条号】更多关于制度、流程、体系、岗位、模板、方案、工具、案例、故事、图书、文案、报告、技能、职场等内容,弗布克15年积累免费与您分享!
工程计量管理规定
第1条 目的
为规范工程计量工作,特制订本规定。
第2条 管理职责与分工
1.公司预算部负责工程量的计算或审核(简称计量)。
2.工程计量分专业由造价工程师完成。
第3条 需要工程计量的工作环节
1.编制施工图预算。
2.编制非委托招(议)标标底。
3.设计变更的调整。
4.经济签证的确认。
5.审核竣(完)工造价结算。
6.工程进度付款计量。
第4条 工程计量依据
1.施工图预算(或标底)的计量依据包括:设计施工图纸、书面设计交底、施工组织设计文件、勘察设计资料。
2.设计变更调整计量的依据包括:设计变更、原设计施工图、必要的施工方案。
3.工程进度付款及竣(完)工造价结算(按实)计量依据包括:工程竣(完)工图纸(含设计交底、设计变更)、经济签证、必要的隐蔽验收纪录、施工组织设计文件、形象进度签证(进度付款计量用)。
4.计量依据由工程部提供。
第5条 工程计量的先决条件
1.工程部提供的资料齐全。
2.工程已经竣(完)工验收,并符合质量要求(仅限于工程进度付款及竣工造价按实结算计量)。
3.技术交底或设计变更已经批准。
4.符合合同约定。
第6条 工程计量方式必须与工程计价方式相统一、相匹配。分项工程单价中包含的工程量不得重复计量。
第7条 以招(议)投标方式签定的合同必须有工程量清单作为附件。
第8条 工程进度付款计量累计工程量不得大于合同工程量清单量。
第9条 工程计量必须精确,力争准确,计量误差率不得大于3%。
第10条 本规定自颁布之日起实施。
工程计价管理规定
第1条 目的
为保证工程计价管理工作有序进行,特制订本制度。
第2条 职责
公司预算部负责工程造价的确定(即:工程计价)管理。
第3条 工程造价的确定(即:工程计价)
1.开发项目工程计价工作是一持续管理过程,自配合编制项目投资估算开始,至项目竣工决算完止。
2.工程造价的确定包括分项工程单价确定和单位、单项工程以及开发项目的工程造价确定。
3.分项工程单价确定是实现单位、单项工程及开发项目工程造价确定的基础和前提。
第4条 分项工程单价确定的前提
1.分项工程施工内容(做法)和施工方法(施工方案)、材料材质的确定,由工程部负责。
2.材料单价确定,由相关部门负责。
3.分项工程资源(人工、材料、机械)消耗量确定,由预算部负责。
4.预算部负责分项工程单价的确认,并形成分项工程施工单价确认内控表,如下所示。
分项工程施工单价确认内控表
日期: 年 月 日
第5条 实现分项工程单价确定的方式
1.工程招(投)标确定
工程招(投)标方式确定的分项工程施工单价必须以清单形式在合同中体现,并附有工程量清单,无工程量清单相附的必须约定分项工程单价所包含的具体范围。下表为分项工程施工单价确认单。
分项工程施工单价确认单
2.工程承包商报送、相关责任部门审核确定
以工程承包商报送、公司相关责任部门审核方式确定的分项工程单价必须由工程承包商、施工监理、甲方代表三方签署确认。以这种方式确认的前提条件有二:一是存在因甲方原因产生的工程变更;二是合同中无相应分项工程单价。否则,不得办理确认。
3.行业定额确定
行业定额方式确定的分项工程单价必须在合同条款中约定。
第6条 分项工程单价包含内容必须与工程量计量方式相统一。分项工程单价包含的工作内容不得进行相应的重复工程计量。
第7条 公司预算部有责任在相应工程招标文件中明确部分分项工程基准单价,作为投标人参加投标的必需条件,以此控制工程成本。
第8条 因采用甲方供应材料形式造成分项工程材料单价与分项工程施工单价相剥离的,材料供应数量及结算方式必须与分项工程施工单价及相应工程量相统一。
第9条 公司对不便或不易计量(计量依据不足),且对工程无直接影响的施工措施等费用(如临时设施费、基础降水费、边坡支护费等)采用模糊计价。模糊计价的方式是合同包干,即在合同中明确约定此类费用的总额或标准。模糊计价的范围必须在工程招标文件中明确,并在合同中约定。
第10条 因控制成本需要,公司自行编制的分项工程单价(企业定额)必需是实测实量得出,并不得高于平均市场价,且应根据人工、材料价格及施工工艺的市场变化进行周期(或异地)调整。
第11条 工程计价的方式由预算部根据项目开发方式和施工合同类型经公司领导同意后确定。
第12条 本规定由总经理会议会签后颁布实施。
工程项目预结算管理细则
第1章 总则
第1条 目的
为合理确定工程造价,有效提高工程预结算编制和审核质量,维护预结算正常秩序,促进合同和成本管理的规范化,结合本公司实际情况,制订本细则。
第2条 适用范围
本细则适用于公司/项目为承包人所发生的预结算编制工作,以及作为发包人所发生的预结算的审核工作。
第2章 职责
第3条 造价合约部职责
负责全面管理工程预结算,负责编制或审定工程预结算。
第4条 工程部职责
1.负责承包工程量统计,审核供方工程量。
2.负责编制甲供主材物资预算(领料)表,并分送总包方和本公司项目内部施工(工程)、合同(经营)、物资等有关部门。
3.负责编制自行供应的辅材物资需求计划、限额领料卡等。
第5条 造价合约部、工程部、综合办公室负责按月核算实际领用材料、使用机械及其他费用。
第6条 分包单位负责承包工程预决算的编制,包括工程量的统计工作。
第3章 承包工程(合同)预结算管理
第7条 造价合约部为项目预结算编制和审核的统一归口管理部门,造价合约部设置两名预决算员。
第8条 预结算管理总原则
1.合同为本、事实为据、合法合理。
2.在与总包方交往和工作中,我方要做到有礼有节、相互尊重、实事求是、据理力争。
3.在项目内部,工程部门与经营部门相互支持、相互协作,旨使工程目标与经济目标能同步实现。
第9条 工程量统计及审核签证
1.图纸总工程量
(1)鉴于开工初期工程技术人员尚未全面掌握各专业的预算工程量统计规则,本项目图纸总工程量仍由造价合约部预算员负责统计(包括设计院和设备厂家图纸),再由工程部技术人员核对。在总包方专工审核过程中按预算员要求由工程部技术员提供协助。
(2)在同一册图纸中,与总包方或第三方存在施工责任接口的,技术人员负责在开工前及时通知造价合约部预算员,并协同造价合约部预算员计算分解图纸工程量。
(3)图纸总工程量统计时间要求,原则上为分项工程开工当月完成。
2.每月完成工程量统计
(1)工程部负责按各单位工程下属的每册图纸工作为单位,每月统计实际完成工程量和累计完成进度百分比;承包工程量每月统计周期定为:上月16日~当月15日。
(2)工程部在每月17日下班之前,报送该月度实际完成的实物工程量和设备安装形象进度报表到造价合约部。
(3)造价合约部负责编制承包工程预结算文件,并根据工程部报送的进度报表计算出工程款申请额,在每月25日上午9时,将合同预结算文件直接送达总包方施工管理科。
3.设计修改(变更)单、总包方委托承包合同外临时项目、设备消缺施工
(1)工程部技术人员负责统计工程量(包括增补工程量以及因修改造成返工的工作量),造价合约部预算员协助。其中量小或无法按预算定额方式计算的,由技术人员负责办理点工签证。
(2)工程部技术人员负责每月17日下班之前,将已经完成的上述工作的工程量统计资料,以及经总包方审核签证的点工签证单,送交造价合约部预算员。工程部报送的结算进度迟于工程形象进度不能超过10天。
第10条 承包合同工程预结算
1.项目造价合约部预算人员负责具体编制工程预结算文件。
(1)原则上,造价合约部在分项工程开工当月完成该分项工程施工图预算编制。工程开工后,如果设计到图量较大,经项目领导同意后可提请公司总部提供短期的预算支援。物资供应人员和财务部门根据结算需要,提供材料设备采购合同和票据等支持性资料。
(2)每月25日上午9时,造价合约部向总包方报送月度工程预结算文件。
(3)单位工程完工验收后一个月内,造价合约部应及时编制完成单位工程决算书,报总包方审核。
(4)项目完成后两个月内,造价合约部应及时汇编完成该项目的工程竣工决算书报总包方审核。
2.预结算过程中分歧和争议解决。
(1)应当从公司整体利益出发,根据合理合法原则,尽量通过友好协商的方式解决。
(2)对于较为重大的分歧或争议应及时报告项目经营副经理乃至项目总经理,以便尽早采取对策。
第4章 工程采购预结算
第11条 工程量的审核和确认
1.成建制引进队伍和外借内包
(1)成建制引进队伍承包工程预结算书,应当由分包单位负责编制,其预结算编制人员必须具有行业或地方工程概预算上岗资格。分包单位凭施工图预算申请中间结算。
(2)预结算工程量由工程部技术人员负责审核。鉴于本项目具体情况,如事先已有总包方审定预结算工程量的,经项目领导同意可直接参照使用。
(3)项目委派的零星工作,原则上均按预算方式结算,如确实无法按预算定额方式计算的,按下列方式确定。
①实际用工不超过10个工日(含10个工日)的,根据工程部审核后的派工单,分技术、普工按不同点工单价计算。
②实际用工超过10个工日的,须由分管领导签发派工单,按点工结算。
2.租用施工机械和运输车辆等的实际使用台班数量,由工程部调度人员负责审核。
3.纯劳务用工,班组部门考勤用工由综合办人事专员、现场零星派工由工程部调度人员分别负责审核。
4.其他对外委托工作,根据合同指定的部门单位负责审核。
第12条 中间结算
1.工程采购合同供方在项目发生的费用,在每月底进行核算清理,主要包括以下四项内容。
(1)造价合约部物资管理员按月统计领用材料(含总包方调拨辅材)、工作服及安全帽等个人劳保用品、小型机工具使用费等。
(2)工程部调度人员按月统计施工机械使用台班费用(含使用总包方机械)等。
(3)综合办公室按月统计汇总加班快餐、搭伙费、水电费、通讯费、代付民工工资等。
(4)上述费用清单,经分包单位结算负责人签字确认后分送造价合约部和财务部备用。
2.凡涉及安全违章、质量事故、治安事件等罚款事项,在职能部门处理后,工程供方应立即到财务部缴付现款。
3.工程分包合同(含外借内包)月度(中间)结算,按以下规定办理支付审批手续。
(1)工程部(代管施工队)审核实际进度情况是否属实、是否符合计划要求。
(2)质量管理部审核完成的各分项工作是否符合质量要求。
(3)财务部汇总上述第12条第1款中项目发生的应扣费用。
(4)造价合约部审核实际完成承包产值(一般以完成量的80%为限),计算安全保证金、质量保证金,确定应付金额。
(5)项目领导(一般为经营经理,具体按财务工作规范的权限确定)审批。经审批后的中间结算会签审批表,分送造价合约部和财务部。
4.劳务结算,一般经综合办或工程调度和造价合约部审核后,由项目经理审批支付。
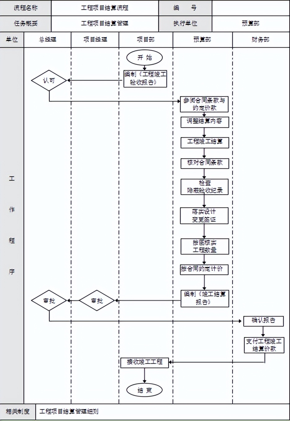
第13条 竣工结算
1.单位工程完工验收后一个月内,分包单位编制完成单位工程决算书报项目部审核。
2.发包工程竣工结算,实行全面逐项审核法。审核内容和程序如下。
(1)供方办理决算(送审前)审批表会签。
(2)造价合约部签收结算书并登记台账。
(3)工程量的审核和确定。
(4)造价合约部审核预结算单价、取费费率。
(5)相关部门审核会签,汇总上述第12条第1款在项目发生的总费用;其中,分包单位从项目领用辅材的,实际使用量若少于其上报材料计划量的,按计划量办理出库手续,费用由分包单位承担;分包单位领用甲供主材超量的,也由分包单位承担费用。
(6)财务部核减各项应扣费用,预扣质量保证金;若是分包单位在本工程最终的总结算,预留的安全保证金余额予以退还。
(7)经项目副经理审核后,由项目经理批准支付。项目经理批准后的结算资料,由造价合约部负责整理分析与归档。
3.竣工结算书的审核时间应当按照合同规定及时完成,如遇大规模竣工结算,项目应当在征求供方的基础上编制整体结算计划,经项目部批准后执行。
4.竣工结算审核人员在对工程变更价款的计算时,应当执行以下三项原则。
(1)合同或审定的施工图预算中已有与变更工程相同单价时,应按已有单价计算。
(2)合同或审定的施工图预算或定额子目中均没有适用单价时,应按定额中相类似定额子目确定变更价格。
(3)合同或审定的施工图预算或定额子目中均没有适用和类似单价时,双方协商解决;或由供方编制补充定额送合同部门审定,必要时报当地造价管理机构备案。
第5章 对预结算编审人员的要求
第14条 合同预算、工程及其他相关预结算编审人员,应当加强合同预算、造价管理等方面知识的学习,提高工作责任心,做好各项基础工作,维护公司及项目的合法利益。
第15条 工程部技术人员应当加强工程量统计规则等方面知识的学习,树立强烈的经济观念,做好工程量的统计和审核工作,尤其是实际工程量和材料计划。
第16条 审核人员在审核供方编制的结算过程中应当做到既合法又合理,按合同约定办事,不故意克扣压低价格,不以下浮金额的多少作为结算审核质量好坏标准。
第17条 在审核过程中如发现供方编制的结算中有漏算、少算现象,应当在内部了解、现场实际调查确凿的基础上及时通知该结算编制人,根据实际情况和相关约定予以补正。
第18条 项目经理部对工程预结算工作卓越者将给予鼓励和嘉奖。凡工程预结算工作不负责任,造成项目(公司)损失的,或消极工作影响预结算正常进行、影响公司形象的,项根据具体情况,按照公司有关责任追究制度,对有关人员给予一定的行政或经济处罚。
第6章 附则
第19条 本细则由×××房地产开发公司总经理办公室制定、修订补充和废止工作,其解释权归×××房地产开发公司所有。
第20条 本细则经总经理审批后,发放至造价合约部、工程部全体人员参照执行。
工程项目结算审批工作规定
第1条 目的
为了确保工程项目结算工作顺利开展,保证结算数据正确、符合规定,并做到结算资料完整,以备查阅,确保第一时间正确解决问题。
第2条 适用范围
本规定适用于所有由预算部经办的工程结算。
第3条 管理职责
预算部按各项工作程序及规定审核所有结算资料,保持结算资料完整,做好存档工作,为结算付款提供依据。
第4条 结算资料审核
1.预算员检查工程部上报结算资料是否完整,是否具备结算条件。
2.具备结算条件的资料须包括但不限于下列6种。
(1)有合同的工程必须附上合同文本一份。
(2)竣工图一套。
(3)有设计变更的必须经设计单位的相关负责人签字。
(4)签证变更必须经工程部经理签字认可(可参考《工程签证管理办法》)。
(5)结算书一份。
(6)按结算审批表要求填妥每一栏目。
第5条 审批
具备第4条第2款规定条件的,方可予以结算,经预算部预算员审核结算,预算部经理签字同意后,上报分管副总审批。
第6条 存档入账
1.分管副总审批同意后,由预算部保留原件存档,复印件交主管工程师开付款申请单,今后该复印件由财务部做成凭证存档。
2.将结算金额、优良率填入相应付款台账,为结算付款提供依据。
3.做好存档,以便查阅。
第7条 本规定发放至工程部、预算部全体人员参照执行。
工程成本监测及核算管理规定
第1条 目的
为明确工程成本监测及核算管理职责及程序,特制定本规定。
第2条 管理职责
工程成本控制目标确定后,相关职能部门实施对工程成本控制,预算部负责对工程成本控制目标执行过程进行监测及核算。
第3条 定义
开发项目工程成本主要包括项目建筑安装工程费用、场地基础设施工程费、公共配套设施工程费以及场地三通一平工程费。
第4条 工程成本监测
1.工程成本监测的环节主要包括设计(优化设计)、工程招标、材料设备订购、施工过程管理等。
2.工程成本监测措施如下。
(1)工程设计施工图出来后,预算部参与设计的优化,参与设计交底,并做出经济可行分析,指出与成本控制目标的偏差。
(2)预算部参与材料设备采购招标文件及合同的制定,参与评标和合同评审。
(3)预算部参与施工监理委托,并就施工监理承担的投资控制职责及控制方式、方法提出自己的合理建议。
(4)预算部参与施工过程的经济调整(工程变更及合同索赔、反索赔)管理,鉴定合理性,并配合计量,签署意见。
(5)实施工程进度计量,控制过程付款。
①工程施工过程中,根据合同约定,预算部按照已完工程质量及工程实际进度,分期实施工程进度计量,编制工程进度计量累计工程量清单。分项工程进度累计工程量不得大于合同工程量清单分项工程工程量,且与合同约定、实际工程进度相符。分期计量工程进度及质量签认表如下所示。
分期计量工程进度及质量签认表
单位工程名称: 计量周期: 年 月 日~ 年 月 日
申请确认方: 填报人: 填报时间: 年 月 日
②预算部根据合同约定、进度完成工程量、已付工程款编制工程付款确认单(如下表所示),供公司领导进行付款参考。工程进度累计造价不得大于合同造价,工程累计付款额不得大于合同约定付款额。
工程进度付款确认单
付款周期: 填表人:
审 核: 审 定:
批 准: 时 间: 年 月 日
(6)分期编制工程成本偏差分析表
工程实施过程中,预算部分单项工程每月编制一份工程成本偏差分析表,将该月实际发生的合同价款调整(偏差)情况按发生偏差额度、原因、影响分析填写清楚,以备纠偏和公司领导决策。单项工程成本月度偏差分析表如下所示。
单项工程成本月度偏差分析表
月度:
填报人: 填报时间: 年 月 日
第5条 工程成本核算
工程竣(完)工后,预算部实施工程成本核算(工程造价竣工结算)。工程合同造价加上施工过程偏差(合同价款调整)即为工程竣(完)工结算造价。
1.预算部对工程竣(完)工结算造价实行两级核查,即专业造价工程师对工程竣(完)工结算造价进行审核,部门经理对已审工程竣(完)工结算造价进行审查。
2.若无承包合同价,按实进行工程造价结算的,预算部对工程竣(完)工结算造价实行两级审核。即专业造价工程师对工程竣(完)工结算造价进行初步审核,公司委托社会中介机构进行工程竣(完)工结算造价确认审核(预算部配合、监控过程的实施)。
第6条 本规定自颁布之日其实施。
#弗布克##工程预算#
领取本资料的Word、PDF版完整内容方法:
1.本资源编号:1611。
2.关注+评论+转发,然后私信“资料”。
版权声明:我们致力于保护作者版权,注重分享,被刊用文章【合同管理员岗位职责(工程预算与决算管理)】因无法核实真实出处,未能及时与作者取得联系,或有版权异议的,请联系管理员,我们会立即处理! 部分文章是来自自研大数据AI进行生成,内容摘自(百度百科,百度知道,头条百科,中国民法典,刑法,牛津词典,新华词典,汉语词典,国家院校,科普平台)等数据,内容仅供学习参考,不准确地方联系删除处理!;
工作时间:8:00-18:00
客服电话
电子邮件
beimuxi@protonmail.com
扫码二维码
获取最新动态
