现场基底土方采用机械开挖至设计标高以上200mm,现场剩余土方采用人工开挖方式挖至设计标高,基础承台、地梁开挖、现有出土坡道的土方开挖以及基坑底清理等。根据地勘报告及现场人工挖孔桩的开挖情况,基础承台及地梁处的土方采用挖土机开挖。
(1)总体开挖顺序
现场基坑土面挖至设计标高上200mm处,采用大面开挖至基础底板标高上200mm处,剩余的浮土采用人工清理。
基坑第一次土方开挖→然后进行基础承台、地梁开挖→人工清理基坑底至设计标高→退挖出土坡道。
(2)具体部署
1、土方从东向西退挖施工,挖出的土方经出土坡道运出场外。
2、基础承台、地梁开挖,先开挖离出土坡道远的区域,逐渐向出土坡道推进,挖出的土方经出土坡道运出场外。
3、人工清理基坑底土方至设计标高,随着基础承台、地梁开挖而进行,基础承台、地梁开挖出一块,就跟着清理出一块,清理的同时对超大的承台、地梁进行回填并初步压实,剩余的土方经出土坡道运出场外。
4、开挖时优先开挖电梯井、集水井部分大承台,除电梯井、集水井部分大承台分二层进行外,放坡系数均为为1:0.5,其它均一次挖到位,第一层挖深3m,第二层根据不同位置的标高定出挖深值,由控制线测放出它不同挖深处的分界后,按线进行挖土做好基坑内降排水措施。
5、外运出土利用原有的出土坡道,挖土时要边挖边检查坑底宽度及坡度,不够深及时修整,每挖一层修一次坡,至设计标高再统一进行一次修坡清底,检查坑底宽和标高,要求坑底凹凸不超过20mm。
(3)开挖方法及机械投入
主要采用机械挖土、辅助人工挖土的方法。基础大承台及大面开挖采用1m³的大型挖土机为主,地梁用斗容量为0.5m³小型挖机为主并辅助人工清理,清理基坑底土方主要采用人工清理。若遇到强、中风化岩石采用风镐进行岩石破裂。
根据总体土方量,计划投入4台斗容量为1m³的全自动挖土机,2台斗容量为0.5m³的小型挖土机,30台19t自卸汽车(或载重汽车)配合挖土机进行场内外土方运输,安排10-15名工人进行人工开挖、基坑清底等工作。
1、对现场情况和设计意图进行深入了解,全面熟悉设计施工图纸,确定有关施工方案,制定有关技术对策,做到有序、有节,现场全局要在技术管理人员心中有数,千万不能为了抢工期盲目开工,出现混乱局面。
2、测量放线:根据建设单位提供的坐标点和水准点,采用全站仪、经纬仪进行坐标定位,完成对原桩基单位坐标的复核。同时,在业主和监理的协助下,重新进行现场控制网点的布设,并进行轴线控制和复核。根据业主提供的水准点,利用水准仪、塔尺、钢尺将其绝对高程引至施工现场,利用现场的建筑物和水准控制点标注,引至基坑后在木桩上标注。然后根据控制轴线、引测的水准点和设计图纸尺寸确定基坑、承台、集水井、电梯基坑、地梁等的开挖边线和进行开挖深度的控制。
3、水平与垂直运输:在土方开挖期间,水平和垂直运输主要通过原有出土坡道,如人员上下、材料运输及土方外运。等塔吊安装调试完毕可以投入使用,以后的水平和垂直运输工作以塔吊运输为主、人工运输为辅。
4、人员与机械准备:根据工作进展情况、工作量和工作面的大小配备足够的施工人员和管理人员,保证按期完成;施工机械配备如下:
土方开挖施工机械配备一览表
5、验槽
基础承台、地梁、底板底等开挖至设计标高后,严禁机械开挖,以免扰动完成面以下的原状土,然后进行人工清槽。土方开挖应严格控制设计开挖标高,严禁超挖,基坑和沟槽开挖至设计标高应会同有关方进行验槽,经验收合格后应立即进行垫层和基础施工,防止太阳暴晒和雨水浸刷破坏基土原状结构。
6、降排水措施
1)、根据地质报告,本工程的地下水位在基坑及基础埋深之上,但地下水量不大丰富,主要是受大气降水的影响。
2)、为保证地下水及雨水不影响施工,在地下室施工期间,要做好基坑内外的排水和降水处理,使地下水位降至基础底500mm以下。基坑采用集水明排法进行地下水控制,除了充分利用原有的降排水设施外,在基坑顶部四周和底部设排水沟,基坑底部排水沟每40m设一个集水井,然后用水泵将水抽到基坑顶排水沟。排水沟沟深0.5m,宽0.25m,砖砌,排水坡度0.5%,集水井的宽度1.0×1.0m,砖砌。在雨天开挖或是在开挖过程中出现地下水,要用水泵抽水降低地下水水位至最低承台底500mm以下。
3)、根据基坑底积水情况,现场可安排挖机挖深局部设置降水井,同时配备12台水泵进行抽水。水泵抽水时,水龙头包以滤网,防止泥砂进入水泵。所抽出的水排入基坑顶的排水沟或直接排入沉砂井,再排入市政下水道或直接市政污水管网。
4)、在以后整个地下室施工期间,切实做好基坑的降、排水措施,使地下水位降至最低承台底500mm以下。
7、土方回填
土方回填包括承台砖胎模完成后外侧的回填土,土方回填以机械为主,对于承台、地梁及阳角处辅以人工回填。
该工序要注意:
a.在胎模砌筑三天后具有一定的强度后进行;
b.回填土分层夯实时要做好胎膜的加固措施,尤其是对于电梯井和集水井等大承台的加固工作,防止胎膜破坏;
回填土的质量要根据设计要求选用材料,根据规范及设计要求进行分层夯实,及时检验其密实度及其符合设计要求。
施工工艺:
1〉施工准备
(1)、材料
A、回填土:宜优先利用沟槽中挖出的优质土。回填土内不得含有有机杂质,粒径不应大于50mm,含水量应符合压实要求。
B、填土材料如无设计要求,应符合下列规定:
a碎石、砂土(使用细、粉砂时应取得设计单位同意),可作表层以下的填料。
b含水量符合压实要求的粘性土,可作各层的填料。
(2)、作业条件
A、填土基底已按设计要求完成或处理好,并办理验槽签证。
B、基础、地下构筑物及地下防水层、保护层等已进行检查和办好隐蔽验收手续,且结构已达到规定强度。
C、土方回填前应根据工程特点、填料种类、设计压实系数,施工条件和压实工艺等合理确定填料含水量、每层填土厚度和压实工艺等合理确定填料含水量、每层填土厚度和压实遍数等施工参数。重要的填方工程和路基,其参数通过压实测试来确定。
D、填土前,应做好水平高程的测设。基坑(槽)或沟坡边上按需要的间距打入水平桩,室内和散水的墙边应有水平标记。
填土工程质量检验标准表
1、底板垫层施工
本工程砼垫层采用10cm厚C15砼垫层,垫层分区和施工顺序与土方开挖相同,包括砼底板、承台、地梁的砼垫层;承台、地梁的砼垫层先施工,然后在上面砌承台、地梁砖模,然后回填底板垫层下回填土,再施工底板垫层。施工这部分,应注意保证基坑几何空间尺寸的准确,砼垫层施工前,用6Φ@8000钢筋头打入土中控制作为标高。
2、底板砖模施工
本工程的模板施工主要包括基础梁模板、承台模板及墙柱模板等工作内容。基础梁及承台采用砖胎模,承台部分除电梯井及集水井处承台外,500以下用120墙;500-1000用240墙;1000以上用370墙;3000以下用370墙;超3000中部加圈梁,圈梁尺寸240×370,箍筋Φ6@200、主筋4Φ12,墙身采用MU7.5砖M5.0砂浆砌筑,并采用内抹20厚1:2.5水泥砂浆抹灰。
电梯井、集水井内模板
1、施工工序
砖模施工工序:
土方开挖成型→放承台、地梁线→按线砌筑砖模→砖模抹灰→防水→砖模加固
止水带吊模施工工序:
外墙钢筋绑扎加固→按放线位置焊接底部定位钢筋→支18厚模板→弹线穿螺杆→立竖楞方木→绑钢管,拧紧螺杆→绑钢丝绳,校准成型
2、技术细节
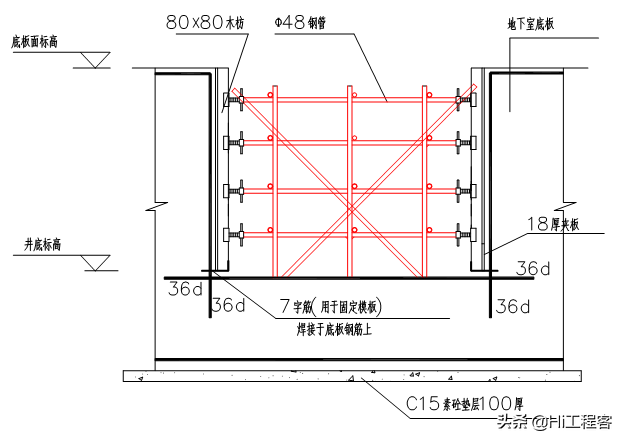
1)、电梯井及集水井处大承台模板施工:由于电梯井和集水井承台较深>5m,支模时若采用砖胎膜砌筑容易产生质量和安全隐患,四周采用200厚钢筋混凝土挡墙施工,并在下设置地圈梁,下图为5#楼电梯井砼挡墙示意图:
5#楼电梯井砼挡墙示意图
2)、止水带吊模施工:
外墙水平施工缝留在距底板面150处,设一条3×400钢板止水带,支模方法:
底部定位钢筋安装:定位钢筋需满足托住模板、防止胀模、防止模板内移的要求。托住模板、防止胀模采用Φ14钢筋弯成扁U形焊在剪力墙竖向钢筋上,两边各伸出175mm,间距@1000,两侧摆设方木,并用木楔楔紧。(见插图)。
地下室第一道外墙施工缝做法图
防水螺杆大样图
为了防止模板向内陷,特别是板与板的交接处无法穿螺杆,则当用铁钉连接竖楞和模板时,会因为由外向内用力而使搭接处模板内陷而出现错台,所以模板与竖楞的连接必须用铁钉由内向外钉牢。
竖楞排列间距@300。
横檩采用Φ48钢管,钢管搭接使用一字扣件,搭接头设在两方木竖楞间隔内,上下排钢管搭接位置要错开,同时,用钢丝绳将上下排钢管绑扎在一起。
绑钢丝绳校准模板垂直度时,必须吊铅锤进行。
3)、施工缝与后浇带模板支设
此部分模板采用快易收口网。快易收口网是一种永久性模板,是一种薄形热浸镀锌钢板材质,经加工成为单向U型密肋骨架和单向立体网格的模板。底板的施工缝的模板采用粗钢筋骨架进行支撑加固。具体做法详见图:
施工缝与后浇带模板支设
基层处理要求:
1、基面要干净、牢固、平坦,无孔洞、无浮灰、无油污。
2、基面必须潮湿;若基面干燥,要先喷洒水后再施工。
3、新的混凝土结构浇注7天后,即可进行施工。
4、过分光滑的混凝土结构基面,需要打磨粗糙,以利于涂层与基面粘结牢固。
5、破损、凹凸不平的混凝土结构,需要进行修补找平处理后,方可施工。
现场施工基面要求:
1、面层浇注混凝土滴块要求予以清理。
2、现场施工部位的垃圾要求予以清理。
使用材料:
水泥基渗透结晶型防水涂料防水涂料
施工工艺:
(1)抹压法:用抹子把已经拌和好的防水涂料均匀地抹在防水施工面上,在每平方用料1.2-1.5kg的标准上要求防水涂层均匀分配,可以一次性完成施工,该施工法能保证防水涂层密实,与防水面结合性紧凑,故一般在立面和顶面的防水施工时应用。
(2)刮涂法:用橡胶刮板把已经搅拌好的防水涂料均匀地刮在防水施工面上,可一次性刮涂施工,该防水施工方法能确保防水涂层施工均匀,施工进度快,一般应用在水平面的防水施工,如屋面、地下室、地坪的防水施工。迎水面防水施工时,因无法预知可能存在的渗水部位,应略增加用量,尽可能提高防水涂层的抗渗能力,并注意蜂窝状基面的处理。背水面施工时,细小的渗漏都易察觉,在防水施工前先进行堵漏。常规用量1.2-1.5kg/m²,涂层厚度0.8mm。
(3)刷涂法:针对防水施工面不光滑(如地下连续墙)及特殊部位的防水施工,用该方法施工时要求防水面有一定的湿度方可进行,最好边喷水边涂刷,要求两次涂刷完成,该方法用作防水施工可针对过分毛糙的防水面节约防水涂料用量,在糙面上涂布能确保防水涂层颁布均匀,涂料与基面附着力强。常规用量≥1.5kg/m²,涂层厚度0.8-1.2mm。一般刷一遍约为0.5-0.8kg/m²。(4)喷涂法:按水:料=1:2(质量比)调配,采用喷枪时应注意距涂层近些以保证灰浆充分喷进微孔中。常规用量:1.2-1.5kg/m²,涂层厚度0.8mm。
施工技术参数:
1、水灰比:0.30:1
2、材料用量:1.5Kg
3、施工后养护:10℃以上养护二次,10℃以下不养护
施工工序:
基层清理:将表面混凝土滴块铲除,基面蜂窝、孔洞予以修补,施工前用水将基面的浮灰冲洗干净,太光滑的表面予以拉毛处理。
拌料:按水∶灰==0.30∶1的要求先把定量的水倒入桶内,逐渐加入定量的粉进行搅拌,边加粉料边搅初具强度后开始施工,施工顺序与底涂呈十字交叉,采拌(用多少、拌多少,拌好的料在20-30分钟内用完)。
底涂:将拌好的料用滚筒均匀地涂布在基面上,方向与施工顺序一致。
面涂:底涂施工表面用滚筒施工,两道滚涂施工材料总用量1.5Kg/㎡,厚度0.8mm。
养护:涂层呈半干状态后即应开始用雾状喷洒养护,养护必须用净水,水流不能过大,否则会破坏涂层,一般每天需喷水3-4次,连续2-3天,在热天或干燥天气要多喷几次,防止涂层过早干燥。
验收:防水施工完毕后7天才能进行抗渗实验。
注意事项:
1、防水施工前基面必须湿润、干净,但不能有明水。
2、墙体若有贯穿性裂缝,必须进行结构补强。
3、墙体与底板阴阳角位置必须做成R状,以降低应力反应。
4、底板与侧墙连接位置必须延伸300~500mm。
3.4钢筋施工方案
本工程地下室钢筋种类有HPB235、HRB335、HRB400三种类型,规格从不等,为此必须要求钢筋工长详细了解图纸,对班组做好详细的技术交底。
1、钢筋工程施工工艺
钢筋工程施工工艺图
2、钢筋施工具体要求
原材料的要求
1)进场钢筋应有出场质量证明书和试验报告单,每捆钢筋应有标牌。钢材进场后,即将有关质量证明资料报送工程监理。
2)钢筋进场后在监理人员的监督下按规范的标准取样做钢筋机械性能试验,合格后方可使用,并及时将检验报告上报监理。
3)钢筋加工过程中如出现脆断,焊接性能不良或机械性能不正常时,应进行化学成份检验或其它专项检验。
3、钢筋的翻样
1)翻样人员在收到正式的施工图纸以后,须认真学习图纸设计说明、学习
现行规范中钢筋分项工程的质量标准和质量要求,消化图纸,图纸中存在的问题及不明确处疑问反馈到技术负责人处,以便及时与设计沟通解决。
2)翻样时严格按照有关规定计算翻样,不同部位的配料单分开。
3)制作时翻样人员应经常到加工车间清点钢筋数量,钢筋绑扎完毕,若发
现有钢筋或多或少现象,应立即查清原因,分清责任。
4)实行复核制度,配料单下发制作前须经预算、制作班组双重复核。
4、钢筋的加工制作
1)钢筋原材料堆放及制作在钢筋加工车间里进行。钢筋原材堆放方向顺车间长度方向,以便于人工搬运。制作的半成品应根据钢筋的牌号,按“先上后下”的顺序整齐堆放。
2)成型的钢筋按不同部位分开,堆放整齐,同时要垫空不得接触湿土,作好部位标识,以免造成清料及查找困难。焊工要持证上岗,焊接接头经试验合格,且试验单位出具合格报告后,才能进入绑扎工序。
钢筋分类标识、堆放示意图
5、钢筋的连接
连接方式一览表(18以上全部为3级钢)
1)直螺纹连接
钢筋在滚压套丝前必须对钢筋规格及外观质量进行检查,钢筋端头弯曲及马蹄段须割除。钢筋滚压螺纹时不得使用油性切削液;不得在没有润滑液情况下加工。钢筋规格与滚丝头应调整一致,螺纹滚压长度应满足设计标准,操作工应按下表执行:
螺纹丝头牙形应饱满、无断牙、秃牙缺陷,且与牙形规的牙形吻合,牙齿表面光洁的为合格品。对已经加工成型的钢筋丝扣要有连接套的保护,不得损坏丝扣,丝扣上不得粘有水泥砂浆等污物。
生产厂家提供的螺纹连接套的规格和质量必须符合要求。套筒表面应有规格标记。接头强度必须经取样检测合格后方可使用。
当连接水平钢筋时,必须将钢筋托平对正用手拧紧,必须进行终拧同时用油漆作好标记,以防止漏拧。直螺纹外露丝扣不得超过二个完整扣,否则应重新拧紧或加固处理。钢筋的接头位置、规格、同一区段内有接头面积百分率,必须符合设计与规范要求。
连接钢筋时必须用管钳扳手拧紧,使两根钢筋丝头在套筒中央位置相互顶紧,或用锁紧螺母锁紧并加以标记。
直螺纹连接示意图
直螺纹连接规格表
2)焊接连接
钢筋连接采用电弧焊连接时,双面焊的焊缝长度≥6d,单面焊的焊缝长度≥11d。采用单面搭接焊接头的,焊缝高度不小于0.3d、焊缝宽度不小于0.7d。接头钢筋要预弯,安装时,要保证两钢筋的轴线在一条直线上。施焊时,引弧要在钢筋的一端开始,收弧时要在钢筋的另一端头上,弧坑应填满。焊接接头的施焊要按规程操作。
3)搭接连接
搭接长度及范围须满足设计及规范要求。在钢筋的搭接处,在其中心和两端用铁丝扎牢。
6、钢筋的绑扎
1)底板钢筋绑扎施工
底板钢筋工程量大,穿插复杂,必须注意施工顺序:
(1)施工前弹出钢筋位置线,以确保钢筋绑扎后位置的正确性。
(2)先绑扎承台、地梁钢筋,承台、地梁箍筋驳头需二个方向错开。
(3)承台、地梁钢筋绑扎完成后,按弹出的底板钢筋位置线,先铺底板下层钢筋,根据底板受力情况,确定下层钢筋哪个方向的钢筋在下面。原则上应首先满足受力主筋保护层位置。
底板钢筋绑扎示意图
(4)钢筋绑扎时,靠近外围两行的相交点每点都绑扎,中间部分可梅花型绑扎,双向受力钢筋应满绑。
(5)底排筋用C35砼垫块垫起,间距800,梅花状布置。
(6)绑扎完下层钢筋后,摆放钢筋马凳,底部与下层筋点焊固定,根据0.6m厚基础钢筋布置情况分析,0.6m厚基础底板采用A形钢筋马凳作为钢筋支架。马凳采用Φ22、Φ25钢筋制作。马凳长度1.5m~2.5m;高度为:板厚-上下保护层-下铁下层钢筋直径-上铁两层钢筋直径。例如600厚板,上下保护层分别是20㎜和50㎜,下铁下层筋直径25,上铁两层筋直径44(取45),马蹬高度为:600―(20+50)―25―45=460㎜,如考虑钢筋壁肋局部重叠,马凳高度460㎜可取450㎜。现场马凳放置间距不大于2000。马凳制作大样如图。
马凳制作大样图
(7)承台基础钢筋绑筋时,增设1000*1000马蹄形马凳纵向架筋固定上层钢筋的位置。
固定上层钢筋位置图
(8)由于基础底板及地梁的受力的特点,上、下层的钢筋接头位置应符合设计要求。
底板钢筋网片绑扎示意图
2)墙插筋:
外墙竖向钢筋采取一次性插到下一层楼面的方法,要求沿底板边搭设钢管架防止竖筋偏位、倾覆,钢管架搭设方法详见后面地下室墙柱施工方案,施工时应严格控制竖筋顶标高。
柱插筋:
柱四角的主筋落到底板底层钢筋网上,其他钢筋入底板内45d,上部采用50%接头错开,短筋应超出底板面500。
为了保证墙、柱钢筋的正确位置,在防水保护层上放出轴线及墙柱位置线,经工程技术组仔细验线确认无误后,再绑钢筋。
待承台及板的面筋绑扎完毕后,再在面筋上放出墙柱位置线,验线无误后,再进行墙柱插筋。
柱墙竖向钢筋在底板面筋之上应绑扎5排箍筋或水平筋,并用点焊固定,柱筋伸入底板内的锚固段也应在上中下三个位置加上箍筋,端头用短钢筋点焊固定,并保证其垂直、不倾倒、不变形。
挡墙先用二根通长Φ12钢筋点焊在底板面筋上,墙竖筋同Φ12钢筋点焊牢固,以上保证竖筋绑扎牢固。
底板砼浇注时,振动棒严禁直接触及墙柱筋,钢筋班应派专人负责对偏位的钢筋进行纠正加固。
7、钢筋的验收
1)钢筋绑扎完毕,由钢筋工长填写钢筋绑扎分项工程质量检验评定表及隐蔽工程验收记录表,报送质安部;再由项目部组织检查后填写报验单,报送监理及甲方,重要部位还需报政府质量监督部门检查验收。验收时发现问题应及时整改。如验收通过,及时办理隐蔽工程验收手续。
2)验收时注意检查:
根据设计图纸检查钢筋的钢号、直径、根数、间距、位置是否正确。特别是要检查支座负筋的位置。
检查钢筋接头的位置及搭接长度是否符合规定。
检查集中力处吊筋或加密箍筋是否符合规定。
检查钢筋保护层厚度是否符合要求。
检查钢筋绑扎是否牢固,有无松动现象。
检查钢筋是否清洁。
地下室底板与外墙交接钢筋绑扎图
本工程地下室二层,底板厚600mm,基础承台大多1m至2.1m不等,整个面积约65000m²,根据后浇带分区施工,承台、地下室底板混凝土强度等级C35(S8)。
1、施工思路
住宅部分混凝土浇筑拟采用4台混凝土泵机,泵机设置在基坑南面xx路上,在围墙上开洞,泵管直接接至施工区域,本次混凝土浇筑面积大,如何保证混凝土的连续供应,避免冷缝出现、避免产生温度收缩裂缝是底板施工的重点。为此,要求在底板砼浇筑前,必须结合现场的实际情况编制详细的施工方案。并做到分级交底,使各施工人员和操作工人清楚每项设计要求、技术要求、措施及方法,做到周密组织、层层把关,确保底板砼的施工质量。
2、区域划分
Ⅰ、Ⅱ区流水施工,Ⅳ、Ⅴ#区流水施工,最后进行Ⅲ区。
区域划分图
2、施工顺序
每个施工段的基础底板混凝土分别浇筑,流水作业。每个施工段的基础底板混凝土浇筑时,两台泵同时浇注承台及板面,连同桩基础承台、集水井、电梯基坑、底板等混凝土均一次性连续浇筑,不留施工缝。大体积砼浇注比较快,按砼运输不利时间考虑,每车8m³砼浇注15min,按一次浇注幅宽3m宽考虑,每块浇注段约80m长,浇注一幅时间大约为2小时左右,所以避免了施工冷缝的产生。
混凝土浇筑路线图
3、施工准备
砼供应过程中,除对厂家进行定期质量跟踪检查外,对砂石、水泥、外加剂及掺合料等也随机进行资料和实物抽查。砼送至现场,试验人员对其坍落度、和易性及外观质量进行检查。收料人员检查每车砼出厂和运至现场的时间,砼强度等级、工程名称和数量等。保证不合格产品不进入施工现场。
技术准备
根据施工图和初定的混凝土配比,由混凝土供应商和现场分别对大体积混凝土进行热工计算,并以热工计算为基础,调整混凝土配比,决定混凝土的生产、运输、浇筑的技术程序和管理原则,拟定的相应温控、防裂技术措施。混凝土连续浇捣,一气呵成,不留施工缝和出现施工冷缝。
材料及人员要求
本工程地下室面板为超长结构大面积混凝土,核心筒承台为大体积混凝土。砼掺入适量早强缓凝减水剂,确保砼的抗渗要求并使砼终凝时间延长到8-10小时,防止砼浇捣时产生施工冷缝。混凝土所用的骨料应符合国家现行标准的规定,地下室底板及底板为C35,根据抗渗混凝土原材料的要求,骨料的含泥量不得大于3.0%,泥块含量不得大于1.0%。在满足设计强度的条件下,砼内掺入一定量的矿渣,减少水泥用量,以降低砼的水化热。底板砼坍落度控制在14―16cm之间,水灰比在0.45―0.55之间,砼浇筑时严格控制坍落度,控制用水量,确保砼质量。
本阶段准备投入施工的主要机械设备表
按5条振动棒跟一台泵机,塔吊作为辅助运输设备。
拟投入施工的劳动力安排表
现场准备
商品砼到现场后有专职质检员进行检验。
浇筑前检查模板的标高、位置与结构界面尺寸是否符合设计要求,预留孔洞是否正确。
钢筋与埋设件规格、数量、安装的几何尺寸与位置,以及钢筋接头等是否与设计要求相符,对于已经变形和位移的钢筋应及时校正。检查和安放保护层垫块、马凳。
机具准备,对所需的运输车辆、料斗、振捣器等机具,要保证机具的完好率,使生产机具处于完好状态。混凝土泵、泵管铺设、承台或塔吊、吊斗已经调试好。
雨季施工的保温覆盖材料,水、电等已经安排就位。
检查运输道路是否畅通。
泵管安装及固定图
4、施工前的技术,安全交底
认真贯彻本工程的安全管理制度,施工人员在进场前必须进行安全知识学习,方可进场。认真做好技术交底工作,还应组织各班组召开技术交底会对施工工艺、操作方法进行讲解。
混凝土浇筑振捣操作人员应熟悉机械操作流程。项目经理部应安排责任人员对混凝土振捣操作人员进行交底,使操作工人对混凝土振捣中的技术要求熟练掌握。包括:混凝土振捣时间控制,混凝土分层厚度;混凝土下落高度;浇筑顺序。每班操作前,应对操作工人进行简单的技术及安全,环境交底。
5、墙柱插筋的复核、验收
作业面设技术人员和专职质检员跟班作业,对振捣密实度、下料方法、高低差留置、平整度、墙柱钢筋进行监督检查,对不符合施工工艺标准的将行使质量否决权,有权下令停工整改,直至符合工艺标准才能继续施工。
6、浇筑方法
分层浇捣措施:为了保证每一处的混凝土在初凝前就被上一层新的混凝土覆盖,采用斜面分段分层踏步式浇捣方法,按1:5坡度自然流淌,分层厚度不大于500mm,分层浇捣使新混凝土沿斜坡流一次到顶,使混凝土充分散热,从而减少混凝土的热量,且混凝土振捣后产生的泌水沿浇灌三顺斜坡排走,保证混凝土的质量。
混凝土浇捣时间的控制:根据超厚混凝土施工过程中的流淌铺摊面及收头等因素,考虑混凝土的初凝时间控制在6h以上,同时在混凝土面上下层覆盖时间间隔不得超过2h,混凝土从搅拌后4h内必须下料入模。
底板混凝土分层浇筑示意图
承台、底板浇筑要点:
承台、底板浇筑工作内容表
泌水排除与顶端混凝土浇筑方向图
底板混凝土振捣与插点排列示意图
质量要求表
底板砼浇筑完毕,柱、墙竖向钢筋根部砼表面需进行凿毛处理示意图
7、后浇带施工:
后浇带施工表
后浇带施工节点图
8、砼养护措施
电梯井、集水井等大承台混凝土浇筑体积较大,为了保证混凝土的施工质量,必须对混凝土内的温度进行科学、合理的控制,使其内外砼的温差最大不超过25摄氏度,从而能有效控制温差产生的裂缝,从而确保混凝土结构的质量。本工程采用覆盖养护的方法,对底板在采用表面覆盖薄膜,4cm湿麻袋进行隔绝养护作保温、保湿养护。湿麻袋迭缝、骑马铺放,并专人每2小时浇水一次,以保温保湿;大承台砼养护采用一层塑料薄膜、二层草袋做保温养护,草袋上下错开搭接压紧,形成良好保温层,减少表面热的扩散,延长散热时间。为防止砼表面脱水产生干缩裂缝,保持砼表面处于湿润状态。浇水次数根据能保证混凝土处于湿润的状态来决定,确保了混凝土的质量。
同条件试块放置图
版权声明:我们致力于保护作者版权,注重分享,被刊用文章【工作证明模板word(高层住宅小区土方开挖及基础底板主要施工方案)】因无法核实真实出处,未能及时与作者取得联系,或有版权异议的,请联系管理员,我们会立即处理! 部分文章是来自自研大数据AI进行生成,内容摘自(百度百科,百度知道,头条百科,中国民法典,刑法,牛津词典,新华词典,汉语词典,国家院校,科普平台)等数据,内容仅供学习参考,不准确地方联系删除处理!;
工作时间:8:00-18:00
客服电话
电子邮件
beimuxi@protonmail.com
扫码二维码
获取最新动态
