河北省邯郸市涉县一宝马司机醉酒驾驶致三名学生一死两重伤,事发40余天却未被拘留?10月13日,死者母亲周女士告诉开屏新闻,事故发生到现在已经40多天,目前家属没有拿到交通事故责任认定书,肇事司机也未被拘留。涉县交警队事故科相关工作人员称,正在按程序依法办理。针对此案,有律师表示,肇事司机如未被拘留应该不属于违规操作,因事故中有人死亡,故需要交通事故责任书进行认定。
8月28日晚上10点,河北省邯郸市涉县发生了一起严重交通事故。一群学生在回家的路上被一辆宝马车从后方撞上,一人当场死亡,两人重伤住院。
死者母亲周女士告诉开屏新闻记者,儿子小飞(化名)今年初中毕业,如果没有发生意外,现在就是一名高中生了。“我儿子从小到大没惹过事,是个听话的孩子,事故发生当天是和朋友出去过生日。”周女士说,因为路程不远,小飞骑了电动车出门。没想到出去了就再也没回来,只留下一张被撞得稀烂的电动车摆放在仓库。
涉事电动车
在周女士提供的现场视频中,疑似肇事司机王某不停跪地磕头并拨打着电话,凹陷的车头前躺着一个身穿黑色衣服的人,车子下方也躺着一个只露出下半身的人,四周散落着被撞落的部件。两辆被撞变形的电动车倒在路边,离车辆几十米的距离处,有两个受伤的人坐在地上。
事故现场
周女士说,当天晚上几个孩子依次排队,正常行驶在路上,“宝马车是从后方撞上来的,大家根本来不及做出反应,肇事司机首先撞到了我儿子,紧接着撞到了另外一个女生。”事故发生后,有人当场拨打了120,但小飞刚送到医院就被宣告脑死亡。另外两个孩子重伤住院,但没有危及生命。
另一位重伤的女孩家长表示,目前孩子已经出院,还在恢复当中,没有完全痊愈。“孩子受到很大的刺激,不敢坐车,平时睡觉也怕,令人担忧。”该家长说,孩子们走的方向是对的,另外还有两个女同学在连续撞击的过程中被撞倒在地,但人没事。
几位家长均表示,肇事司机做了酒精检测后就回家了,没有受到任何处理。肇事司机在事故发生当天给三个孩子一人垫付了7000 元钱的医疗费用,就再也没出现过。
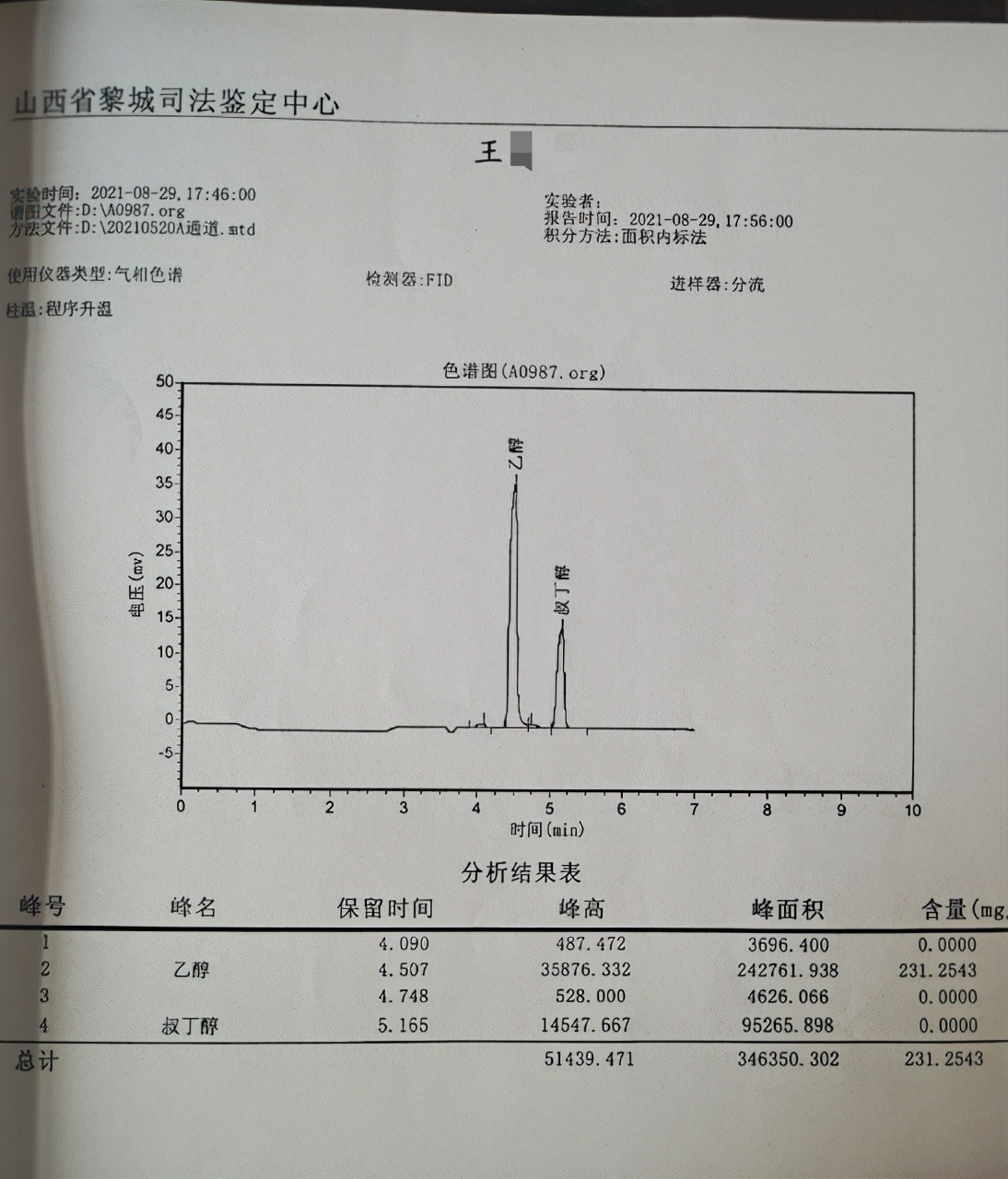
周女士提供的酒精检测司法鉴定书显示,肇事司机王某的血液酒精含量为231mg/100ml。国家《车辆驾驶人员血液、呼气酒精含量阈值与检验》规定,100毫升血液中酒精含量达到20-80毫克的驾驶员即为酒后驾车,80毫克以上认定为醉酒驾车。
肇事司机的酒精检测报告
家属多次询问交警大队事故的处理结果,被告知车检痕迹报告没出来,程序还没有走完,无法开具事故责任认定书。
周女士认为,王某醉酒驾驶导致小飞死亡,还有两个孩子重伤住院。“按说单单酒驾都应该当场拘役15天,可是到现在40多天了,司机至今都没被拘留,我们也没有拿到事故责任认定书。”
对此,记者联系了涉县交警大队事故科成警官,他表示,该起交通事故正在按程序依法办理,“这起交通事故不是一般的事故,是死亡事故,按照最高刑法,人死了就构成交通肇事,我们是按交通肇事(流程)走的。”
针对家属的质疑,四川皓锦律师事务所的李勇律师表示,醉酒发生交通事故并且造成一人死亡的情况,如果司机负事故全部或主要责任,那么司机就可能构成交通肇事罪。但判定行为人是否构成犯罪,要根据事故责任认定书划分的责任来进行判定。
“这个案子虽然司机王某醉酒驾驶发生交通事故造成人员伤亡,但是在事故责任认定没有下来之前是不能判定是否构成刑事犯罪的。”他说,公安机关交通管理部门在现场调查后应及时制作道路交通事故认定书,但是这个案件涉及到人员死亡,需要进行鉴定,应当在检验鉴定结论确定之日起5日内制作道路交通事故认定书。
李律师说,可能因为事故责任认定书没有出来,就没有对肇事司机采取相关的措施,只是对其车辆进行扣押。他表示,根据法律规定,交通事故造成人员伤亡,如果是同等责任及以上应该定性为交通肇事罪,如果责任没有划分清楚,也就不清楚是定性交通肇事罪还是危险驾驶罪。并且交通肇事罪也不一定是必须拘留的,“大部分情况可能被判处三年以下有期徒刑,这种情况是可以取保候审的,也就是不一定会被先行羁押。”
对于已经过去40多天,案件仍然没有任何进展,李律师建议家属多联系交通管理部门并督促事故责任认定的划分。肇事司机醉驾未被拘留的情况,李律师认为应该不存在违规操作。
开屏新闻记者 龚子芸 实习生 赵敬霞
【版权声明】本文著作权归【开屏新闻】所有,今日头条已获得信息网络传播权独家授权,任何第三方未经授权,不得转载。
版权声明:我们致力于保护作者版权,注重分享,被刊用文章【邯郸刑事律师(河北邯郸一宝马司机醉驾致人死亡)】因无法核实真实出处,未能及时与作者取得联系,或有版权异议的,请联系管理员,我们会立即处理! 部分文章是来自自研大数据AI进行生成,内容摘自(百度百科,百度知道,头条百科,中国民法典,刑法,牛津词典,新华词典,汉语词典,国家院校,科普平台)等数据,内容仅供学习参考,不准确地方联系删除处理!;
工作时间:8:00-18:00
客服电话
电子邮件
beimuxi@protonmail.com
扫码二维码
获取最新动态
