1、基坑工程安全隐患产生的危害及危险源辨识:建筑基坑工程从地质勘查开始必须详细了解地质条件、水文地质条件、周边环境、地下设施,根据结构设计对基础的埋深采取边坡稳定的具体措施,包括有自然放坡和边坡支护。考虑支护结构类型及使用年限、施工季节等因素,对建筑基坑产生的危险源进行识别、分析。
2、故统计中表明,坍塌事故已经是第五大伤害。在坍塌事故中,基坑基槽开挖、人工扩孔桩施工造成的坍塌事故占坍塌事故总数的65%,所以坍塌事故也已列入建设部专项治理内容。
3、在基坑开挖中造成坍塌事故的主要原因是:
(1)第一、基坑开挖放坡不够,没按土的类别和坡度的容许值,按规定的高宽比进行放坡,造成坍塌。
(2)第二、基坑边坡顶部或由于震动,破坏了土体的内聚力,引起土体结构破坏,造成滑坡。
(3)第三、由于施工方法不正确,开挖程序不对、超标高挖土、支撑设置或拆除不正确、或者排水措施不力以及解冻时造成的坍塌等。
4、坑、槽、沟边防护:防护栏杆高度不低于1200mm,设两道水平杆,立杆间距不大于2000mm。
5、开挖槽、坑、沟深度超过1.5米,应根据土质和深度情况按规定放坡或加可靠支撑,并设置人员上下坡道或爬梯,爬梯两侧应用密目网封闭。
7、其它注意事项:基坑周围严禁超堆荷载。基坑(槽)边堆置各类建筑材料的,应按规定距离堆置。各类施工机械距基坑(槽)边的距离,应根据设备重量、基坑(槽)支护、土质情况确定,并不得小于1.5m。
8、土方开挖安全防护:
(1)基坑开挖时,两人操作间距应大于2.5m。多台机械开挖,挖土机间距应大于10m。在挖土机工作范围内,作业人员不得进入机械作业范围内进行清理或找坡等作业。挖土应由上而下,逐层进行,严禁先挖坡脚或逆坡挖土。
(2)基坑开挖应严格按要求放坡。操作时应随时注意土壁的变动情况,如发现有裂纹或部分坍塌现象,应及时进行支撑或放坡,并注意支撑的稳固和土壁的变化。如采取不放坡开挖,应设置临时支护,各种支护应根据土质及基坑深度经计算确定。
9、排水措施:基坑施工常遇地下水,尤其深基施工处理不好不但影响基坑施工,还会给周边建筑造成沉降不均的危险。对地下水的控制方法一般有:排水,降水,隔渗。
(1) 排水开挖深度较浅时,可采用明排。沿槽底挖出两道水沟,每隔30—40m设置一集水井,用抽水设备将水抽干。有时深基坑施工,为排除雨季的暴雨突然而来的明水,也采用明排。
(2) 开挖深度大于3m时,可采用井点降水。在基坑外设置降水管,管壁有孔并有过滤网,可以防止在抽水过程中将土粒带走,保持土体结构不受破坏。井点降水每级可降低水位4.5m,再深时,可采用多级降水,水量大时,也可采用深井降水。
(3)坑内抽水:不会造成周边建筑物,道路等沉降问题,可以坑外高水位坑内低水位干燥条件下作业。最后封井技术上应注意防漏,止水帷幕采用降底式,向上延伸插入到不透水层以内对坑内封闭。
(4)坑外抽水:含水层较厚,帷幕悬吊在透水层中,由于采用了坑外抽水,从而减轻了挡土桩的侧压力。但坑外抽水对周边建筑物有不利的沉降影响。
10、坑边荷载:
(1) 坑边堆置土方和材料包括沿挖土方边缘移动运输工具和机械不应离槽边过近,堆置土方距坑槽上部边缘不少于1.2m,弃土堆放高度不超过1.5m。
(2) 大中型施工机具距坑槽边距离,应根据设备重量、基坑支持情况、土质情况经计算确定。规定“基坑周边严禁超堆荷载”。土方开挖如有超载和不可避免的边坡堆载,包括挖土机平台位置等,应该在施工方案中进行设计计算确定。
11、上下通道:
(1) 基坑施工作业人员上下必须设置专用通道,不准攀爬模板、脚手架以确保安全。
(2) 人员专用通道应在施工组织设计中确定,其攀登设施可视条件采用梯子或专门搭设,应符合高处作业规范中攀登作业的要求。
12、基坑支护变形监测:
(1)基坑开挖之前应作出系统的监测方案。包括:监测方法、精度要求、监测点布置、观察周期、工序管理、记录制度、信息反馈等。
(2)基坑开挖过程中特别注意监测:
a 支护体系变形情况
b 基坑外地面沉降或隆起变形
c 临近建筑物动态。
(3)监测支护结构的开裂、位移。重点监测桩位、护壁墙面、主要支撑杆、连接点以及渗漏情况。
13、作业环境:建筑施工现场作业条件,往往是地下作业条件被忽视,坑墙内作业不应降低规范要求。
(1)人员作业必须有安全立足点,脚手架搭设必须符合规范规定,临边防护符合要求。
(2)交叉作业、多层作业上下设置隔离层。垂直运输作业及设备也必须按照相应的规范进行检查。
(3)深基坑施工的照明问题,电箱的设置及周边环境以及各种电气设备的架设使用均应符合规范规定。
1、脚手架,指为操作人员搭设或设立的作业场所或平台,包括房建工程和市政工程等施工用落地式单、双排扣件式钢管脚手架、型钢悬挑扣件式钢管脚手架、附着式升降脚手架、门式钢管脚手架、高处作业吊篮。
2、脚手架设计计算内容:
(1)纵向、横向水平杆等受弯构件的强度和连接扣件的抗滑承载力计算;
(2)立杆的稳定性计算;
(3)连墙件的强度、稳定性和连接强度的计算;
(4)立杆地基承载力计算。
3、构造要求:
(1)纵向水平杆的构造应符合下列规定:
a.纵向水平杆宜设置在立杆内侧,其长度不宜小于 3跨;
b.纵向水平杆接长宜采用对接扣件连接,也可采用搭接。
(2)对接、搭接应符合下列规定:
a.纵向水平杆的对接扣件应交错布置:两根相邻纵向水平杆的接头不宜设置在同步或同跨度内;不同步或不同跨两个相邻接头在水平方向错开的距离不应小于500mm;各接头中心至最近主节点的距离不宜大于纵距的 1/3。
b.搭接长度不应小于 1m,应等间距设置 3个旋转扣件固定,端部扣件盖板边缘至搭接纵向水平杆杆端的距离不应小于 100mm;
c.当使用木脚手板、竹串片脚手板时,纵向水平杆应作为横向水平杆的支座,用直角扣件固定在立杆上;当使用竹笆脚手板时,纵向水平杆应采用直角扣件固定在横向水平杆上,并应等间距设置,间距不应大于 400mm。
(3)横向水平杆的构造应符合下列规定:
a.主节点处必须设置一根横向水平杆,用直角扣件扣接且严禁拆除;
b.作业层上非主节点处的横向水平杆,宜根据支撑脚手板的需要等间距设置,最大间距不应大于纵距的 1/2;
(4)脚手板的设置应符合下列规定:
a.作业层脚手板应铺满、铺稳,离开墙面 120~150mm;
b.冲压钢脚手板、木脚手板、竹串片脚手板等,应设置在三根横向水平杆上。当脚手板长度小于 2m时,可采用两根横向水平杆支撑。
c.此三种脚手板的铺设可采用对接平铺,亦可采用搭接铺设(如下图)。
d.竹笆脚手板应按其主竹筋垂直于纵向水平杆方向铺设,且采用对接平铺,四个角应用直径 12mm的镀锌钢丝固定在纵向水平杆上。
e.作业层端部脚手板探头长度应取150mm。
(5)立杆:
a.每根立杆底部应设置底座或垫板;
b.脚手架基础必须平整坚实,有排水措施,满足架体支搭要求,确保不沉陷,不积水。其架体必须支搭在底座(托)或通长脚手板上。
4、脚手架底层步距不应大于 2m。
5、立杆接长除顶层顶步外,其余各层各步接头必须采用对接扣件连接。
6、立杆顶端宜高出女儿墙上皮 1m,高出檐口上皮 1.5m。
7、脚手架搭设到高于建筑物顶部时,里排立杆要低于檐口0.40~0.50米;外排立杆要高出檐口1.00~1.50米,搭设两道护身栏,并挂密目安全网。
8、连墙件的布置应符合下列规定:
(1)宜靠近主节点设置,偏离主节点的距离不应大于 300mm;
(2)应从底层第一步纵向水平杆处开始设置,当该处设置有困难时,应采用其它可靠措施固定;
(3)对高度 24m以上的双排脚手架,必须采用刚性连墙件与建筑物可靠连接。
(4)连墙件必须采用可承受拉力和压力的构造。
9、脚手架必须与建筑物做好可靠拉接。一般情况下, 拉接点水平距离不大于6.00米,垂直距离不大于4.00米。高度超过24米的脚手架不得使用柔性材料进行拉接。
10、连墙件的构造应符合下列规定:连墙件中的连墙杆或拉筋宜呈水平设置,当不能水平设置时,与脚手架连接的一端应下斜连接,不应采用上斜连接;连墙件必须采用可承受拉力和压力的构造。
11、双排脚手架应设剪刀撑与横向斜撑,单排脚手架应设剪刀撑。
(1)剪刀撑的设置应符合下列规定:
a.每道剪刀撑跨越立杆的根数宜按规定确定。每道剪刀撑宽度不应小于4跨,且不应小于 6m,斜杆与地面的倾角宜在 45~60 度之间。
b.架高24m米以上时,沿脚手架长度和高度方向设连续式的剪刀撑;
c.高度在24m以下的单、双排脚手架,均必须在外侧立面的两端各设置一道剪刀撑,并应由底至顶连续设置;中间各道剪刀撑之间的净距不应大于15m 。
12、横向斜撑的设置应符合下列规定:
(1)横向斜撑应在同一节间,由底至顶层呈之字型连续布置;
(2)一字型、开口型双排脚手架的两端均必须设置横向斜撑;
(3)高度在 24m以下的封闭型双排脚手架可不设横向斜撑,高度在 24m以上的封闭型脚手架,除拐角应设置横向斜撑外,中间应每隔 6跨设置一道。
13、落地式钢管脚手架常见问题:
(1)没有搭设扫地杆或扫地杆搭设不完全或将纵、横扫地杆方向搭反了。
(2)立杆纵距间距不均匀,不按方案中的尺寸搭设,布置第一道立杆时杆件的长短搭配不合理,导致立杆接头没有错开,立杆的垂直度偏差超规范。
(3)纵向水平杆搭设时没有注意杆件接头的位置。使用竹笆板作脚手板时将其直接搭设在立杆,应该搭设在横向水平杆上。
(4)主节点处没有搭设横向水平杆(用竹串片板、木脚手板时极为普遍),将横向水平杆搭设在立杆上(用竹串片板、木脚手板时),水平杆伸出扣件的长度不符合规范要求(小于100mm)。
(5)连墙件:距离主节点的距离偏大(大于300mm),没有内外立杆同时连接,在连接建筑物一端与预埋件的连接采用单扣件,24m以上的脚手架连墙件的轴向力在10KN以上,必须采用双扣件连接才能满足要求,尤其是沿海地区,如果采用单扣件连接则连墙件的数量少了一半。连墙件的数量不能满足要求。
(6)剪刀撑没有随脚手架的搭设进度及时搭设,跨越立杆数量不符合规范要求,搭接长度不够,搭接时旋转扣件数量不足,剪刀撑根部没有落在垫板上,与脚手架架体之间的连接不够(主要是外侧斜杆)。
(7)横向斜撑:拐角处、折线拐点、弧线拐点及24m以上脚手架的中间每隔6跨的地方没有搭设横向斜撑或没有连续搭设到顶。
(8)首层、每隔12m及作业层都要满铺脚手板的规定没有得到认真执行。
(9)脚手架上堆载过多或集中荷载过大。
(10)大部分脚手架没有做防雷接地。
(11)扣件拧紧度普遍没有进行检查。
(12)超过50m高的脚手架没有采用双立杆或其它卸载措施。
(13)脚手架的地基承载力不足,周边缺少排水措施,落在现浇楼面上的脚手架在方案中不进行楼面承载力的计算。
(14)采用竹笆板做脚手板时拐角处缺少一根横向水平杆。
(15)脚手板的搭接不符合要求,探头板、挑头板现象普遍,竹笆板四角固定不完全。
1、模板方案的编制:
(1)工程概况:危险性较大的分部分项工程概况、施工平面布置、施工要求和技术保证条件。
(2)编制依据:相关法律、法规、规范性文件、标准、规范及图纸(国标图集)、施工组织设计等。
(3)施工计划:包括施工进度计划、材料与设备计划。
(4)施工工艺技术:技术参数、工艺流程、施工方法、检查验收等。
(5)施工安全保证措施:组织保障、技术措施、应急预案、监测监控等。
(6)劳动力计划:专职安全生产管理人员、特种作业人员等。
(7)计算书及相关图纸。
2、高大模板的定义:
(1)工具式模板工程:包括滑模、爬模、飞模工程。
(2)混凝土模板支撑工程:搭设高度8m及以上;搭设跨度18m及以上,施工总荷载15kN/m2及以上;集中线荷载20kN/m2及以上。
(3)承重支撑体系:用于钢结构安装等满堂支撑体系,承受单点集中荷载700Kg以上。
3、模板工程防护:
(1)模板及其支撑系统在安装拆卸过程中,必须有临时固定措施,严防倾覆。大模板施工中操作平台、上下梯道、防护栏杆、 支撑等作业系统必须齐全有效。
(2)现浇混凝土模板支撑系统必须有设计计算书,结合施工工艺和季节施工的特点(冬季保温措施等) 制定安全和防火措施。
(3)悬空作业处,应有可靠的作业面,支拆 2米以上高度模板时,应搭设脚手架工作台;高度不足2米的,可采用移动式高凳等措施,不准站在拉杆、支撑杆等物件和在梁底模上行走操作。
(4)模板拆除应按区域逐块进行,并设警戒区,严禁非操作人员进入作业区。
(5)模板上物料及设备应分散合理设置,不得造成荷载集中。
(6)模板停放场地应平整坚实,各种模板应分门别类,存(堆)放整齐,并有可靠的防倾倒措施。大模板应存放在专门设计的插放架内。
(7)已拆除的模板、拉杆、支撑等物应及时运走或妥善堆放,避免操作人员因疏忽扶空、踏空而发生坠落事故。
(8)混凝土墙体,平面上有预留洞时,应在模板拆除后,随时做孔洞防护。
(9)拆模作业间隙,应将已活动的模板、拉杆、支撑等固定牢固,严防掉落、倒塌伤人。
4、常见的违规搭设图集:
5、监督检查要点:
(1)查方案:
a.方案的编写内容、审批审核程序是否到位。
b.高大模板是否有专项方案,是否专家论证。
(2)查实物:
a.模板支撑系统的立杆、水平杆是否按方案搭设。
b.扫地杆、水平杆是否设置或连续设置、是否设置垫块。
c.顶托是否使用正确、立杆的接长方式是否符合要求。
(3)查现场管理痕迹:
a.搭设前是否进行交底。
b.进场的钢管、扣件、顶撑是否有验收;搭设完后分层分段是否有验收;验收内容是否量化。
c.高大模板搭设过程中是否有检查记录。
1、预防机械危害的对策:
(1)消除产生危害的原因(见本质安全);
(2)较少或消除接触机器的危险部件需求;
(3)使人们难以接近机器危险的部位;
(4)提供保护装置或者防护服;
(5)通过培训来提高人们辨别危险的能力,提高避免伤害的能力;
(6)增强采取必要的行动来避免伤害的自觉性。
2、起重机械的基本类型:
(1)轻小型起重机械:千斤顶、手拉葫芦、滑车、绞车、电动葫芦、单轨起重机等,多为单一的升降运动机构。
(2)桥式类型起重机:分为梁式、通用桥式、龙门桥式和冶金桥、装卸桥式及缆索起重机等,具有2个以上运动机构的起重机,通过各种控制器或按钮操纵各机构的运动,一般有起升、大车和小车运行机构,将重物移动在三维空间内搬运。
(3)骨架类型起重机:有固定旋转式、门座式、塔式、汽车式、轮胎式、履带式即铁路起重机、浮游式起重机等种类,与桥式起重机相似,增加了变幅机构、旋转机构。
(4)升降类型起重机:载人人货电梯、货物提升几等,其特点是只有一个升降机构,但安全装置与其他附属装置较为完善,可靠性大,有人和自动控制两种。
3、起重构件及安全技术:
(1)钢丝绳:钢丝绳捻绕次数分为单绕绳、双绕绳和三绕绳。由于双绕绳是先有丝捻成股,然后由股捻成绳,所以挠性较好,起重机主要用这种绳。
检测内容及要求:
a.在一个捻距内断丝不应超过10%,钢丝表面磨损量和腐蚀量不应超过原直径的40%。
b.钢丝绳无扭结、死角、硬弯、塑性变形、麻芯脱出等严重变形,润滑状况好良好。
c.钢丝绳长度必须保证吊钩降到最低位置(含地坑)时,余留在卷筒上的钢丝绳不少于三圈。
d.钢丝绳末端固定压板应≥2个。
(2)滑轮:在起重机的提升机构中,滑轮起着省力和支撑钢丝绳并为其导向的作用。滑轮直径的大小对于钢丝绳的使用寿命有重大影响。增大滑轮直径可以大大延长钢丝绳的寿命,这不仅是由于减少了钢丝绳的弯曲应力,更重要的是减少了钢丝绳与滑轮之间的挤压应力。试验证明,这种挤压疲劳对于钢丝绳的断裂起了决定性的作用。
检测内容及要求:
a.滑轮转动灵活、光洁平滑无裂纹,轮缘部分无缺损、无损伤钢丝绳的缺陷。
b.轮槽不均匀磨损量达3mm,或壁厚磨损量达原壁厚的20%,或轮槽底部直径减少量达钢丝绳直径的50%时,滑轮应报废。
c.滑轮防护罩应安装牢固,无损坏或明显变形。
(3)卷筒:卷筒有单层卷绕与多层卷绕之分。一般起重机大多采用单层卷绕的卷筒。单层卷绕筒的表面通常出现切出螺旋槽,以增加钢丝绳的接触面积,并防止相邻钢丝绳互相摩擦,从而提高钢丝绳的使用寿命。
检测内容及要求:
a.表面应光洁,无破口、锐角等缺陷。吊钩上的缺陷不允许补焊。
b.吊钩应转动灵活,定位螺栓、开口销等必须紧固完好。
c.吊钩下部的危险断面和钩尾螺纹部分的退刀槽断面严禁有裂纹。
d.危险断面的磨损量不应超过原始尺寸的10%。板钩衬套磨损量不应超过原始尺寸的50%,心轴磨损量不应超过原始尺寸的5%。
(4)制动器:起重机是一种间隙动作的机构,它的工作特点是经常启动和制动,因此制动器在起重机中既是工作装置又是安全装置。制动器作用有三种:
a.支持—保持不动;
b.停止—用摩擦消耗运动部分的动能,以一定的减速使机构停止下来;
c.落重—制动力与重力平衡,重物以恒定的速度下降。
d.根据操作情况的不同,制动器分为:常闭式、常开式、综合式制动器。起重机一般多用常闭式制动器,特别是起升机构必须采用常闭式制动器,以确保安全。
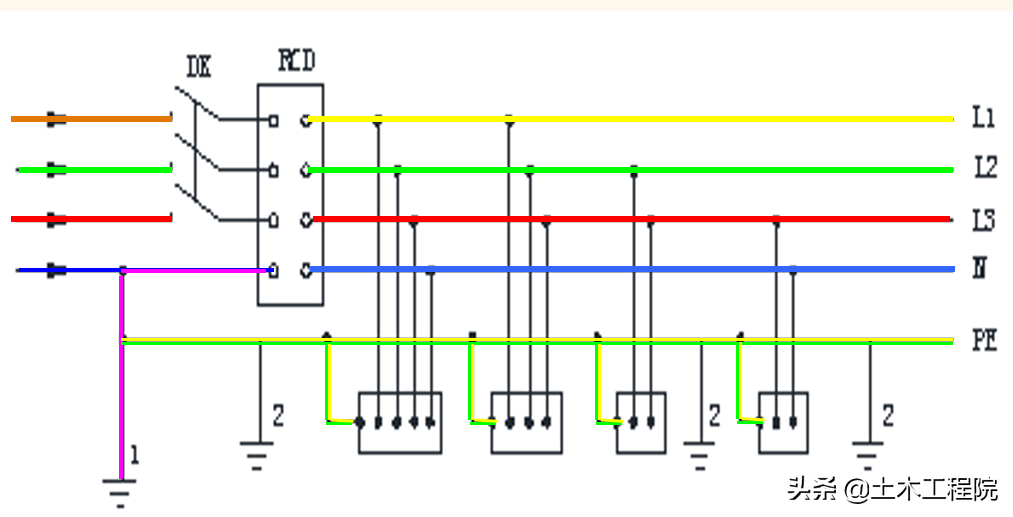
1、建筑施工现场临时用电工程专用的电源中性点直接接地的220/380V三相四线制低压电力系统,必须符合下列规定:
2、强制条文:在施工现场专用变压器供电的TN-S接零保护系统中,电气设备的金属外壳必须与保护零线连接。保护零线应由工作接地线、配电室(总配电箱)电源侧零线或总漏电保护器电源侧零线处引出。
3、采用TN系统做保护接零时,工作零线 (N线)必须通过总漏电保护器,保护零线(PE线)必须由电源进线零线重复接地处或总漏电保护器电源侧零线处,引出形成局部TN-S接零保护系统。
4、临时用电基本法则:
5、三级配电:
6、临时用电装置四大保护功能及装置:
土木工程院,邀您加入圈子:
版权声明:我们致力于保护作者版权,注重分享,被刊用文章【施工安全(施工现场)】因无法核实真实出处,未能及时与作者取得联系,或有版权异议的,请联系管理员,我们会立即处理! 部分文章是来自自研大数据AI进行生成,内容摘自(百度百科,百度知道,头条百科,中国民法典,刑法,牛津词典,新华词典,汉语词典,国家院校,科普平台)等数据,内容仅供学习参考,不准确地方联系删除处理!;
工作时间:8:00-18:00
客服电话
电子邮件
beimuxi@protonmail.com
扫码二维码
获取最新动态
