彻底理解几何公差的符号及管控意义,并正确理解尺寸公差的概念,是一件非常困难的事情。
本文聚焦几何公差的“读取”与“测量”,以最通俗易懂的语言进行细致解说。
ISO将几何公差定义为“Geometrical product specifications (GPS)−Geometrical tolerancing− Tolerancing of form, orientation, location and run-out”。换言之,“几何特性”指的是物体的形状、大小、位置关系等,“公差”则是“容许误差”。“几何公差”的特点,是不仅定义尺寸,还会定义形状、位置的容许误差。
1、尺寸公差与几何公差的区别:
设计图纸的标注方法,大致可分为“尺寸公差”与“几何公差”这两类。尺寸公差管控的是各部分的长度。而几何公差管控的则是形状、平行度、倾斜度、位置、跳动等。
尺寸公差图纸
几何公差图纸
意为“请进行对示面(A)的‘平行度’不超过‘0.02’的加工”
2、几何公差的优点:
为什么需要标注几何公差呢?举个例子,设计者在订购某板状部件时,通过尺寸公差进行了如下标示。
但是根据上述图纸,生产方可能会交付如下所示的部件。
这样的部件会成为不适合品或不良品。
究其原因,就是没有在图纸上标注平行性。
相应的责任不在于加工业者,在于设计者的公差标示。
用几何公差标注同一部件的图纸,可得到如下所示的设计图。该图在尺寸信息的基础上,追加了“平行度”、“平面度”等几何公差信息。这样一来,就能避免因单纯标注尺寸公差而导致的问题。
差标注同一部件的图纸,可得到如下所示的设计图。该图在尺寸信息的基础上,追加了“平行度”、“平面度”等几何公差信息。这样一来,就能避免因单纯标注尺寸公差而导致的问题。
综上所述,几何公差的优点,就是能够正确、高效地传达无法通过尺寸公差来体现的设计者意图。
3、独立原则
尺寸公差与几何公差管控的公差不同。尺寸公差管控的是长度,几何公差管控的则是形状及位置关系。
因此,尺寸公差和几何公差并无优劣之分,结合使用这两种公差,可实现高效的公差标示。
此外,尺寸公差及几何公差分别以不同测量设备及检测方法测量。例如,尺寸公差会使用游标卡尺、千分尺等测量2点间距离,此时,下图中的尺寸公差全部合格。
但是,几何公差会利用真圆度测量仪、三坐标测量仪检测真圆度及中心轴的位置,根据指定的公差范围,可能会被判定为不合格。换言之,根据尺寸公差会被判定为合格,根据几何公差则不合格。
因此我们可以认为,尺寸公差管控与几何公差管控基本上不存在相关性。这种思考方式就是“独立原则”。
4、ISO中的定义
尺寸与几何特性的关系定义如下。
ISO 8015-1985除去特别指定相关性的情形,图纸中标示的各要求事项,例如尺寸公差及几何公差,与其他一切尺寸、公差或特性不存在任何关联性,独立发挥作用。如上所述,独立原则是ISO明文规定的国际标准。但是,在美国等国家,部分企业可能会遵循不适用独立原则的ASME(美国机械工程师协会)准则。因此,在与境外企业开展贸易时,建议务必提前通过协商等途径,明确规格要求。
几何公差在图纸上通过符号进行指定。目前,几何公差的符号共有16种,并根据管控的公差进行分类。
1、几何公差特性的分类与符号
几何公差的符号如下所示。所谓“适用要素”的“独立要素”,就是不关联基准(无需标示基准)的要素。“基准”是为了决定姿态、位置、跳动而设定的理论理想要素。而“关联要素”则是与基准存在关联的要素,用于指定姿态、位置、跳动公差。
几何公差符号一览(相关规格:ISO5459)
2、真位置度理论(用方框围起的尺寸值)
用“理论正确尺寸(TED:Theoretically Exact Dimension)”标示几何公差(位置度、轮廓度、倾斜度)的思考方式。TED会用方框(□)围起理论正确尺寸,将与该位置相关的公差填入形体控制框。
位置的指定
进行如下图所示的位置指定时,尺寸公差标示的基准尺寸和公差均会成为尺寸公差的总和(累积公差),无法指定正确位置。而利用TED进行标示时,因其不附带公差,不会引发累积公差的问题。
公差带的指定
在指定公差带时,真位置度理论会在公差值的中心,正确标示需要用TED管控的位置。
要素为点时,公差带就是以该点为中心的圆形(a)或球形;要素为直线时,则公差带为以该直线个别正确离开公差值一半的平行二平面(b),或以该直线为中心的圆柱公差带(c)。
所谓基准(datum),就是在进行加工及尺寸测量时作为基准的面、线、点。
1、ISO中的定义
ISO 5459:2011定义:位置(公差)及/或姿态(公差)的公差带,抑或是为了定义表现执行状态的理想要素,而选择的实际组成要素(1个以上)所适用的设定要素(1个以上)。
2、基准的种类
基准分为“基准要素”与“模拟基准要素”。还有组合2个以上的基准,指定要素的“基准体系”。
基准要素
用于设定基准的目标物实际要素(部件的表面、孔洞等)。
模拟基准要素
在设定基准时与基准要素相接,形状极其精密的实际表面(平板、轴承、心轴等)。
基准体系
为了设定带公差要素的基准,组合使用2个以上不同基准的基准组。
标示为基准的部件的面,并不具备完美的形状。因此,必须将拥有更精密表面的平板、尺规、心轴等作为实用基准,进行接触。
3、基准要素的图纸标注
基准可通过下列符号(基准符号)进行标注。基准符号由镂空或涂黑的三角形标注。
而代表基准的英文字母必须与图纸的方向一致。
此外,作为对象的区域,会因图纸中基准符号的位置而异。为了严谨传达设计意图,请注意标示基准的位置。
标示轴线或中心平面时
将尺寸线与基准合并在一处,标示基准要素。标示的基准要素中心,将成为基准轴或基准中心平面。
标示母线时
标示时需错开基准要素的尺寸线与基准。标示的基准要素中心,将成为基准轴或基准中心平面。
几何公差用“形体控制框”标示。形体控制框中应包含下列要素。
a:几何特性符号
标注几何公差的种类。
b:直径符号(必要时)
必须标注的几何特性如下所示。
二维平面中的圆中区域:位置度、同心度
三维空间中的圆柱中区域:真直度、平行度、直角度、倾斜度、位置度、同轴度、
三维空间中的球体中区域:位置度
c:几何公差值
公差的值。单位为“ mm (毫米) ”。
d:实体公差、公共公差带等
主要包括“(最大实体要求)”、“(最小实体要求)”、“CZ (公共公差带:Common Zone) ”等。以及其他、等。
e:优先基准
将设计者需要优先设定为基准的部分指定为基准。标注多项基准时,按照从左到右、优先度从高到低的顺序进行标注。
通常情况下,设计者会按照优先度顺序,决定基准的字母,因此越靠前的字母优先度越高。
目前,几何公差分类中共有14种符号。若以其它方式分类,则有15种符号。
这些符号分属“形状公差”、“姿态公差”、“位置公差”、“跳动公差”,借助这些公差,可以指定所有形状。
“最大实体要求”在轴孔嵌合等设计中不可或缺,“最小实体要求”则是设计管道厚度等强度维持必要参数的有效手段,下面也介绍这些方式的概要。
1、形状公差(形状偏差)
所谓形状公差,就是决定目标物(部件)形状的基本几何公差。都是无需基准,可独立决定形状的几何公差。
1)真直度
指定“笔直度”的参数,标示应该呈现何等正确的笔直度。适用于直线而非平面对象,表示中心线、母线等的弯曲情况。因此,可用于设定长尺寸物体的容许翘曲等。
标注示例
图纸解读
表示圆柱直径的尺寸与形体控制框相连时,该圆柱的轴线必须位于直径0.1 mm的圆柱内。
2)平面度
指定“表面凸凹度”,标示应该呈现何等正确的平坦面。最凸起部分与最凹陷部分必须位于上下分离2个平面之间夹住的一定距离。
标注示例
图纸解读
该表面必须位于仅相隔0.3 mm的2个平行平面之间。
3)真圆度
指定“圆度”的参数。表示轴、孔、圆锥等圆形截面的圆度,标示应该呈现何等正确的圆形。
标注示例
图纸解读
任意轴直角截面的外周,必须位于在同一平面上仅相隔0.1 mm的2个同心圆之间。
4)圆柱度
指定“圆度”与“笔直度”的参数。表示圆柱的歪曲度,标示应该呈现何等正确的圆柱形。
标注示例
图纸解读
作为对象的面,必须位于仅相隔0.1 mm的2个同轴圆柱面之间。
2、形状公差、位置公差(线轮廓度、面轮廓度)
线轮廓度与面轮廓度同样被用于位置公差。在形状公差和位置公差中的形体控制框标注方法是相同的。
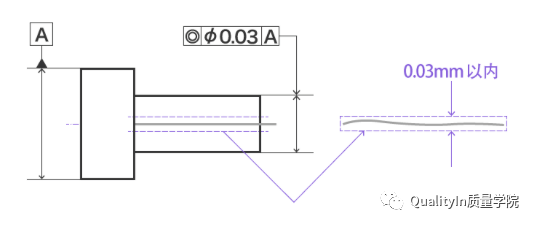
1)线轮廓度
这是标示设计部件“实际曲面是否与设计理想值一致”的参数,表示轮廓线(表面切断面呈现的线要素)的歪曲度。切断指定曲面的截面线,必须位于公差带内。
标注示例
图纸解读
在投影面平行的任意截面作为对象的轮廓必须在具有理论上正确轮廓的线上置中,并在直径0.03 mm的圆所产生的2条包络线之间。
2)面轮廓度
标示设计部件“实际曲面(表面)等是否与设计理想值一致”的参数。面轮廓度不同于线轮廓度,以整个指定曲面为对象。
标注示例
图纸解读
对象面必须在具有理论上正确轮廓的线上置中,并在直径0.1 mm的球所产生的2条弯曲线之间。
3、姿态公差
所谓姿态公差,就是相对于某项基准,决定相应要素应有姿态的公差。指定姿态公差之前,必须确定基准,因此姿态公差是与基准相关联的要素,即关联要素的几何公差。
1)平行度
类似于平面度,平行度中存在基准(作为基准的平面、直线)。
平行度指定“2条直线或2个平面相互平行的程度”。
标注示例
图纸解读
标示线箭头所指的面,必须位于与基准平面A平行,且与标示线箭头方向仅间隔0.05 mm的2个平面之间。
2)直角度
指定相对于基准(作为基准的平面、直线)的“直角正确程度”。
直角度指定的数值单位并非角度,而是mm。
标注示例
图纸解读
标示线箭头所指的平面,必须位于与基准平面A垂直的直径0.03 mm的圆柱内。
3)倾斜度
指定的直线及平面非90°时,指定“相对于基准(作为基准的平面、直线)是否呈现正确倾斜状态”。
倾斜度指定的数值单位并非角度,而是mm。
标注示例
图纸解读
标示线箭头所指的面,必须与基准平面A准确呈现45°的理论倾斜,且位于与标示线箭头方向仅间隔0.3 mm的2个平行平面之间。
4、位置公差
所谓位置公差,就是相对于某项基准,决定相应要素应处位置(真位置)的公差。指定位置公差之前,必须确定基准,因此位置公差是与基准相关联的要素,即关联要素的几何公差。
1)位置度
指定“相对于基准(作为基准的平面、直线)的位置正确程度”的精度。
标注示例
图纸解读
标示线箭头所指的圆的中心点,必须位于直径0.1 mm的圆中。
2)同轴度
指定“2个圆柱的轴同轴 (中心轴无偏差)的程度”。
标注示例
图纸解读
标示线箭头所指的圆柱轴线,必须位于以基准轴直线A为轴线的、直径0.03 mm的圆柱中。
3)同心度
指定“2个圆柱的轴同轴 (中心点无偏差)程度”的精度。与同轴度的区别在于,基准要素是中心点(平面)。
标注示例
图纸解读
标示线箭头所指的圆柱轴线,必须位于以基准轴直线A为轴线的、直径0.05 mm的圆柱中。
4)对称度
指定“相对于基准(作为基准的平面)保持对称”的精度。
标注示例
图纸解读
标示线箭头所指的中心面,必须位于与基准中心平面A对称间隔0.05 mm的2个平行平面之间。
5、跳动公差(跳动偏差)
所谓“跳动公差”,就是将某条直线设定为旋转轴,旋转目标物(部件),对目标物要素的跳动变动值进行管控的几何公差。指定跳动公差之前,必须确定基准,因此跳动公差是与基准相关联的要素,即关联要素的几何公差。
1)圆跳动
指定部件“旋转时任意圆周部分的跳动”。
圆跳动,即旋转部件时测量值的跳动,必须处于规定范围内。
标注示例
图纸解读
围绕基准轴直线旋转1周时,在垂直于基准轴直线的任意测量平面上,标示线箭头所指圆柱面的半径方向跳动不得超过0.03 mm。
2)全跳动
指定部件“旋转时整个表面的跳动”。
全跳动,即圆柱面整体测量值的跳动,必须处于规定范围内。
标注示例
图纸解读
围绕基准轴直线旋转圆柱部分时,在圆柱表面上的任意点,标示线箭头所指圆柱面的半径方向全跳动不得超过0.03 mm。
6、最大实体要求(MMR)与最小实体要求(LMR)
最大实体要求(MMR:Maximum Material Requirement)用于标示轴孔等嵌合部件的公差。而最小实体要求(LMR:Least Material Requirement)则用于指定端面周边位置的孔的强度及管道厚度。
1)标注方法
对部分尺寸适用最大实体要求时,需要在几何公差数值后,抑或是形体控制框内的基准符号之后,标注。而在适用最小实体要求时,应标注。
标注示例
2)最大实体要求与最小实体要求的优点
能够根据尺寸偏差与几何公差的偏差,正确实施体积相关管控,可实现合理的公差设定。用于轴、孔等公差时,能够正确表现部件的体积,具有可降低加工成本、提升品质的优点。
接下来,整理100则公差配合常见100个问题,欢迎收藏学习!
1.什么称为公差?
答:允许零件尺寸和几何参数的变动量就称为公差。
2.什么称为尺寸?
答:用特定单位表示长度值的数字。
3.什么称为基本尺寸?
答:使设计给定的尺寸。
4.什么称为实际尺寸?
答:是通过测量获得的尺寸。
5. 什么称为极限尺寸?
答:是指允许尺寸变化的两个极限值。
6.什么称为最大实体状态(简称MMC)和最大实体尺寸?
答:最大实体状态系指孔或轴在尺寸公差范围内,具有材料量最多时的状态。在此状态下的尺寸,称为最大实体尺寸,它是孔的最小极限尺寸和轴的最大极限尺寸的统称。
7.什么称为最小实体状态(简称LMC)和最小实体尺寸?
答:最小实体状态系指孔或轴在尺寸公差范围内,具有材料最少时的状态。在此状态下的尺寸,称为最小实体尺寸,它是孔的最大极限尺寸和轴的最小极限尺寸的统称。
8.什么称为作用尺寸?
答:在配合面的全长上,与实际孔内接的最大理想轴尺寸,称为孔的作用尺寸。与实际轴外接的最小理想孔的尺寸,称为轴的作用尺寸。
9.什么称为尺寸偏差?
答:是指某一个尺寸减其基本尺寸所得的代数差。
10.什么称为尺寸公差?
答:是指允许尺寸的变动量。
11.什么称为零线?
答:在公差与配合图解(简称公差带图)中,确定偏差的一条基准直线,即零偏差线。
12.什么称为公差带?
答:在公差带图中,由代表上、下偏差的两条直线所限定的一个区域。
13.什么称为基本偏差?
答:是用来确定公差带相对于零线位置的上偏差或下偏差,一般指靠近零线的那个偏差。当公差带位于零线上方时,其基本偏差为下偏差;位于零线下方时,其基本偏差为上偏差。
14.什么称为标准公差?
答:国标规定的,用以确定公差带大小的任一公差。
15.什么称为配合?
答:是指基本尺寸相同的、互相结合的孔和轴公差带之间的关系。
16.什么称为基孔制?
答:是基本偏差为一定的孔的公差带,与不同基本偏差的轴的公差带形成配合的一种制度。
17.什么称为基轴制?
答:是基本偏差为一定的轴的公差带,与不同基本偏差的孔的公差带形成各种配合的一种制度。
18.什么称为配合公差?
答:是允许间隙的变动量,它等于最大间隙与最小间隙之代数差的绝对值,也等于互相配合的孔公差带与轴公差带之和。
19.什么称为间隙配合?
答:孔的公差带完全在轴的公差带之上,即具有间隙的配合(包括最小间隙等于零的配合)。
20.什么称为过盈配合?
答:孔的公差带完全在轴的公差带之下,即具有过盈的配合(包括最小过盈等于零的配合)。
21.什么称为过渡配合?
答:在孔与轴的配合中,孔与轴的公差带互相交迭,任取其中一对孔和轴相配,可能具有间隙,也可能具有过盈的配合。
22.基孔制配合为H11/c11或基轴制基孔制配合为C11/h11时,优先配合特性是什么?
答:间隙很大,用于很松的、转动很慢的动配合;要求大公差与大间隙的外露组件;要求装配方便的很松的配合。相当于旧国标的D6/dd6。
23.基孔制配合为H9/d9或基轴制基孔制配合为D9/h9时,优先配合特性是什么?
答:间隙很大的自由转动配合,用于精度非主要要求时,或有大的温度变动、高转速或大的轴颈压力时。相当于旧国标D4/de4。
24.基孔制配合为H8/f7或基轴制基孔制配合为F8/h7时,优先配合特性是什么?
答:间隙不大的转动配合,用于中等转速与中等轴颈压力的精确转动;也用于装配较易的中等定位配合。相当于旧国标D/dc。
25.基孔制配合为H7/g6或基轴制基孔制配合为G7/h6时,优先配合特性是什么?
答:间隙很小的滑动配合,用于不希望自由转动、但可自由移动和滑动并要求精密定位时,也可用于要求明确的定位配合。相当于旧国标D/db。
26.基孔制配合为H7/h6; H8/h7;H9/h9; H11/h11或基轴制基孔制配合为H7/h6; H8/h7; H9/h9; H11/h11时,优先配合特性是什么?
答:均为间隙定位配合,零件可自由装拆,而工作时一般相对静止不动。在最大实体条件下的间隙为零,在最小实体条件下的间隙由公差等级决定。H7/h6相当于旧国标D/d;H8/h7相当于旧国标D3/d3;H9/h9相当于旧国标D4/d4;H11/h11相当于旧国标D6/d6。
27.基孔制配合为H7/h6或基轴制基孔制配合为K7/h6时,优先配合特性是什么?
答:过渡配合,用于精密定位。相当于旧国标D/gc。
28.基孔制配合为H7/n6或基轴制基孔制配合为N7/h6时,优先配合特性是什么?
答:过渡配合,允许有较大过盈的更精密定位。相当于旧国标D/ga。
29.基孔制配合为H7/p6或基轴制基孔制配合为P7/h6时,优先配合特性是什么?
答:过盈定位配合,即小过盈配合,用于定位精度特别重要时,能以最好的定位精度达到部件的刚性及对中性要求,而对内孔随压力无特殊要求,不依靠配合的紧固性传递摩擦负荷。相当于旧国标D/ga~D/jf。其中H7小于或等于3mm为过渡配合。
30.基孔制配合为H7/s6或基轴制基孔制配合S7/h6时,优先配合特性是什么?
答:中等压入配合,适用于一般钢件;或用于薄壁件的冷缩配合,用于铸铁件可得到最紧的配合,相当于旧国标D/je。
31.基孔制配合为H7/u6或基轴制基孔制配合为U7/h6时,优先配合特性是什么?
答:压入配合,适用于可以随大压入力的零件或不宜承受大压入力的冷缩配合。
32.轴的基本偏差为a;b时,配合特性是什么?
答:属间隙配合,可得到特别大的间隙,很少应用。
33.轴的基本偏差为c时,配合特性是什么?
答:属间隙配合,可得到很大的间隙,一般适用于缓慢、松弛的动配合。用于工作条件较差,受力变形,或为了便于装配,面必须保证有较大的间隙时。推荐配合为H11/c11,其较高级的配合,如H8/c7适用一轴在高温工作的紧密动配合,例如内燃机排气阀和导管。
34.轴的基本偏差为d时,配合特性是什么?
答:属间隙配合,配合一般用于IT7~IT11级,透用于松的转动配合,如密封盖、滑轮、空转带轮等与轴的配合。民适用于大直径滑动轴承配合,如透平机、球磨机、轧滚成型和重型弯曲机及其他重型机械中的一些滑动支承。
35.轴的基本偏差为e时,配合特性是什么?
答:属间隙配合,多用于IT7~IT9级,通常适用于要求有明显间隙,易于转动的支承配合,如大跨距、多支点支承等,高等级的e轴适用于大型、高速、重载支承配合,如蜗轮发电机、大型电动机、内燃机、凹轮轴及摇臂支承等。
36.轴的基本偏差为f时,配合特性是什么?
答:属间隙配合,多用于IT6~IT8级的一般转动配合。当温度影响不大时,被广泛用于普通润滑油(脂)润滑的支承,如齿轮箱、小电动机、泵等的转轴与滑动支承的配合。
37.轴的基本偏差为g时,配合特性是什么?
答:属间隙配合,配合间隙很小,制造成本高,除很轻负荷的精密装置外,不推荐用于转动配合。多用于IT5~IT7级,最适合不回转的精密滑动配合,也用于插销等定位配合,如精密连杆轴承、活塞、滑阀及连杆销等。
38.轴的基本偏差为h时,配合特性是什么?
答:属间隙配合,多用于IT4~IT11级。广泛用于无相对转动的零件,作为一般的定位配合,若没有温度变形影响,也用于精密滑动配合。
39.轴的基本偏差为js时,配合特性是什么?
答:属过渡配合,为完全对称偏差(+IT/2)。平均为稍有间隙的配合,多用于IT4-7级,要求间隙比h轴小,并允许略有过盈的定位配合(如联轴器),可用手或木锤装配。
40.轴的基本偏差为k时,配合特性是什么?
答:属过渡配合,平均为没有间隙的配合,适用于IT4-IT7级。推荐用于稍有过盈的定位配合,倒台为了消除振动用的定位配合。一般用木锤装配。
41.轴的基本偏差为m时,配合特性是什么?
答:属过渡配合,平均为具有小过渡配合。适用IT4I-T7级,用锤或压力机装配,通常推荐用于紧密的组件配合。H6/n5配合时为过盈配合。
42.轴的基本偏差为n时,配合特性是什么?
答:属过渡配合,平均过盈比m轴稍大,很少得到间隙,适用IT4-IT7级,用锤或压力机装配,通常推荐用于紧密的组件配合。H6/n5配合时为过盈配合。
43.轴的基本偏差为p时,配合特性是什么?
答:属过盈配合, 与H6或H7配合时是过盈配合,与H8孔配合时则为过渡配合。对非铁类零件,为较轻的压入配合,当需要时易于拆卸。对钢、铸铁或铜、钢组件装配是标准压入配合。
44.轴的基本偏差为r时,配合特性是什么?
答:属过盈配合, 对铁类零件为中等的入配合,对非铁类零件,为轻打入的配合,当需要时可以拆卸。与H8孔配合,直径在100mm以上时为过盈配合,直径小时为过渡配合。
45.轴的基本偏差为s时,配合特性是什么?
答:属过盈配合, 用于钢和铁制零件的永久性和半永久装配。可产生相当大的结合力。当用弹性材料,如轻合金时,配合性质与铁类零件的P轴相当。例如套环压装在轴上、阀座等配合。尺寸较大时,为了避免损伤配合表面,需有热胀或冷缩法装配。
46.轴的基本偏差为t;u;v;x;y;z时,配合特性是什么?
答:属过盈配合,过盈量依次增大,一般不推荐。
47.什么情况下选用基轴制?
答:直接使用按基准轴的公差带制造的有一定公差等级(—般为8至11级)而不再进行机械加工的冷拔钢材做轴。这时,可以选择不同的孔公差带位置来形成各种不同的配合需求。在农业机械和纺织机械中,这种情况比较多。
加工尺寸小于1mm的精密轴要比加工同级的孔困难得多,因此在仪器仪表制造、钟表生产、无线电和电子行业中,通常使用经过光轧成形的细钢丝直接做轴,这时选用基轴制配合要比基孔制经济效益好。
从结构上考虑,周一根轴在不同部位与几个孔相配合,并且各自有不同的配合要求,这时应考虑采用基轴制配合。
48.与标准件如何配合?
答:若与标准件配合,应以标准件为基准件确定配合制。例如,在滚动轴承支撑结构中,滚动轴承外圈与箱体孔的配合应采用基轴制,轴承内圈与轴颈的配合应该采用基孔制,箱体孔按J7制造,轴颈按k6制造。
49.研磨加工方法,应取公差等级什么范围?
答:应取IT1~IT5。
50.衍磨加工方法,应取公差等级什么范围?
答:应取IT4~IT7。
51.金刚石车加工方法,应取公差等级什么范围?
答:应取IT5~IT7。
52.金刚石镗加工方法,应取公差等级什么范围?
答:应取IT5~IT7。
53.圆磨加工方法,应取公差等级什么范围?
答:应取IT5~IT8。
54.平磨加工方法,应取公差等级什么范围?
答:应取IT5~IT8。
55.拉削加工方法,应取公差等级什么范围?
答:应取IT5~IT8。
56.精车精镗加工方法,应取公差等级什么范围?
答:应取IT7~IT9。
57.铰孔加工方法,应取公差等级什么范围?
答:应取IT6~IT10。
58.铣削加工方法,应取公差等级什么范围?
答:应取IT8~IT11。
59.刨、插加工方法,应取公差等级什么范围?
答:应取IT10~IT11。
60.滚压、挤压加工方法,应取公差等级什么范围?
答:应取IT10~IT11。
61.粗车加工方法,应取公差等级什么范围?
答:应取IT10~IT12。
62.粗镗加工方法,应取公差等级什么范围?
答:应取IT10~IT12。
63.钻削加工方法,应取公差等级什么范围?
答:应取IT10~IT13。
64.冲压加工方法,应取公差等级什么范围?
答:应取IT10~IT14。
65.砂型铸造加工方法,应取公差等级什么范围?
答:应取IT14~IT15。
66.金属型铸造加工方法,应取公差等级什么范围?
答:应取IT14~IT15。
67.锻造加工方法,应取公差等级什么范围?
答:应取IT15~IT16。
68.气割加工方法,应取公差等级什么范围?
答:应取IT15~IT18。
69.确定基本偏差有几种方法?
答:确定基本偏差的方法有三种:试验法、计算法和类比法。
70.什么称为试验法?
答:试验法就是应用试验的方法确定满足产品工作性能的配合种类,主要用于如航天、航空、国防、核工业以及铁路运输行业中一些关键性机构中,对产品性能影响大而又缺乏经验的重要、关键性的配合。该方法比较可靠。其缺点是需进行试验,成本高、周期长,较少应用。
71.什么称为计算法?
答:计算法是根据使用要求通过理论计算来确定配合种类。其优点是理论依据充分,成本较试验法低,但由于理论计算不可能把机器设备工作环境的各种实际因素考虑得十分周全,因此设计方案不如通过试验法确定的准确。
例如,用计算法确定滑动轴承间隙配合的配合种类时,根据液体润滑理论可以计算其允许的最小间隙,据此从标准中选择适当的配合种类;用计算法确定完全靠过盈传递负荷的过盈配合种类时,根据要传递负荷的大小,按弹、塑性变形理论,可以计算出需要的最小过盈,据此选择合适的过盈配合种类,同时验算零件材料强度是否能够承受该配合种类所产生的最大过盈。由于影响配合间隙、过盈的因素很多,理论计算只能是近似的。
72.什么称为类比法?
答:类比法就是以与设计任务同类型的机器或机构中经过生产实践验证的配合作为参考,并结合所设计产品的使用要求和应用条件的实际情况来确定配合。该方法应用最广,但要求设计人员掌握充分的参考资料并具有相当的经验。用类比法确定配合时应考虑的因素如下:
受力大小。受力较大时,趋向偏紧选择配合,即应适当地增大过盈配合的过盈量,减小间隙配合的间隙量,选用获得过盈的概率大的过渡配合。
拆装情况和结构特点。对于经常拆装的配合,与不经常拆装的任务相同的配合相比,其配合应松些。装配困难的配合,也应稍松些。
结合长度和形位误差。配合长度越长,由于形位误差的存在,与结合长度短的配合相比,实际形成的配合越紧。因此,宜选用适当松一些的配合。
材料、温度。当相配件的材料不同(线性膨胀系数相差较大)且工作温度与标准温度+20 ℃相差较大时,要考虑热变形的影响。装配变形的影响。
73.公差等级为5级时,应用在哪些场合?
答:主要用在配合公差、形位公差要求甚小的场合,配合性质稳定,一般在机床、发动机、仪表等重要部位应用。如与D 级滚动轴承配合的箱体孔;与E级滚动轴承配合的机床主轴,机床尾架与套筒,精密机械及高速机械中的轴颈,精密丝杠径等。
74.公差等级为6级时,应用在哪些场合?
答:配合性质能达到较高的均匀性,如与E级滚动轴承相配合的孔、轴颈;与齿轮、蜗轮、联轴器、带轮、凸轮等连接的轴径,机床丝杠轴径;摇臂钻立柱;机床夹具中导向件的外径尺寸;6级精度齿轮的基准孔,7、8级齿轮基准轴。
75.公差等级为7级时,应用在哪些场合?
答:7级精度比6级稍低,应用条件与6 级基本相似,在一般机械制造中应用较为普遍。如联轴器、带轮、凸轮等孔径;机床夹盘座孔,夹具中固定钻套,可换钻套;7、8级齿轮基准孔,9、10级齿轮基准轴。
76.公差等级为8级时,应用在哪些场合?
答:在机器制造中属于中等精度。如轴承座衬套沿宽度方向尺寸,9~12级齿轮基准孔;11~12级齿轮基准轴。
77.公差等级为9~10级时,应用在哪些场合?
答:主要用于机械制造中轴套外径与孔;操纵件与轴;空轴带轮与轴;单键与花键。
78.公差等级为11~12级时,应用在哪些场合?
答:配合精度很低,装配后可能产生很大间隙,适用于基本上没有什么配合要求的场合。如机床上法兰盘与止口;滑快与滑移齿轮;加工中工序间尺寸;冲压加工的配合件;机床制造中的扳手孔与扳手座的连接。
79.间隙配合在实际的设计中如何选用?
起重机吊钩的铰链 带榫槽的法兰盘 内燃机的排气阀和导管
滑轮与轴的配合内燃机主轴的配合
齿轮轴套与轴的配合 钻套与衬套的配合
80.过渡配合在实际的设计中如何选用?
车床尾座的顶尖套筒的配合带轮与轴的配合
刚性联轴节的配合蜗轮青铜轮缘与轮辐的配合
81.过盈配合在实际的设计中如何选用?
答:见下图
82.零件图上线性尺寸公差如何标注?
答:见下图
83.装配图上线性尺寸公差如何标注?
答:见下图
84.标准件线性尺寸公差如何标注?
答:见下图
85.线性尺寸公差标注有什么要求?
答:公差代号与基本尺寸数字同高。采用极限偏差标注线性尺寸公差时,上下偏差数字比基本尺寸数字小一号,且上下偏差小数点位数必须对齐,并标出正负号。其中一个偏差为零,可用“0”标出,并与另一个偏差个位数对齐。下偏差底线与基本尺寸注在同一底线上。当上下两偏差数值相等时,偏差只注写一次,并在偏差与基本尺寸之间注“+/-”号,且二者字号相同。
86.什么称为圆锥配合?
答:基本圆锥相同的内、外圆锥直径之间,由于结合不同所形成的相互关系。圆锥配合的配合特征是通过相互结合的内、外圆锥规定的轴向位置来形成间隙或过盈。间隙或过盈是在垂直于圆锥表面方向起作用,但按垂直于圆锥轴线方向给定并测量;对锥度小于或等于1:3的圆锥,垂直于圆锥表面与垂直于圆锥轴线给定的数值之间的差异可忽略不计。按确定相结合的内、外圆锥轴向位置的不同方法,圆锥配合分为结构型圆锥配合和位移型圆锥配合两种类型。
87.什么称为结构型圆锥配合?
答:由结构本身或结构尺寸来确定内、外圆锥相对轴向位置而获得的配合。
88.什么称为位移型圆锥配合?
答:规定轴向位移或产生轴向位移的轴向力的大小来确定内、外圆锥相对轴向位置而获得的配合。
89.标准公差系列由哪三项内容组成?
答:由公差等级、公差单位和基本尺寸分段。
90.什么称为一般公差?
答:是指在车间普通工艺条件下机床设备一般加工能力可达到的公差。
91.GB/T1804-1992为线性尺寸的一般公差规定了什么?
答:规定了f、m、c和v共4个公差等级,字母f表示精密级,m表示中等级,c表示粗糙级,v表示最粗级。公差等级f、m、c和v分别相当于IT12、IT14、lt16和IT17。
92.什么是线性尺寸一般公差的极限偏差数值表?
答:见下图
93.什么是倒圆半径和倒角高度的极限偏差数值表?
答:见下图
94.间隙配合时要注意什么?
答:基准孔H(或基准轴h)与相应公差等级的轴a~h(或孔A~H)形成间隙配合,共11种,其中H/a(或A/h)组成的间隙最大,H/h的配合间隙最小。
H/a(A/h)、H/b(B/h)、H/c(C/h)配合,这3种配合的间隙很大,不常使用。一般用在工作条件较差,要求灵活动作的机械上,或用于受力变形大,轴在高温下工作需保证有较大间隙的场合。
H/d(D/h)、H/e(E/h)配合,这两种配合间隙较大,用于要求不高易于转动的支撑。其中H/d(D/h)适用于较松的传动配合,如密封盖、滑轮和空转带轮等与轴的配合。也适用于大直径滑动轴承的配合,如球磨机、轧钢机等重型机械的滑动轴承,适用于IT7~IT11级。例如滑轮与轴的配合。
H/f(F/h)配合,这个配合的间隙适中,多用于IT7~IT9的一般传动配合,如齿轮箱、小电动机、泵等的转轴及滑动支撑的配合。
H/g(G/h)配合,此种配合间隙很小,除了很轻负荷的精密机构外,一般不用做转动配合,多用于IT5 ~IT7级,适合于作往复摆动和滑动的精密配合。例如钻套与衬套的配合.
H/h配合,这个配合的最小间隙为零,用于IT4~IT11级,适用于无相对转动而有定心和导向要求的定位配合,若无温度、变形影响,也用于滑动配合,推荐配合H6/h5、H7/h6、H8/h7、H9/h9和H11/h11。
95.过渡配合时要注意什么?
答:基准孔H与相应公差等级轴的基本偏差代号j~n形成过渡配合(n与高精度的孔形成过盈配合)。
H/j、H/js配合,这两种过渡配合获得间隙的机会较多,多用于IT4~IT7级,适用于要求间隙比h小并允许略有过盈的定位配合,如联轴节、齿圈与钢制轮毂以及滚动轴承与箱体的配合等。
H/k配合,此种配合获得的平均间隙接近于零,定心较好,装配后零件受到的接触应力较小,能够拆卸,适用于IT4~IT7级,如刚性联轴节的配合。
H/m、H/n配合,这两种配合获得过盈的机会多,定心好,装配较紧,适用于IT4~IT7。
96.过盈配合时要注意什么?
答:基准孔H与相应公差等级轴的基本偏差代号p~zc形成过盈配合(p、r与较低精度的H孔形成过渡配合)。
H/p、H/r配合,这两种配合在高公差等级时为过盈配合,可用锤打或压力机装配,只宜在大修时拆卸。主要用于定心精度很高、零件有足够的刚性、受冲击负载的定位配合,多用于IT6~IT8级。
H/s、H/t配合,这两种配合属于中等过盈配合,多采用IT6、IT7级。用于钢铁件的永久或半永久结合。不用辅助件,依靠过盈产生的结合力,可以直接传递中等负荷。一般用压力法装配,也有用冷轴或热套法装配的,如铸铁轮与轴的装配,柱、销、轴、套等压入孔中的配合。
H/u、H/v、H/x、H/y、H/z配合,这几种属于大过盈配合,过盈量依次增大,过盈与直径之比在0.001以上。它们适用于传递大的扭矩或承受大的冲击截荷,完全依靠过盈产生的结合力保证牢固的连接,通常采用热套或冷轴法装配。火车的铸钢车轮与高锰钢轮箍要用H7 /u6甚至H6/u5配合。由于过盈大,要求零件材质好,强度高,否则会将零件挤裂,因此采用时要慎重,一般要经过试验才能投入生产。装配前往往还要进行挑选,使一批配件的过盈量趋于一致,比较适中。
97.为什么优先选用基孔制?
答:因为孔的加工难于轴,改变孔的尺寸需要改变刀具、量具的数量。而改变轴的尺寸不会改变刀具、量具的数量。
98.公差等级的如何应用?
答:见下图
99.使用要求如何确定配合的类别?
答:当孔、轴有相对移动或转动时,必须选择间隙配合。相对移动选取间隙较小的配合,相对转动选取间隙较大的配合。
当孔、轴之间无键、销、螺钉等联接件,只能靠孔、轴之间的配合来实现传动时,必须选择过盈配合。
过渡配合的特性是可能产生间隙,也可能产生过盈,但间隙或过盈的量相对较小。因此,当零件之间无相对运动、同心度要求较高,且不靠配合传递动力时,常常选择过渡配合。
100.尺寸公差与配合的选择的原则是什么?
答:选择的原则是在满足使用要求的前提下能够获得最佳的技术经济效益。
更多专业质量文章,请访问QualityIn质量学院官网。
版权声明:我们致力于保护作者版权,注重分享,被刊用文章【若合同规定有品质公差条款(几何公差干货全集)】因无法核实真实出处,未能及时与作者取得联系,或有版权异议的,请联系管理员,我们会立即处理! 部分文章是来自自研大数据AI进行生成,内容摘自(百度百科,百度知道,头条百科,中国民法典,刑法,牛津词典,新华词典,汉语词典,国家院校,科普平台)等数据,内容仅供学习参考,不准确地方联系删除处理!;
工作时间:8:00-18:00
客服电话
电子邮件
beimuxi@protonmail.com
扫码二维码
获取最新动态
