安川G7变频器
安川变频器开关电源的另一常见的故障就是在给它上电后会听到刺耳的尖叫声,这种情况多是由脉冲变压器发出的,一般是开关电源输出侧有短路现象所导致的。维修这种故障时我们可以从输出侧查找故障,以24V风扇机械故障出现故障卡死导致开关电源负载过重所致。
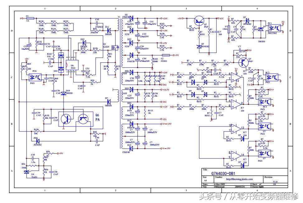
安川G7变频器内部结构原理图
安川变频器最常见的另一个故障是SC过电流故障SC故障是安川变频器较常见的故障。通常变频器内部的IGBT模块损坏是引起SC故障报警的主要原因之一;此外驱动电路损坏也会导致SC故障报警。安川在驱动电路的设计上,上桥使用了驱动光耦PC923,这是专用于驱动IGBT模块的带有放大电路的一款光耦,安川的下桥驱动电路则是采用了光耦PC929,这是一款内部带有放大电路,及检测电路的光耦。如果出现运行时电机出现抖动,三相输出电流或电压不平衡都会引发SC故障报警,如果报sc故障是由于驱动电路引起时,只要对驱动电路中的光耦、二极管、三极管等元件认真进行检查,一般都能查出损坏的元件,把这些损坏的元件加以更换,就能解决SC故障了。
版权声明:我们致力于保护作者版权,注重分享,被刊用文章【安川变频器代理商(安川变频器开关电源维修方法)】因无法核实真实出处,未能及时与作者取得联系,或有版权异议的,请联系管理员,我们会立即处理! 部分文章是来自自研大数据AI进行生成,内容摘自(百度百科,百度知道,头条百科,中国民法典,刑法,牛津词典,新华词典,汉语词典,国家院校,科普平台)等数据,内容仅供学习参考,不准确地方联系删除处理!;
工作时间:8:00-18:00
客服电话
电子邮件
beimuxi@protonmail.com
扫码二维码
获取最新动态
