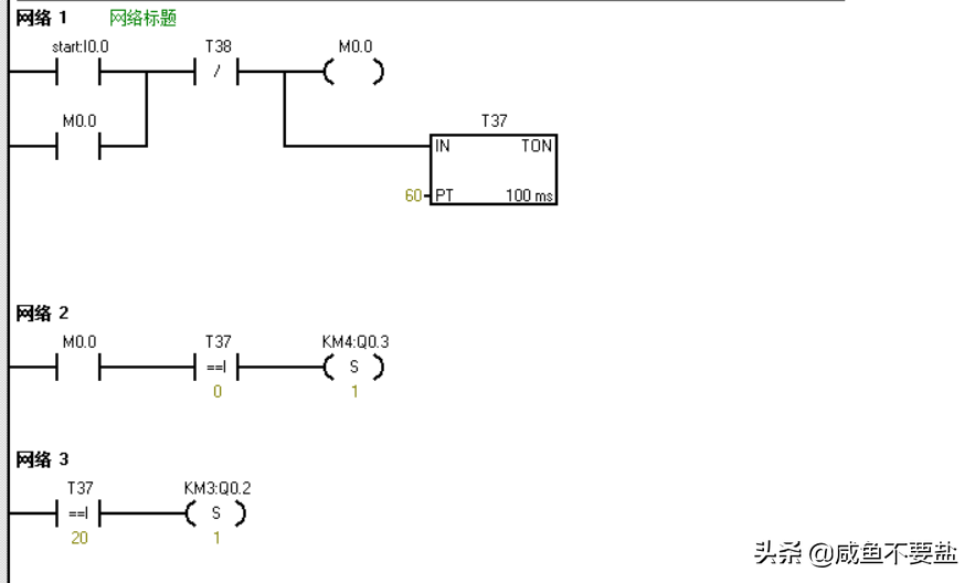
某企业承担了一个四节传送带装置的设计任务,四节传送带装置模拟示意图如下图所示,系统由传动电机M1、M2、M3、M4,完成物料的运送功能。
控制要求:闭合“启动”开关,首先启动最末一条传送带(电机M4),每经过2秒延时,依次启动一条传送带(电机M3、M2、M1);关闭“启动”开关,先停止最前一条传送带(电机M1),每经过2秒延时,依次停止M2、M3及M4电机。请根据控制要求用可编程控制器设计其控制系统并调试。
PS:对西门子S7-200PLC、C51单片机、电机电气控制、MCGS组态、CAD画图,solidworks软件等略有了解!对机电一体化技术的专业知识有一定了解。需要代写的同学们可以向我咨询呀!或者需要我分享出来项目的原文件的也可以向我咨询。
版权声明:我们致力于保护作者版权,注重分享,被刊用文章【大学plc考试试题及答案(四节传送带控制系统设计)】因无法核实真实出处,未能及时与作者取得联系,或有版权异议的,请联系管理员,我们会立即处理! 部分文章是来自自研大数据AI进行生成,内容摘自(百度百科,百度知道,头条百科,中国民法典,刑法,牛津词典,新华词典,汉语词典,国家院校,科普平台)等数据,内容仅供学习参考,不准确地方联系删除处理!;
工作时间:8:00-18:00
客服电话
电子邮件
beimuxi@protonmail.com
扫码二维码
获取最新动态
