工程设计资质分为四类:综合资质,行业资质,专业资质,专项资质。
综合资质可以承接:
全部行业(21个)的设计;
行业资质可以承接:
某一行业全部专业的设计;
专业资质可以承接:
某一行业中某一专业的设计;
专项资质可以承接:
某一行业中某一专业下的某个专项的设计。
1)煤炭行业工程设计主要专业技术人员配备表
2)化工石化医药行业工程设计主要专业技术人员配备表
3)石油天然气(海洋石油)行业工程设计主要专业技术人员配备表
4)电力行业工程设计主要专业技术人员配备表
5)冶金行业工程设计主要专业技术人员配备表
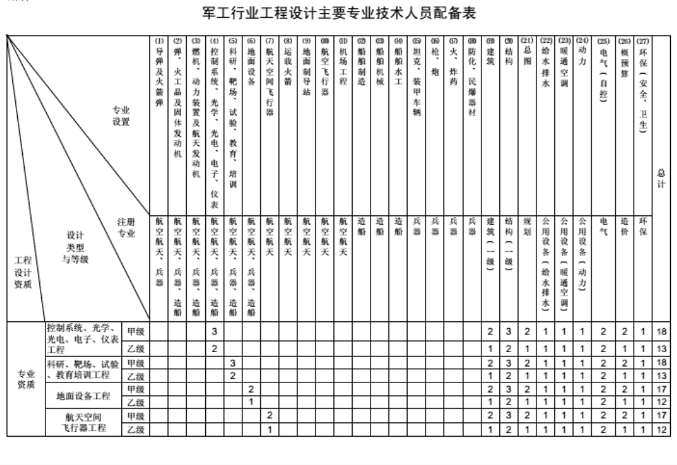
6)军工行业工程设计主要专业技术人员配备表
7)机械行业工程设计主要专业技术人员配备表
8)商物粮行业工程设计主要专业技术人员配备表
9)核工业行业工程设计主要专业技术人员配备表
10)电子通讯广电行业工程设计主要专业技术人员配备表
11)轻纺行业工程设计主要专业技术人员配备表
12)建材行业工程设计主要专业技术人员配备表
13)铁路行业工程设计主要专业技术人员配备表
14)公路行业工程设计主要专业技术人员配备表
15)水运行业工程设计主要专业技术人员配备表
16)民航行业工程设计主要专业技术人员配备表
17)市政行业工程设计主要专业技术人员配备表
18)农林行业工程设计主要专业技术人员配备表
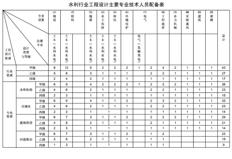
19)水利行业工程设计主要专业技术人员配备表
20)海洋行业工程设计主要专业技术人员配备表
21)建筑行业工程设计主要专业技术人员配备表
版权声明:我们致力于保护作者版权,注重分享,被刊用文章【工程设计行业资质(工程设计资质分类及人员配备)】因无法核实真实出处,未能及时与作者取得联系,或有版权异议的,请联系管理员,我们会立即处理! 部分文章是来自自研大数据AI进行生成,内容摘自(百度百科,百度知道,头条百科,中国民法典,刑法,牛津词典,新华词典,汉语词典,国家院校,科普平台)等数据,内容仅供学习参考,不准确地方联系删除处理!;
工作时间:8:00-18:00
客服电话
电子邮件
beimuxi@protonmail.com
扫码二维码
获取最新动态
